电脑桌面
添加小米粒文库到电脑桌面
安装后可以在桌面快捷访问

万洋高速3标砂石料加工投标文件-最终(1)VIP免费

万洋高速3标砂石料加工投标文件-最终(1)_第1页
1/23
万洋高速3标砂石料加工投标文件-最终(1)_第2页
2/23
万洋高速3标砂石料加工投标文件-最终(1)_第3页
3/23
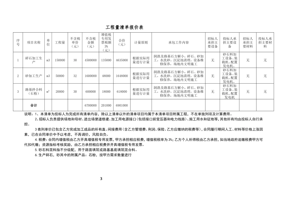
中铁隧道集团四处有限公司万洋高速公路3标项目部砂石料加工工程投标文件单位:武汉市龙洋市建筑劳务有限公司日期:2017年9月30日1投标函中铁隧道集团四处有限公司万洋高速公路3标:我单位全面研究了中铁隧道集团四处有限公司工程项目经理部招标文件及附件,我们将按招标文件中的所有规定对合同的完成承担全部责任和义务。现递交我单位投标文件3份。我们完全同意招标人按综合考评确定中标单位的要求,并同意自行承担为投标所发生的一切费用。我们完全同意,我们所递交的投标文件已充分考虑了各种外部因素对报价的影响;同意投标文件规定的投标截止时间。我方理解,你方不一定必须接受所收到的价格最低的投标书,并无须做出任何解释。投标报价详见工程量清单表。投标单位:(盖章)投标单位法定代表人:(签字或盖章)委托代理人:投标单位地址:武汉市江夏区大桥新区豹山村十一组3号投标单位电话:15272976099日期:2017年9月30日2工程量清单报价表序号项目名称单位工程量不含税单价(元)不含税金额(元)增值税专用发票税额3%(元)合价(元)计量原则承包工作内容招标人承担主要设备投标人承担主要设备招标人承担主要材料投标人承担主要材料1碎石加工生产m31500003045000001350004635000根据实际用量进行计量洞渣及路基石方解小,碎石、砂加工,水洗砂,沉淀池清理,设备维修保养,场地内文明施工无砂石料加工设备、装载机、配置发电机、无无2砂加工生产m350000321600000480001648000根据实际用量进行计量洞渣及路基石方解小,碎石、砂加工,水洗砂,沉淀池清理,设备维修保养,场地内文明施工无砂石料加工设备、装载机、配置发电机、无无3路基拌合料(石粉)m³200003060000018000618000根据实际用量进行计量洞渣及路基石方解小,碎石、砂加工,水洗砂,沉淀池清理,设备维修保养,场地内文明施工无砂石料加工设备、装载机、配置发电机无无合计67000002010006901000说明:1、本清单为投标人为完成所有清单内容,除以上清单以外的清单项目均属于本清单项目附属工程,不在单独列项及计算费用。2、招标人负责提供场地和母材、进出场便道修建、加工用电源接口(包括接口前变压器和电力线路)、施工用水和征地等,其他所有均由投标人自行承担。3表列单价已包含乙方完成加工成品的所有直、间接费用(含乙方管理费、利润、保险、乙方应缴纳的税费等),合同履行期间人工、材料等价格上涨因素,已在合同单价中予以考虑,不再调价,风险自负。4.税费:合同内增值税由乙方开具增值税专用发票,甲方承担相应税费,增值税税率为3%;乙方个人所得税由乙方承担,如当地政府追缴税费甲方可代扣代缴;资源指标考核奖励,由乙方承担相应税费并开具增值税专用发票。5.砂石料混料指不分级配,用于路面填筑或路基基底填筑混合料。6.生产碎石,砂其中的附属产品:石粉,按甲方需求数量进行3分部分项单价分析表工程项目名称碎石加工生产单位:m3序号工、料、机名称单位单价数量合价计算过程及依据一人工费元51人工费工日515二材料费元71其他材料元347三机械费元1713860振动给料机台班3132鄂式破碎机台班4143反击式破碎机台班5154输送带、电机、滚筒台班212挖机台班313四管理费及其他元501%0.5五利润元501%0.5合计元30分部分项单价分析表4工程项目名称砂加工生产单位:m3序号工、料、机名称单位单价数量合价计算过程及依据一人工费元11人工费工日55二材料费元91其他材料元459三机械费元171Vsi-600制砂机台班6162Sv-700振动筛台班7173输送带、电机、滚筒台班414四管理费及其他元501%0.5五利润元501%0.5合计元32分部分项单价分析表工程项目名称路基拌合料(石粉)单位:m3序号工、料、机名称单位单价数量合价计算过程及依据5一人工费元51人工费工日515二材料费元71其他材料元3.527三机械费元171鄂式破碎机台班4142石粉粉磨机台班4283输送带、电机、滚筒台班222四管理费及其他元501%0.5五利润元501%0.5合计元306法定代表人身份证明投标人名称:武汉市龙洋市建筑劳务有限公司单位性质:有限责任公司地址:武汉市江夏区大桥新区豹山村十一组3号成立时间:2007年8月17日经营期限:2007年8月17日至2022年8月16日姓名...

1、当您付费下载文档后,您只拥有了使用权限,并不意味着购买了版权,文档只能用于自身使用,不得用于其他商业用途(如 [转卖]进行直接盈利或[编辑后售卖]进行间接盈利)。
2、本站所有内容均由合作方或网友上传,本站不对文档的完整性、权威性及其观点立场正确性做任何保证或承诺!文档内容仅供研究参考,付费前请自行鉴别。
3、如文档内容存在违规,或者侵犯商业秘密、侵犯著作权等,请点击“违规举报”。

碎片内容

万洋高速3标砂石料加工投标文件-最终(1)

确认删除?
VIP
微信客服
  • 扫码咨询
会员Q群
  • 会员专属群点击这里加入QQ群
客服邮箱
回到顶部