电脑桌面
添加小米粒文库到电脑桌面
安装后可以在桌面快捷访问

中建系统悬挑式外脚手架专项施工方案解析VIP专享VIP免费

中建系统悬挑式外脚手架专项施工方案解析_第1页
1/30
中建系统悬挑式外脚手架专项施工方案解析_第2页
2/30
中建系统悬挑式外脚手架专项施工方案解析_第3页
3/30
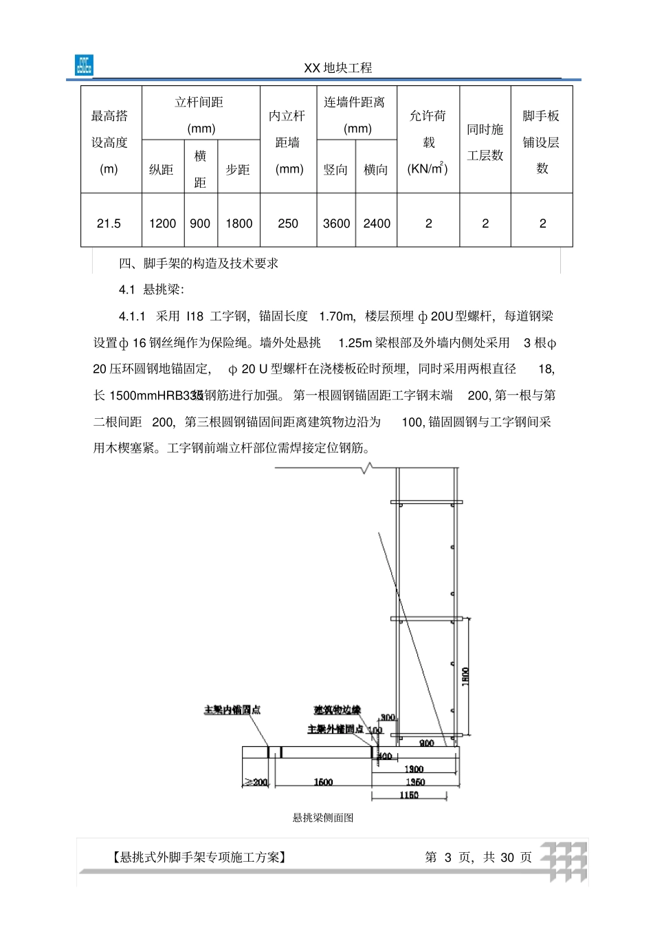
XX地块工程【悬挑式外脚手架专项施工方案】第1页,共30页目录一、编制依据...............................................................................................2二、工程概况...............................................................................................2三、施工部署...............................................................................................2四、脚手架的构造及技术要求..................................................................3五、脚手架的搭设和拆除施工工艺..........................................................8六、质量保证措施.......................................................................................9七、安全文明施工保证措施.....................................................................12附件:型钢悬挑外架计算书.....................................................................15XX地块工程【悬挑式外脚手架专项施工方案】第2页,共30页一、编制依据序号名称编号/备注1《建筑施工扣件式钢管脚手架安全技术规范》JGJ130-20112《钢管脚手架扣件》GB15831-20063《建筑施工计算手册》江正荣著中国建筑工业出版社;4《建筑施工手册》(第四版)中国建筑工业出版社5《建筑结构荷载规范》GB50009-20126《建筑施工安全检查标准》JGJ59-20117《建筑施工高处作业安全技术规范》JGJ80-918《危险性较大的分部分项工程管理办法》建质[2009]87号文9XX工程施工组织设计10XX施工图纸11XX政府有关文件和规定二、工程概况XX工程位于XX,。工程包括两栋写字楼及裙房,总建筑面积XX。本方案主要针对1#、2#两栋塔楼5-23层(裙楼1-2层及3-4层采用落地式脚手架),塔楼平面形式规则,结构形式简单,故选用悬挑式外脚手架形式进行施工。三、施工部署3.1脚手架类型的选择本工程地下室2层、地上4层已编写了落地式《外脚手架专项施工方案》,本脚手架施工方案是针对本工程主体结构施工和外装修施工用外防护架5-23层编制的,塔楼标准层层高为4.0m,最大悬挑层数不超过5层,共设置4个悬挑层,在塔楼4层顶(19.400m)、9层顶(39.400m)、14层顶(59.400m)、19层顶(79.400m)板上架立型钢作为脚手架支撑。3.2主要技术参数3.2.1悬挑脚手架计算技术参数XX地块工程【悬挑式外脚手架专项施工方案】第3页,共30页最高搭设高度(m)立杆间距(mm)内立杆距墙(mm)连墙件距离(mm)允许荷载(KN/m2)同时施工层数脚手板铺设层数纵距横距步距竖向横向21.51200900180025036002400222四、脚手架的构造及技术要求4.1悬挑梁:4.1.1采用I18工字钢,锚固长度1.70m,楼层预埋ф20U型螺杆,每道钢梁设置ф16钢丝绳作为保险绳。墙外处悬挑1.25m梁根部及外墙内侧处采用3根φ20压环圆钢地锚固定,φ20U型螺杆在浇楼板砼时预埋,同时采用两根直径18,长1500mmHRB335级钢筋进行加强。第一根圆钢锚固距工字钢末端200,第一根与第二根间距200,第三根圆钢锚固间距离建筑物边沿为100,锚固圆钢与工字钢间采用木楔塞紧。工字钢前端立杆部位需焊接定位钢筋。悬挑梁侧面图XX地块工程【悬挑式外脚手架专项施工方案】第4页,共30页脚手架预埋U型压环示意图4.1.2定距定位:放样悬挑梁位置并做好标记。悬挑梁必须保证有足够的锚固强度和截面抗屈曲能力,悬挑长度应按设计确定。普通主梁悬挑时,立杆直接支承在悬挑梁上,水平悬挑梁的纵向间距与上部脚手架立杆的纵向间距相同;上部脚手架立杆与挑梁支承结构应有可靠的定位连接措施,以确保上部架体的稳定。通常采用在挑梁或纵向联粱上焊接150-200mm、外径Φ40mm的钢管或外径Φ25mm的钢筋,立杆套在其外,并同时在立杆下部设置扫地杆。4.1.3阳角处理:槽钢【16φ20压环圆钢地锚固定工字钢I18XX地块工程【悬挑式外脚手架专项施工方案】第5页,共30页槽钢【16工字钢I1816斜拉钢丝绳限位钢筋20可调U型拖φ20压环圆钢地锚可调U型拖16斜拉钢丝绳φ20压环圆钢地锚工字钢I18限位钢筋20XX地块工程【悬挑式外脚手架专项施工方案】第6页,共30页悬挑外架搭设阳角处,如“平面...

1、当您付费下载文档后,您只拥有了使用权限,并不意味着购买了版权,文档只能用于自身使用,不得用于其他商业用途(如 [转卖]进行直接盈利或[编辑后售卖]进行间接盈利)。
2、本站所有内容均由合作方或网友上传,本站不对文档的完整性、权威性及其观点立场正确性做任何保证或承诺!文档内容仅供研究参考,付费前请自行鉴别。
3、如文档内容存在违规,或者侵犯商业秘密、侵犯著作权等,请点击“违规举报”。

碎片内容

中建系统悬挑式外脚手架专项施工方案解析

爱的疯狂+ 关注
实名认证
内容提供者

该用户很懒,什么也没介绍

确认删除?
VIP
微信客服
  • 扫码咨询
会员Q群
  • 会员专属群点击这里加入QQ群
客服邮箱
回到顶部