电脑桌面
添加小米粒文库到电脑桌面
安装后可以在桌面快捷访问

临考算例年月VIP免费

临考算例年月_第1页
1/9
临考算例年月_第2页
2/9
临考算例年月_第3页
3/9
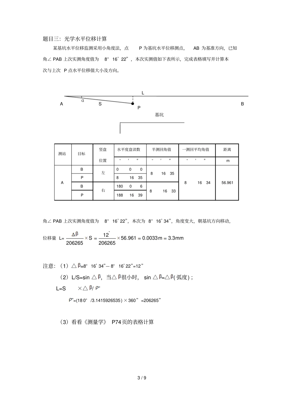
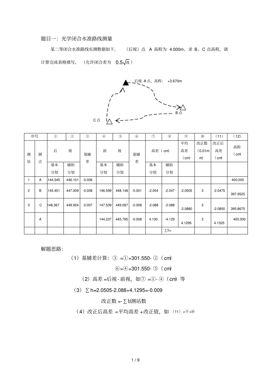
1/9题目一:光学闭合水准路线测量某二等闭合水准路线实测数据如下,(后视)点A高程为4.000m,求B、C点高程,请计算完成表格填写。(允许闭合差为0.5n)解题思路:(1)基辅差计算:③=①+301.550-②(cm)⑥=④+301.550-⑤(cm)(2)高差=后视-前视,如⑦=①-④(cm)等(3)∑h=-2.0505-2.088+4.1295=-0.009改正数=-∑h/测站数(4)改正后高差=平均高差+改正值,如(11)=⑨+⑩序号①②③④⑤⑥⑦⑧⑨⑩(11)(12)测站测点后视基辅差前视基辅差高差(cm)平均高差(cm)改正数(0.01mm)改正后高差(cm)高程(cm)基本分划辅助分划基本分划辅助分划基本分划辅助分划1A144.545446.101-0.006400.0002B145.451447.009-0.008146.599448.148-0.001-2.054-2.047-2.05053-2.0475397.95253C148.367449.924-0.007147.539449.097-0.008-2.088-2.088-2.08803-2.0850395.8675A144.237445.795-0.0084.130-4.1294.129534.1325400.000∑h=C点B点后视A点,高程:+3.670m2/9题目二:光学附合水准测量某附合水准路线观测成果如下,A、E两点高程已知,分别是45.286m和49.576m,测点B、C、D三点待求高程,测段高差和测段长度分别如图表所示,请计算并完成表格填写。(普通水准测量允许的高差闭合差规定为fh允=±40Lmm)点号距离(km)测段观测高差(m)高差改正值(m)改正后高差(m)高程(m)A45.2861.92.328-0.0092.319B47.6052.32.811-0.0112.800C50.4051.6-2.241-0.008-2.249D48.1562.61.432-0.0121.420E49.576∑8.44.330-0.0404.290解题思路:(1)埋h=HE-HA=49.576-45.286=4.29(2)fh=h-埋h=+4.33-4.29=+0.040=+40mm(3)fh允=±40L=±404.8=±115.93mm>fh=+40mm(4)每公里路线高差改正值=-fh/L=40/8.4=4.75mm/kmA点B点D点E点2.3km1.9km1.6km2.6km+2.328m+2.811m-2.241m+1.432mC点Ha=45.286mHe=49.5763/9题目三:光学水平位移计算某基坑水平位移监测采用小角度法,点P为基坑水平位移测点,AB为基准方向,已知角∠PAB上次实测角度值为8°16’22”,本次实测值如下表所示,完成表格填写并计算本次与上次P点水平位移值大小及方向。测站目标竖盘水平度盘读数半测回角值一测回平均角值距离位置°′″°′″°′″mAB左000816358163456.961P81635B右1800681633P1881639角∠PAB上次实测角度值为8°16’22”,本次为8°16’34”,角度变大,朝基坑方向移动,位移量L=mmmS3.30033.0961.5620626512206265"注意:(1)△=8°16’34”—8°16’22”=12”(2)L/S=sin△,当△很小时,sin△=△(弧度);L=S×△/””=(180°/3.1415926535)×360”=206265”(3)看看《测量学》P74页的表格计算ABPLαS基坑4/9题目四:测斜计算以下数据为一深5.0m测斜管实测数据,请以管底为基准(管底稳定)进行计算完成表格(已知测斜仪δ=(A0-A180)×0.01(mm))深度A0A180δ(mm)Δ(mm)备注0.00.596.110.532-270.755.521.039-360.614.771.529-320.724.162.036-360.503.442.521-290.682.943.038-300.752.263.539-360.531.514.025-280.460.984.519-270.520.525.028-2400题目五:测斜计算以下数据为一深5.0m测斜管实测数据,请以管口为基准(管底不稳定)进行计算完成表格(已知测斜仪δ=(A0-A180)×0.01(mm),由全站仪测得管口位移2.11mm。)深度A0A180δ(mm)Δ(mm)备注0.02.110.532-270.592.701.039-360.753.451.529-320.614.062.036-360.724.782.521-290.55.283.038-300.685.963.539-360.756.714.025-280.537.244.519-270.467.705.028-240.528.22注意:(1)测斜数据自管底向管口计算时,最下面(5.0m)测得A0和A180数据计算所得δ值应为4.5m处位移量,其余向上依次类推;(2)测斜数据自管口向管底计算时,最上面(0.5m)测得A0和A180数据计算所得δ值应为0.5m处位移量,其余向下依次类推;5/9题目六:支撑轴力计算(混凝土支撑)某基坑开挖深度8.00m,设两层支撑,第一层为钢筋混凝土支撑,支撑断面尺寸为1000mm×800mm,混凝土等级C30,主筋配筋为20Φ25,HRB335级钢筋;第二层为钢支撑,型号Φ609,壁厚16mm,Q235A钢材。每层支撑设10个监测断面,第一层支撑每个监测断面布设4个Φ25钢筋计,第二层支撑...

1、当您付费下载文档后,您只拥有了使用权限,并不意味着购买了版权,文档只能用于自身使用,不得用于其他商业用途(如 [转卖]进行直接盈利或[编辑后售卖]进行间接盈利)。
2、本站所有内容均由合作方或网友上传,本站不对文档的完整性、权威性及其观点立场正确性做任何保证或承诺!文档内容仅供研究参考,付费前请自行鉴别。
3、如文档内容存在违规,或者侵犯商业秘密、侵犯著作权等,请点击“违规举报”。

碎片内容

临考算例年月

您可能关注的文档

文库当当响+ 关注
实名认证
内容提供者

该用户很懒,什么也没介绍

确认删除?
VIP
微信客服
  • 扫码咨询
会员Q群
  • 会员专属群点击这里加入QQ群
客服邮箱
回到顶部