电脑桌面
添加小米粒文库到电脑桌面
安装后可以在桌面快捷访问

主动防护网技术交底52242VIP免费

主动防护网技术交底52242_第1页
1/8
主动防护网技术交底52242_第2页
2/8
主动防护网技术交底52242_第3页
3/8
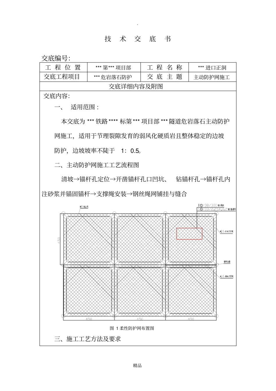
.精品技术交底书交底编号:工程位置***第***项目部工程名称***进口正洞交底工程项目***危岩落石防护交底主题主动防护网施工交底详细内容及附图交底内容:一、适用范围:本交底为***铁路****标第***项目部***隧道危岩落石主动防护网施工,适用于节理裂隙发育的弱风化硬质岩且整体稳定的边坡防护,边坡坡率不陡于1:0.5。二、主动防护网施工工艺流程图清坡→锚杆孔定位→开凿锚杆孔口凹坑、钻锚杆孔→锚杆孔内注砂浆并锚固锚杆→支撑绳安装→钢丝绳网铺挂与缝合图1柔性防护网布置图三、施工工艺方法及要求.精品1、清坡自上而下彻底清理坡面,将坡面防护区域内威胁施工安全的浮土及浮石清除,对不利于施工安装和影响系统安装后正常功能发挥的局部地形(局部堆积体和凸起体等)进行适当修整加固,避免施工中落石伤人。2、锚杆孔定位按设计的位置结合现场实际地形对锚杆孔位进行放线测量定位,由于坡面的起伏,依据地形条件,孔间距可有0.3m的调整量,否则,支撑绳和防护网可能连接不上。3、开凿锚杆孔口凹坑、钻锚杆孔锚杆孔定位以后,先在每一个孔位处开凿一个深度部小于锚杆外露环套长度的凹坑,一般口径20cm,深20cm,使系统安装后尽可能紧贴坡面。再按锚杆设计长度(单根长3m)垂直边坡岩面钻出锚杆孔,按设计深度钻凿锚杆孔并清孔,孔深应比设计锚杆长度长5cm以上,孔径不小于Φ42mm。当受凿岩设备限制时,构成每根锚杆的两股钢绳可分别锚入两个孔径不小于Φ35mm的锚孔内,形成人字形锚杆,两股钢绳间夹角为15o~30o,以达到同样的锚固效果。4、锚杆孔内注砂浆并锚固锚杆钻孔后,由孔底注浆并插入锚杆(锚杆外露环套顶端不能高出地表,且环套段不能注浆,以确保支撑绳张拉后尽可能紧贴地表),一般环境下采用M35水泥砂浆,化学侵蚀环境下,根据环境作用等级注浆材料选用M35水泥砂浆或水泥浆,并按耐腐蚀相关规范要求.精品掺入水泥重量一定比例的粉煤灰。注浆时,应确保.精品所用砂浆标号满足设计要求且孔内浆液饱满。砂浆应搅拌均匀,随拌随用,一次搅拌的砂浆应在初凝前用完,并严防石块、杂物混入。锚杆插入后应居中固定,杆体外露部分应避免敲击、碰撞,等砂浆强度达到要求后再挂网。注浆过程中若漏浆现象严重,则采用封堵措施及间歇多次注浆法,每次注浆管口均需置于前次注浆砂浆所达顶面,以保证注浆饱满,砂浆初凝收缩后,应进行补浆。灌浆完成28h内不得敲击和碰撞锚杆,锚杆固定后至少养护3天。锚杆长度大于3m时,注浆宜采用机械注浆。图1断面示意图及大样图5、支撑绳安装纵、横向支撑绳(Φ16mm)应穿过沿程各锚杆的外露鸡芯环套,形成纵横交错的网格。支撑绳两端固定前应张紧,支撑绳张拉紧后两端各用2~4个绳卡将支撑绳卡死固定,.精品固定后绳端应保留长度不小于20cm的自由尾绳。6、钢丝绳网铺挂与缝合在各挂网单元内从上向下铺设钢丝绳网并缝合,由纵横交错的Φ16mm张拉绳与钢丝绳锚杆(按4.5X4.5m正方形布置)相联结并进行预张拉而构成的每个4.5X4.5m网格内,从上向下铺设一张4X4m型钢丝绳网,每张钢丝绳网均用一根长约31m或27m的Φ8mm缝合绳将钢丝绳网与支撑绳或相邻网块边沿进行缝合连接并张紧,缝合绳两端头宜叠置不小于0.5m的长度,两绳端各用两个绳卡与锚杆外露环套进行固定联结并拉紧,从而提高表层岩土体的稳定性,尽可能的阻止崩塌落石的发生。边坡岩层破碎、松散时,钢绳锚杆可加长。同时在钢丝绳网下从上向下铺挂网孔为50mmX50mm的钢丝格栅网,格栅间重叠宽度不小于5cm,两张钢丝格栅间的缝合以及与张拉绳间用Φ1.2mm铁丝按1m间距进行扎结,以阻止小尺寸岩块的塌落。四、安全措施及文明施工:1、为保证施工安全,开挖一级边坡,必须立即施作一级挂柔性防护网护坡,待护坡达到设计要求后方可进行下一级边坡开挖。施工成型后应加强对边坡加固的养护,加强对防护网的大修检查。2、现场临时配电箱采用统一铁制配电箱加工定做,固定式配电箱、开关箱的下底与地面的距离大于1.3m,小于1.5m,其设置地点平坦并高出地面20cm,并且周围设置围栏及搭设防雨防砸棚。并在围栏上悬挂安全标志。配电箱内设置两级漏电保护,考虑到在总配箱装设.精品总漏电保护器,容易产生误动作...

1、当您付费下载文档后,您只拥有了使用权限,并不意味着购买了版权,文档只能用于自身使用,不得用于其他商业用途(如 [转卖]进行直接盈利或[编辑后售卖]进行间接盈利)。
2、本站所有内容均由合作方或网友上传,本站不对文档的完整性、权威性及其观点立场正确性做任何保证或承诺!文档内容仅供研究参考,付费前请自行鉴别。
3、如文档内容存在违规,或者侵犯商业秘密、侵犯著作权等,请点击“违规举报”。

碎片内容

主动防护网技术交底52242

您可能关注的文档

确认删除?
VIP
微信客服
  • 扫码咨询
会员Q群
  • 会员专属群点击这里加入QQ群
客服邮箱
回到顶部