电脑桌面
添加小米粒文库到电脑桌面
安装后可以在桌面快捷访问

中考物理临考考点必杀专练 专题02 选择题试卷VIP免费

中考物理临考考点必杀专练 专题02 选择题试卷_第1页
1/119
中考物理临考考点必杀专练 专题02 选择题试卷_第2页
2/119
中考物理临考考点必杀专练 专题02 选择题试卷_第3页
3/119
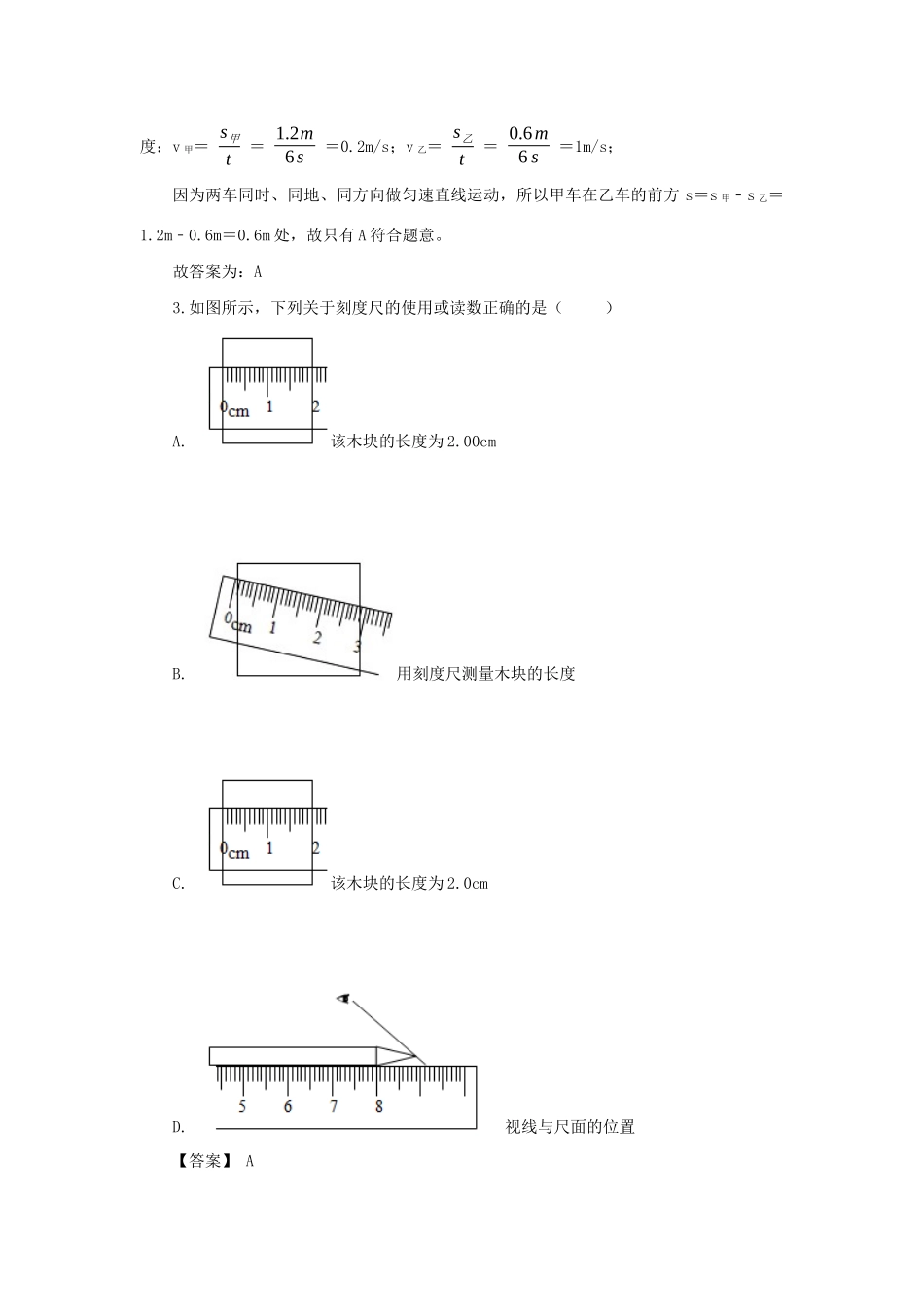
专题02选择题一、机械运动1.如图所示,是国庆阅兵时护旗方队经过天安门城楼的情景。我们看到鲜艳的五星红旗匀速前进,所选的参照物是()A.护旗队员B.五星红旗C.天安门城楼D.同速行进的其他方队【答案】C【解析】鲜艳的五星红旗匀速前进,红旗与护旗队员、同速行进的其他方队,没有位置的变化,所以红旗是静止的;红旗不能以自己为参照物;红旗和天安门城楼有位置的变化,以天安门城楼为参照物,红旗是运动的,C符合题意。故答案为:C。2.甲、乙两小车同时同地同方向做匀速直线运动,它们的s﹣t图象如图所示。经过6秒,两车的位置关系是()A.甲在乙前面0.6米处B.甲在乙前面1.2米处C.乙在甲前面0.6米处D.乙在甲前面1.2米处【答案】A【解析】由图可知经过6s,甲乙两车的路程分别是s甲=1.2m,s乙=0.6m,则甲的速度:v甲=s甲t=1.2m6s=0.2m/s;v乙=s乙t=0.6m6s=1m/s;因为两车同时、同地、同方向做匀速直线运动,所以甲车在乙车的前方s=s甲﹣s乙=1.2m﹣0.6m=0.6m处,故只有A符合题意。故答案为:A3.如图所示,下列关于刻度尺的使用或读数正确的是()A.该木块的长度为2.00cmB.用刻度尺测量木块的长度C.该木块的长度为2.0cmD.视线与尺面的位置【答案】A【解析】图中刻度尺的分度值是1mm,读数为2.00cm,估读到分度值的下一位,A符合题意。B、图中刻度尺倾斜了,没有放正,B不符合题意;C、图中刻度尺在使用时,刻度尺边缘对齐被测对象,并放正重合;刻度尺的分度值是1mm,读数为2.0cm,没有估读到分度值的下一位,C不符合题意;D、图中视线未与刻度尺的尺面垂直,D不符合题意。故答案为:A。4.如图所示是我国具有完全自主知识产权的“和谐号”动车组列车。其标准时速为350km/h,该速度更接近于()A.50m/sB.100m/sC.150m/sD.200m/s【答案】B【解析】因为1km/h=13.6m/s,所以,350km/h=350×13.6m/s≈97.2m/s,与100m/s接近;ACD不符合题意,B符合题意。故答案为:B。5.用图象可以表示物体的运动规律,在下图中可以表示匀速直线运动的是()A.B.C.D.【答案】C【解析】匀速直线运动,在路程-时间图像中,是正比例图像,在速度-时间图像中,是水平的直线,C符合题意。故答案为:C.6.我们生活在一个运动的世界中,白云在空中飘荡、小河在静静地流淌、鸟儿在蓝天上翱翔……人与鸟“比翼齐飞”,令人惊奇和感动。静止在地面上的观众看滑翔者和鸟都飞得很快,滑翔者看鸟也飞得这样快吗?在人与鸟“比翼齐飞”时,下列说法正确的是()A.以地面为参照物,滑翔者是静止的B.以地面为参照物,鸟的速度为0C.以滑翔者为参照物,鸟是静止的D.滑翔者看鸟飞得更快【答案】C【解析】A、以地面为参照物,滑翔者与地面之间不断发生位置变化,所以是运动的A不符合题意;B、以地面为参照物,鸟与地面之间不断发生位置变化,所以是运动的,故鸟的速度不为0,B不符合题意;C、人与鸟“比翼齐飞”,以滑翔者为参照物,鸟与滑翔者之间没有位置变化,所以是静止的。C符合题意;D、人与鸟“比翼齐飞”,滑翔者以鸟或自己为参照物,鸟与滑翔者之间均没有位置变化,所以二者是相对静止的,故滑翔者看鸟飞得与自己一样快。D不符合题意。故答案为:C。7.测量工具并不是精度越高越好,要根据测量的要求选择合适的测量工具。小杰要测量教室黑板的宽度,使用下图中的哪一把刻度尺最好?()A.钢尺B.三角板C.钢卷尺D.游标卡尺【答案】C【解析】黑板的长度约4m左右,钢尺、三角板、游标卡尺的量程都比较小,不适合测量;而钢卷尺的量程在三四米左右,适合测量黑板的长度。故答案为:C。8.下列四图分别表示测量物理课本一张纸厚度、硬币直径、铜丝直径、海底深度的方法,其中测量原理相同的是()A.甲、乙、丙B.甲、丁C.乙、丁D.甲、丙【答案】D【解析】甲、物理课本一张纸的厚度小于刻度尺的分度值,先测物理课本的厚度,再除以物理课本纸的张数,就可测出一张纸厚度,采用的方法为累积法;乙、由于硬币直径的两端点位置不易确定,因此不能用刻度尺直接测量,需要借助于三角板或桌面将待测硬币卡住,把不可直接测量的长度转移到刻度尺上,采用的方法是卡测法;丙:铜丝直径很小,无法直接测量,把铜丝紧密的绕在...

1、当您付费下载文档后,您只拥有了使用权限,并不意味着购买了版权,文档只能用于自身使用,不得用于其他商业用途(如 [转卖]进行直接盈利或[编辑后售卖]进行间接盈利)。
2、本站所有内容均由合作方或网友上传,本站不对文档的完整性、权威性及其观点立场正确性做任何保证或承诺!文档内容仅供研究参考,付费前请自行鉴别。
3、如文档内容存在违规,或者侵犯商业秘密、侵犯著作权等,请点击“违规举报”。

碎片内容

中考物理临考考点必杀专练 专题02 选择题试卷

您可能关注的文档

;绿洲书城+ 关注
实名认证
内容提供者

从事历史教学,热爱教育,高度负责。

相关文档

确认删除?
VIP
微信客服
  • 扫码咨询
会员Q群
  • 会员专属群点击这里加入QQ群
客服邮箱
回到顶部