电脑桌面
添加小米粒文库到电脑桌面
安装后可以在桌面快捷访问

有限空间作业管理表 (2)VIP免费

有限空间作业管理表 (2)_第1页
1/4
有限空间作业管理表 (2)_第2页
2/4
有限空间作业管理表 (2)_第3页
3/4
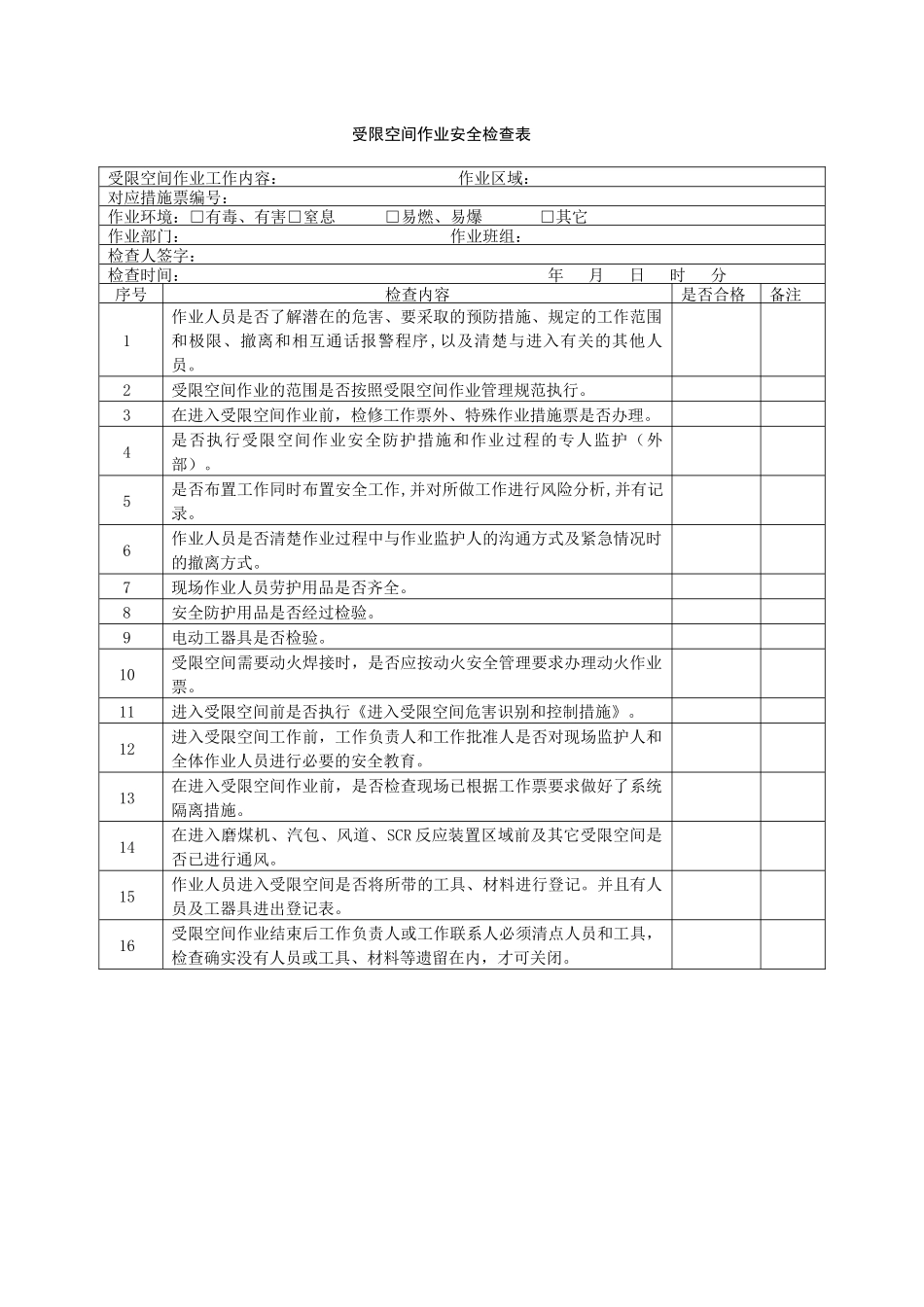
附录A受限空间风险预控清单序号受限空间名称地点类型*存在风险风险预控措施备注注:受限空间分类:1.密闭设备:如大型变压器、气体绝缘金属封闭开关设备、化学品罐/箱、锅炉、船舱、凝汽器、除氧器、压力容器、管道、烟道、除尘器、脱硫塔等2.地下有限空间:如地下管道、地下工程、电缆隧道、电缆沟/井、涵洞、廊道、地下室/仓库、基坑/井、污水池/井;3.地上有限空间:如料仓、煤粉仓、原煤仓、粉煤粉仓、垃圾站、冷库、六氟化硫变配电装置室、电缆夹层、烟道等。受限空间作业安全检查表受限空间作业工作内容:作业区域:对应措施票编号:作业环境:□有毒、有害□窒息□易燃、易爆□其它作业部门:作业班组:检查人签字:检查时间:年月日时分序号检查内容是否合格备注1作业人员是否了解潜在的危害、要采取的预防措施、规定的工作范围和极限、撤离和相互通话报警程序,以及清楚与进入有关的其他人员。2受限空间作业的范围是否按照受限空间作业管理规范执行。3在进入受限空间作业前,检修工作票外、特殊作业措施票是否办理。4是否执行受限空间作业安全防护措施和作业过程的专人监护(外部)。5是否布置工作同时布置安全工作,并对所做工作进行风险分析,并有记录。6作业人员是否清楚作业过程中与作业监护人的沟通方式及紧急情况时的撤离方式。7现场作业人员劳护用品是否齐全。8安全防护用品是否经过检验。9电动工器具是否检验。10受限空间需要动火焊接时,是否应按动火安全管理要求办理动火作业票。11进入受限空间前是否执行《进入受限空间危害识别和控制措施》。12进入受限空间工作前,工作负责人和工作批准人是否对现场监护人和全体作业人员进行必要的安全教育。13在进入受限空间作业前,是否检查现场已根据工作票要求做好了系统隔离措施。14在进入磨煤机、汽包、风道、SCR反应装置区域前及其它受限空间是否已进行通风。15作业人员进入受限空间是否将所带的工具、材料进行登记。并且有人员及工器具进出登记表。16受限空间作业结束后工作负责人或工作联系人必须清点人员和工具,检查确实没有人员或工具、材料等遗留在内,才可关闭。受限空间出入登记表设备名称:监护人:进入人员姓名进入时间带入的工具或材料数量出来时间带出的工具或材料数量备注

1、当您付费下载文档后,您只拥有了使用权限,并不意味着购买了版权,文档只能用于自身使用,不得用于其他商业用途(如 [转卖]进行直接盈利或[编辑后售卖]进行间接盈利)。
2、本站所有内容均由合作方或网友上传,本站不对文档的完整性、权威性及其观点立场正确性做任何保证或承诺!文档内容仅供研究参考,付费前请自行鉴别。
3、如文档内容存在违规,或者侵犯商业秘密、侵犯著作权等,请点击“违规举报”。

碎片内容

有限空间作业管理表 (2)

确认删除?
VIP
微信客服
  • 扫码咨询
会员Q群
  • 会员专属群点击这里加入QQ群
客服邮箱
回到顶部