电脑桌面
添加小米粒文库到电脑桌面
安装后可以在桌面快捷访问

第9章电与磁VIP免费

第9章电与磁_第1页
1/6
第9章电与磁_第2页
2/6
第9章电与磁_第3页
3/6
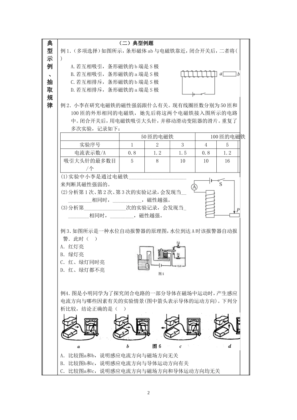
第九章电与磁授课人:授课日期:课题《电与磁》单元复习课型复习课学习目标1.掌握磁极间的作用规律,知道常见磁体的磁场分布,会画磁体周围的磁感线。2.能运用安培定则判断通电螺线管的极性。3.知道影响电磁铁磁性强弱的因素,掌握电磁铁在电磁继电器等方面的应用。4.领悟电动机的工作原理及换向器的作用。5.知道电磁感应现象是发电机的原理。重点磁场、磁感线、发电机难点运用安培定则判断通电螺线管的极性;画磁感线。学具环节复习过程教师知识梳理、基础巩固知识及方法回顾,填写相关内容。填写完毕后小组互批,错误及遗忘的知识强化记忆。1电与磁磁现象磁极间的作用规律:同名磁极互相____,异名磁极互相___磁化:一些物体在____或____的作用下获得___的现象。磁场:基本性质是―――只对放入磁场中的___产生磁力作用;某点的磁场方向―――用小磁针静止时__极所指的方向确定。磁感线:在磁体外部,磁感线从从磁体__极出发,回到__极。电生磁奥斯特实验:说明通电导线的周围有____,该磁场的方向与_____有关。(电流的___效应)通电螺线管:其两端相当于___磁体的两个极,极性可用____判断。电磁铁:影响磁性强弱的因素有______、_____、_________。电磁继电器是利用____来控制工作电路的开关。电动机:原理是利用______在____里受力而___。换向器的作用是当线圈刚转过___位置,立即改变线圈中电流的___,从而改变线圈受力的___,使线圈连续转下去。电动机工作时将___能转化为____能。电磁感应:这一现象是____最早发现的。当___电路的一部分导体在磁场中做_____运动时,导体中就会产生感应电流。感应电流的方向与_________和_______有关。发电机:原理是________。工作时将___能转化为___能。发电机线圈中产生的一定是___电,而对外输出的可能是___电,也可能是___电。磁生电典型示例、抽取规律(二)典型例题例1.(多项选择)如图所示,条形磁体ab与电磁铁靠近,闭合开关后,二者将()A.若互相吸引,条形磁铁的b端是S极B.若互相吸引,条形磁铁的a端是S极C.若互相排斥,条形磁铁的b端是S极D.若互相排斥,条形磁铁的a端是S极例2.小李在研究电磁铁的磁性强弱跟什么有关。现有线圈匝数分别为50匝和100匝的外形相同的电磁铁,她先后将这两个电磁铁接入图所示的电路中。闭合开关后,用电磁铁吸引大头针,并移动滑动变阻器的滑片。重复了多次实验,记录如下:50匝的电磁铁100匝的电磁铁实验序号12345电流表示数/A0.81.21.50.81.2吸引大头针的最多数目/个58101016(1)实验中小李是通过电磁铁______________________来判断其磁性强弱的。(2)分析第1次、第2次、第3次的实验记录,会发现当___________相同时,___________,磁性越强。(3)分析第________________次的实验记录,会发现当_________相同时,_________,磁性越强。例3.如图所示是一种水位自动报警器的原理图,水位到达A时该报警器自动报警.此时()A.红灯亮B.绿灯亮C.红、绿灯同时亮D.红、绿灯都不亮例4.图是小明同学为了探究闭合电路的一部分导体在磁场中运动时,产生感应电流方向与哪些因素有关的实验情景(图中箭头表示导体的运动方向)。下列分析比较,结论正确的是()A.比较图a和b,说明感应电流方向与磁场方向无关B.比较图b和c,说明感应电流方向与导体运动方向有关C.比较图a和c,说明感应电流方向与磁场方向和导体运动方向均无关2D.由图d可得出结论:感应电流方向与导体是否运动无关例5.如图所示的四幅实验装置中,能反映发电机工作原理的是()例6.(2009·南昌)(多选题)如图8-4-8所示,下列实验仪器工作时,把电能转化为机械能的是()课堂小结本节课我的收获是:本节课我还有疑惑:3达标检测(三)提升检测1.如图所示,要使电磁铁的磁性最强,P应滑到_________,S应在_________点;要使电磁铁的磁性最弱,P应滑到_________,S应在_________点。2.如图所示是一种单元防盗门门锁的原理图。其工作过程是:当有人在楼下按门铃叫门时,楼...

1、当您付费下载文档后,您只拥有了使用权限,并不意味着购买了版权,文档只能用于自身使用,不得用于其他商业用途(如 [转卖]进行直接盈利或[编辑后售卖]进行间接盈利)。
2、本站所有内容均由合作方或网友上传,本站不对文档的完整性、权威性及其观点立场正确性做任何保证或承诺!文档内容仅供研究参考,付费前请自行鉴别。
3、如文档内容存在违规,或者侵犯商业秘密、侵犯著作权等,请点击“违规举报”。

碎片内容

第9章电与磁

您可能关注的文档

精品文库+ 关注
实名认证
内容提供者

中小学课件教案大全

相关标签

确认删除?
VIP
微信客服
  • 扫码咨询
会员Q群
  • 会员专属群点击这里加入QQ群
客服邮箱
回到顶部