电脑桌面
添加小米粒文库到电脑桌面
安装后可以在桌面快捷访问

市政工程试验检测频率执行标准汇总VIP免费

市政工程试验检测频率执行标准汇总_第1页
1/13
市政工程试验检测频率执行标准汇总_第2页
2/13
市政工程试验检测频率执行标准汇总_第3页
3/13
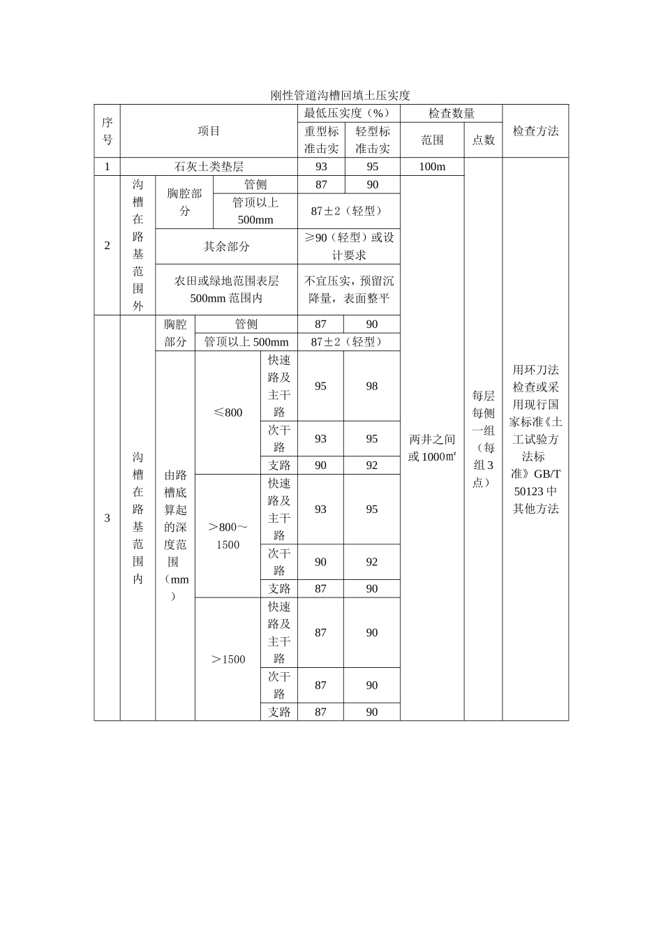
市政工程1、《城镇道路工程施工与质量验收规范》CJJ1-2008本规范适用于城镇新建、改建、扩建的道路及广场、停车场等工程的施工和质量检验、验收。原材料、半成品或成品的质量标准,凡本规范有规定者,应按照执行;无规定者,应按国家现行的有关标准执行。施工前,应根据工程地质勘查报告,对路基土进行天然含水量、液限、塑限、标准击实、CBR试验,必要时应做颗粒分析、有机质含量、易溶盐含量、冻膨胀和膨胀量等试验。(频率每次5000m3~1万m3)a路基(路床)压实度:每1000㎡、每压实层抽检3点;弯沉值:每车道、每20m测1点。人行道路床与基层压实度:每100m查2点;路肩压实度:每100m,每侧各抽检1点。b水泥稳定土类基层及底基层压实度:每1000㎡,每压实层抽查1点;7d无侧限抗压强度:每2000㎡抽检1组(6块);弯沉值:每车道、每20m测1点。砌筑砂浆:同一配合比砂浆,每50m3砌体中,作1组(6块),不足50m3按1组计。人行道砖铺筑用砂浆:同一配合比,每1000㎡1组(6块),不足1000㎡取1组。表6.3.9-2路基压实度标准填挖类型路床顶面以下深度(cm)道路类别压实度(%)(重型击实)检验频率检验方法范围点数挖方0~30城市快速路、主干路≥951000㎡每层3点环刀法、灌水法或灌砂法次干路≥93支路及其他小路≥90填方0~80城市快速路、主干路≥95次干路≥93支路及其他小路≥90>80~150城市快速路、主干路≥93次干路≥90支路及其他小路≥90>150城市快速路、主干路≥90次干路≥90支路及其他小路≥872、《城市桥梁工程施工与质量验收规范》CJJ2-2008本规范适用于一般地质条件下城市桥梁的新建、改建、扩建工程和大、中修维护工程的施工与质量验收。桥梁工程范围内的排水设施、挡土墙、引道等工程施工及验收应符合国家现行标准《城镇道路工程施工与质量验收规范》CJJ1-2008的有关规定。施工单位应根据施工文件的要求,依据国家现行标准的有关规定,做好原材料的检验、水泥混凝土的试配与有关量具、器具的检定工作。表5.3.1现浇结构拆除底模时的混凝土强度结构类型结构跨度(m)按设计混凝土强度标准值的百分率(%)板≤2502~875>8100梁、拱≤875>8100悬臂构件≤275>2100注:构件混凝土强度必须通过同条件养护的试件强度确定。钢筋进场时,必须按批抽取试件做力学性能和工艺性能试验,其质量必须符合国家现行的规定。检查数量:以同牌号、同炉号、同规格、同交货状态的钢筋,每60t为一批,不足60t也按一批计,每批抽检1次。当钢筋出现脆断、焊接性能不良或力学性能显著不正常等现象时,应对该批钢筋进行化学成分检验或其他专项检验。检验数量:该批钢筋全数检查。钢筋闪光对焊在同条件下经外观检查合格的焊接接头,以300个作为一批(不足300个,也应按一批计),从中切取6个试件,3个做拉伸试验,3个做冷弯试验。钢筋搭接焊在同条件下经外观检查合格的焊接接头,以300个作为一批(不足300个,也应按一批计),从中切取3个试件,做拉伸试验。钢筋机械连接在同条件下经外观检查合格的机械连接接头,以300个作为一批(不足300个,也应按一批计),从中抽取3个试件做单向拉伸试验。3、《给水排水管道工程施工及验收规范》GB50268-2008本规范适用于新建、扩建和改建城镇公共设施和工业企业的室外给排水管道工程的施工及验收;不适用于工业企业中具有特殊要求的给排水管道施工及验收。给排水管道工程所用的原材料、半成品、成品等产品的品种、规格、性能必须符合国家有关标准的规定和设计要求;接触饮用水的产品必须符合有关卫生要求。严禁使用国家明令淘汰、禁用的产品。给排水管道工程施工与验收,除应符合本规范的规定外,尚应符合国家现行有关标准的规定。a管道应在沟槽地基、管基质量检验合格后安装;安装时宜自下游开始,承口应朝向施工前进的方向。b硬聚乙烯管、聚乙烯管及其复合管安装:1采用承插式()接口时,宜人工布管且在沟槽内连接;槽深大于3m或管外径大于400mm的管道,宜用非金属绳索兜住管节下管;严禁将管节翻滚抛入槽中;2采用电熔、热熔接口时,宜在沟槽边上将管道分段连接后以弹性铺管法移入沟槽;移入沟槽时,管道表面不得有明显的划痕。c污水、雨污水合流管道及...

1、当您付费下载文档后,您只拥有了使用权限,并不意味着购买了版权,文档只能用于自身使用,不得用于其他商业用途(如 [转卖]进行直接盈利或[编辑后售卖]进行间接盈利)。
2、本站所有内容均由合作方或网友上传,本站不对文档的完整性、权威性及其观点立场正确性做任何保证或承诺!文档内容仅供研究参考,付费前请自行鉴别。
3、如文档内容存在违规,或者侵犯商业秘密、侵犯著作权等,请点击“违规举报”。

碎片内容

市政工程试验检测频率执行标准汇总

确认删除?
VIP
微信客服
  • 扫码咨询
会员Q群
  • 会员专属群点击这里加入QQ群
客服邮箱
回到顶部