电脑桌面
添加小米粒文库到电脑桌面
安装后可以在桌面快捷访问

群塔施工方案(已批,最新)VIP免费

群塔施工方案(已批,最新)_第1页
1/13
群塔施工方案(已批,最新)_第2页
2/13
群塔施工方案(已批,最新)_第3页
3/13
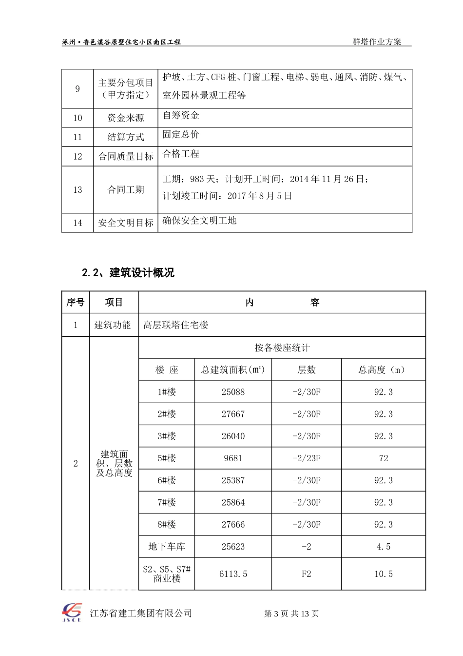
涿州·香邑溪谷原墅住宅小区南区工程群塔作业方案目录第一章、编制依据.............................................................................................21.1、施工组织设计...................................................................................21.2、塔吊施工方案...................................................................................21.3、施工图...............................................................................................21.4、主要规范、规程、标准...................................................................21.5、塔式起重机使用说明书...................................................................2第二章、工程概况.............................................................................................32.1、总体概况..............................................................................................32.2、建筑设计概况......................................................................................42.3、结构设计概况......................................................................................42.4、现场情况...........................................................................................5第三章、施工部署.............................................................................................53.1、技术准备...........................................................................................53.2、平面布置的原则...............................................................................53.3、组织及管理(组织机构图)...........................................................63.4、各种塔吊机械性能及参数...............................................................73.5、塔吊安装情况一览表.......................................................................8第四章、群塔顶升程序.....................................................................................94.1、塔吊顶升的程序...............................................................................9第五章、安全技术措施...................................................................................13第六章、群塔施工必须遵循的原则...............................................................14第七章、附图...................................................................................................15第一章、编制依据1.1、施工组织设计序号名称编号编制日期1总包单位施工组织设计/2014.101.2、塔吊施工方案序号名称编号编制日期1塔吊施工方案/2015.31.3、施工图1.3.1、香邑溪谷原墅住宅小区南区建筑施工图江苏省建工集团有限公司第1页共13页涿州·香邑溪谷原墅住宅小区南区工程群塔作业方案1.3.2、香邑溪谷原墅住宅小区南区结构施工图1.4、主要规范、规程、标准序号类别名称编号1国家塔式起重机安全规程GB5744-20062起重吊车指挥信号GB5082-853高处作业分级GB3608-20084起重机司机安全技术考核标准GB6720-865行业建筑机械使用安全技术规程JGJ33-20126施工现场临时用电安全技术规范JGJ46-20057建筑施工安全检查评分标准JGJ59-20111.5、塔式起重机使用说明书说明书分别为:QTZ5610、QTZ5013塔式起重机使用说明书。第二章、工程概况2.1、总体概况序号项目内容1工程名称香邑溪谷原墅住宅小区南区工程2工程地址河北省涿州市北环路北侧的官庄村内3建设单位涿州恒成房地产开发有限公司4设计单位北京希埃希建筑设计院5监理单位涿州市工程建设监理有限公司6质量监督单位涿州市质量监督站7施工单位江苏省建工集团有限公司8合同范围图纸范围内的全部内容:包括:结构、初装修、电气(强电)、弱电预埋预...

1、当您付费下载文档后,您只拥有了使用权限,并不意味着购买了版权,文档只能用于自身使用,不得用于其他商业用途(如 [转卖]进行直接盈利或[编辑后售卖]进行间接盈利)。
2、本站所有内容均由合作方或网友上传,本站不对文档的完整性、权威性及其观点立场正确性做任何保证或承诺!文档内容仅供研究参考,付费前请自行鉴别。
3、如文档内容存在违规,或者侵犯商业秘密、侵犯著作权等,请点击“违规举报”。

碎片内容

群塔施工方案(已批,最新)

确认删除?
VIP
微信客服
  • 扫码咨询
会员Q群
  • 会员专属群点击这里加入QQ群
客服邮箱
回到顶部