电脑桌面
添加小米粒文库到电脑桌面
安装后可以在桌面快捷访问

硫酸、硝酸和氨1VIP专享VIP免费

硫酸、硝酸和氨1_第1页
1/3
硫酸、硝酸和氨1_第2页
2/3
硫酸、硝酸和氨1_第3页
3/3
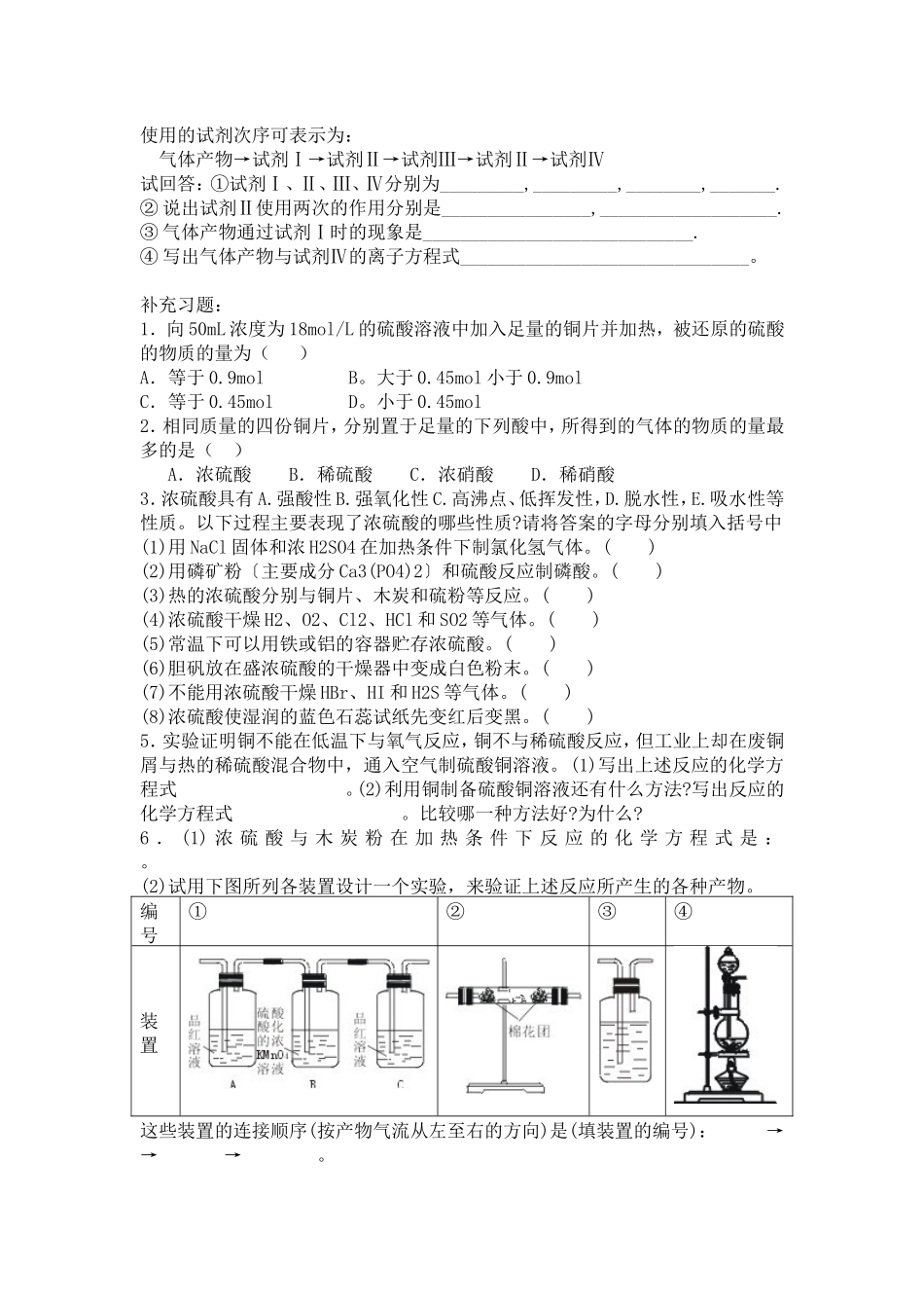
硫酸、硝酸和氨(1)一、教学目标【知识目标】浓硫酸和硝酸的氧化性、氨的化学性质。【能力目标】观察能力及实验动手能力、形成规律性认识和总结归纳的能力。【道德情感目标】1、重视对学生知识的建构能力的培养,让同学们理解知识结构由主干知识和基本知识构成,主干知识作支撑。2、重视环境教育,提倡环境保护的思想。二、重点与难点【重点】浓硫酸、硝酸的强氧化性,氨的化学性质。。【难点】浓硫酸、硝酸的强氧化性,氨的化学性质。。三、教学器材投影仪四、教学方法与过程:探究式教学,实验总结法[问题引课]:学生思考回答课本P84的【思考与交流1、2、3】。(1)它们都是酸,在水溶液中电离出H+,硫酸和硝酸是含氧酸,盐酸是无氧酸;硫酸是二元强酸,硝酸和盐酸是一元强酸……(2)在水溶液中都电离出氢离子。(3)从盐酸、稀硫酸是非氧化性酸,浓硫酸或硝酸是氧化性酸的角度加以讨论。一、硫酸和硝酸的氧化性[实验激趣]:结合教科书图4-27,以激发学生的兴趣。指出浓硫酸的脱水性和吸水性(实验中经常做干燥剂)。[实验演示]:演示【实验4-8】并投影下列思考题:(1)反应的条件是什么?(2)反应前后溶液及铜片有哪些变化?(3)实验发生后品红溶液(或紫色石蕊溶液)有何变化?由此得出什么结论?盛品红溶液试管口的棉花起什么作用?(该实验只有在持续加热时,才有稳定的SO2气流。浓硫酸与铜在加热时能发生反应,放出能使紫色石蕊溶液变红或使品红溶液褪色的气体。反应后生成物的水溶液显蓝色。)[讨论释疑]:浓硫酸、稀硫酸中溶质都是H2SO4,为什么与Cu反应的性质有如此大的差异?分析浓硫酸的强氧化性的实质。指出:浓硫酸、浓硝酸能与大多数金属反应,但都没有氢气生成;常温下,浓硫酸可使铁、铝等发生钝化。指出:浓硫酸不仅能够氧化大多数金属,还能够氧化非金属:如C、S、P等。C+2H2SO4(浓)≜CO2↑+2SO2↑+2H2O补充例题:红热的炭与浓硫酸可发生反应。现欲设计一个实验以验证此反应所生成的各种产物。(1)写出此反应的化学方程式:____________________________________(2)实验中可供使用的试剂有:浓硫酸、稀硫酸、澄清石灰水、NaOH溶液、Ba(OH)2溶液、品红溶液、紫色石蕊试液、溴水、酸性高锰酸钾溶液、无水硫酸铜固体、碱石灰和无水氯化钙固体。有一个同学按气体的流动方向设计了一个实验过程,其所使用的试剂次序可表示为:气体产物→试剂Ⅰ→试剂Ⅱ→试剂Ⅲ→试剂Ⅱ→试剂Ⅳ试回答:①试剂Ⅰ、Ⅱ、Ⅲ、Ⅳ分别为_________,_________,________,_______.②说出试剂Ⅱ使用两次的作用分别是________________,___________________.③气体产物通过试剂Ⅰ时的现象是_____________________________.④写出气体产物与试剂Ⅳ的离子方程式_______________________________。补充习题:1.向50mL浓度为18mol/L的硫酸溶液中加入足量的铜片并加热,被还原的硫酸的物质的量为()A.等于0.9molB。大于0.45mol小于0.9molC.等于0.45molD。小于0.45mol2.相同质量的四份铜片,分别置于足量的下列酸中,所得到的气体的物质的量最多的是()A.浓硫酸B.稀硫酸C.浓硝酸D.稀硝酸3.浓硫酸具有A.强酸性B.强氧化性C.高沸点、低挥发性,D.脱水性,E.吸水性等性质。以下过程主要表现了浓硫酸的哪些性质?请将答案的字母分别填入括号中(1)用NaCl固体和浓H2SO4在加热条件下制氯化氢气体。()(2)用磷矿粉〔主要成分Ca3(PO4)2〕和硫酸反应制磷酸。()(3)热的浓硫酸分别与铜片、木炭和硫粉等反应。()(4)浓硫酸干燥H2、O2、Cl2、HCl和SO2等气体。()(5)常温下可以用铁或铝的容器贮存浓硫酸。()(6)胆矾放在盛浓硫酸的干燥器中变成白色粉末。()(7)不能用浓硫酸干燥HBr、HI和H2S等气体。()(8)浓硫酸使湿润的蓝色石蕊试纸先变红后变黑。()5.实验证明铜不能在低温下与氧气反应,铜不与稀硫酸反应,但工业上却在废铜屑与热的稀硫酸混合物中,通入空气制硫酸铜溶液。(1)写出上述反应的化学方程式。(2)利用铜制备硫酸铜溶液还有什么方法?写出反应的化学方程式。比较哪一种方法好?为什么?6.(1)浓硫酸与木炭粉在加热条件下反应的化学方程式是:。(2)试用下图所列各装置设计一个实验,来验证上述反应所...

1、当您付费下载文档后,您只拥有了使用权限,并不意味着购买了版权,文档只能用于自身使用,不得用于其他商业用途(如 [转卖]进行直接盈利或[编辑后售卖]进行间接盈利)。
2、本站所有内容均由合作方或网友上传,本站不对文档的完整性、权威性及其观点立场正确性做任何保证或承诺!文档内容仅供研究参考,付费前请自行鉴别。
3、如文档内容存在违规,或者侵犯商业秘密、侵犯著作权等,请点击“违规举报”。

碎片内容

硫酸、硝酸和氨1

您可能关注的文档

确认删除?
VIP
微信客服
  • 扫码咨询
会员Q群
  • 会员专属群点击这里加入QQ群
客服邮箱
回到顶部