电脑桌面
添加小米粒文库到电脑桌面
安装后可以在桌面快捷访问

学校各项考核细则VIP专享VIP免费

学校各项考核细则_第1页
1/8
学校各项考核细则_第2页
2/8
学校各项考核细则_第3页
3/8
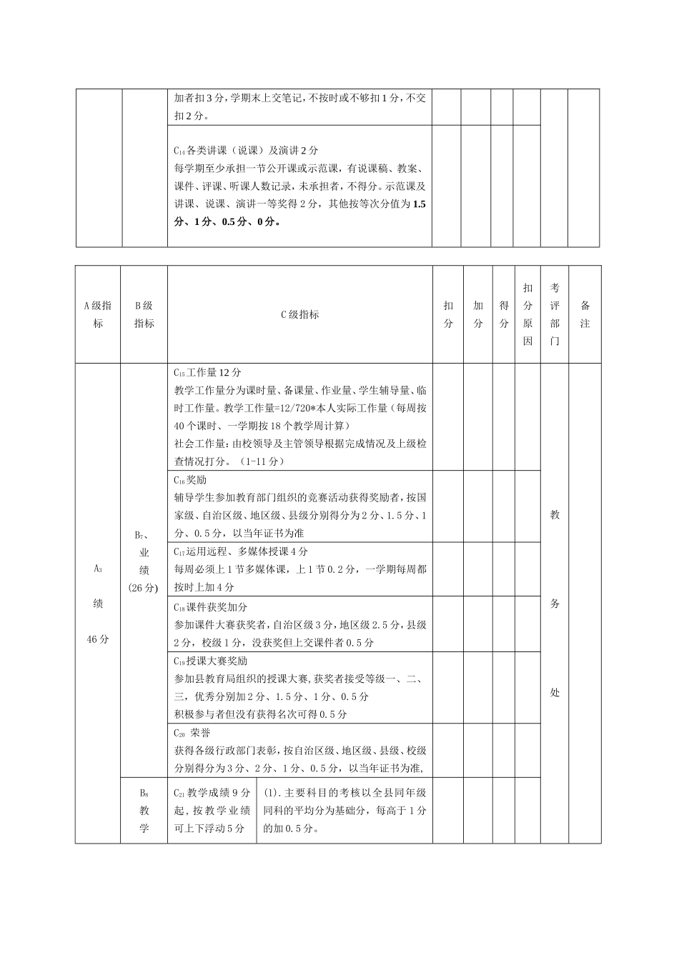
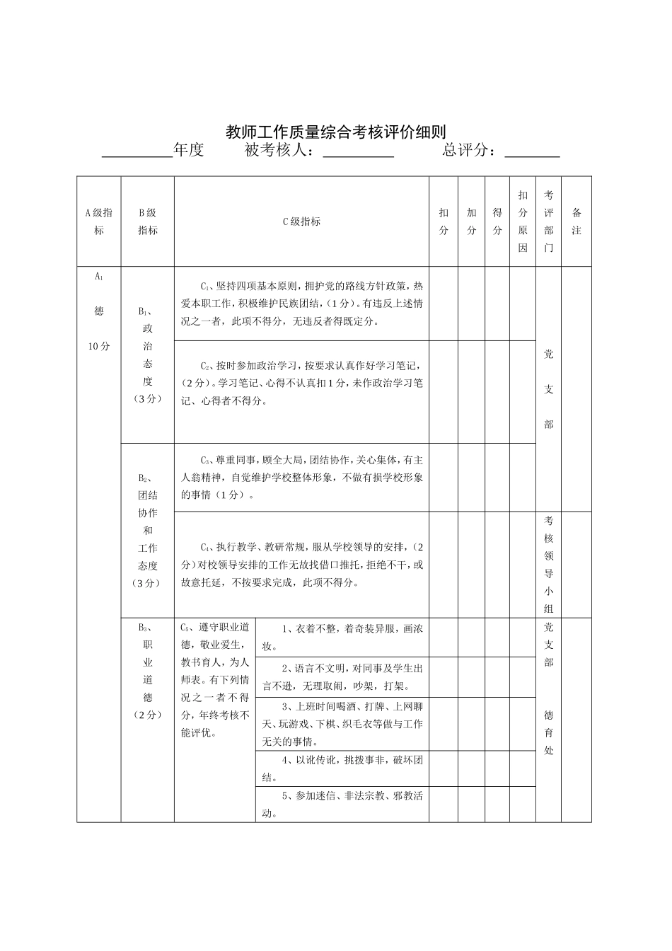
教师工作质量综合考核评价细则年度被考核人:总评分:A级指标B级指标C级指标扣分加分得分扣分原因考评部门备注A1德10分B1、政治态度(3分)C1、坚持四项基本原则,拥护党的路线方针政策,热爱本职工作,积极维护民族团结,(1分)。有违反上述情况之一者,此项不得分,无违反者得既定分。党支部C2、按时参加政治学习,按要求认真作好学习笔记,(2分)。学习笔记、心得不认真扣1分,未作政治学习笔记、心得者不得分。B2、团结协作和工作态度(3分)C3、尊重同事,顾全大局,团结协作,关心集体,有主人翁精神,自觉维护学校整体形象,不做有损学校形象的事情(1分)。C4、执行教学、教研常规,服从学校领导的安排,(2分)对校领导安排的工作无故找借口推托,拒绝不干,或故意托延,不按要求完成,此项不得分。考核领导小组B3、职业道德(2分)C5、遵守职业道德,敬业爱生,教书育人,为人师表。有下列情况之一者不得分,年终考核不能评优。1、衣着不整,着奇装异服,画浓妆。党支部德育处2、语言不文明,对同事及学生出言不逊,无理取闹,吵架,打架。3、上班时间喝酒、打牌、上网聊天、玩游戏、下棋、织毛衣等做与工作无关的事情。4、以讹传讹,挑拨事非,破坏团结。5、参加迷信、非法宗教、邪教活动。6、体罚或变相体罚学生。B4、遵纪守法(2分)C6、严格遵守法律法规、校规校纪。有下列情形之一者不得分,年终考核定为不称职。⑴、违反国家法律法规者;⑵、严重违反校规校纪者;⑶、有乱收费现象者。A级指标B级指标C级指标扣分加分得分扣分原因考评部门备注A2能26分B5、教学常规(16分)C7教案3分:以A、B、C、D分别得3分、2分、1分、0分(根据检查情况累计记分)教务处C8上课4分上课迟到、早退一次扣1分,旷课或空堂1节扣4分,不按时签课少签一节扣0.1分C9作业3分作业适中,批改认真及时,在检查中出现不符合要求的一次扣0.5分,根据每月检查的情况累积计分,学期末、年末按检查情况计分C10.计划、总结6分(1)、计划(2分):目标明确,措施具体,符合本学期要求。不按时交扣1分。(2)、总结(2分):按计划走,写出取得的成绩,存在的问题和改进的措施。不按时交扣1分。(3)、教学论文(2分)每学期一篇,不按时交扣1分,抄写他人或没写得0分B6、教研课改(10分)C11教研活动3分积极参加教研组活动及按时上交材料得满分,少一次扣0.2分,无故不请假者,一次扣0.5分,每次都不参加者扣3分C12听课2分每学期听课至少20节,要求听、评完整,每少(不完整)一节扣0.1分,教务安排的公开课、示范课一次不参加扣0.2分。听课按教务每月安排的任务完成情况计分C13全校性教务活动3分全校性教研活动和校本培训少一次扣0.2分,每次都不参加者扣3分,学期末上交笔记,不按时或不够扣1分,不交扣2分。C14各类讲课(说课)及演讲2分每学期至少承担一节公开课或示范课,有说课稿、教案、课件、评课、听课人数记录,未承担者,不得分。示范课及讲课、说课、演讲一等奖得2分,其他按等次分值为1.5分、1分、0.5分、0分。A级指标B级指标C级指标扣分加分得分扣分原因考评部门备注A3绩46分B7、业绩(26分)C15工作量12分教学工作量分为课时量、备课量、作业量、学生辅导量、临时工作量。教学工作量=12/720*本人实际工作量(每周按40个课时、一学期按18个教学周计算)社会工作量:由校领导及主管领导根据完成情况及上级检查情况打分。(1-11分)教务处C16奖励辅导学生参加教育部门组织的竞赛活动获得奖励者,按国家级、自治区级、地区级、县级分别得分为2分、1.5分、1分、0.5分,以当年证书为准C17运用远程、多媒体授课4分每周必须上1节多媒体课,上1节0.2分,一学期每周都按时上加4分C18课件获奖加分参加课件大赛获奖者,自治区级3分,地区级2.5分,县级2分,校级1分,没获奖但上交课件者0.5分C19授课大赛奖励参加县教育局组织的授课大赛,获奖者接受等级一、二、三,优秀分别加2分、1.5分、1分、0.5分积极参与者但没有获得名次可得0.5分C20荣誉获得各级行政部门表彰,按自治区级、地区级、县级、校级分别得分为3分、2分、1分、0.5分,以当年证书为准,B8教学C21教学成绩9分起,按教学业绩可上下浮动5分(1)....

1、当您付费下载文档后,您只拥有了使用权限,并不意味着购买了版权,文档只能用于自身使用,不得用于其他商业用途(如 [转卖]进行直接盈利或[编辑后售卖]进行间接盈利)。
2、本站所有内容均由合作方或网友上传,本站不对文档的完整性、权威性及其观点立场正确性做任何保证或承诺!文档内容仅供研究参考,付费前请自行鉴别。
3、如文档内容存在违规,或者侵犯商业秘密、侵犯著作权等,请点击“违规举报”。

碎片内容

学校各项考核细则

确认删除?
VIP
微信客服
  • 扫码咨询
会员Q群
  • 会员专属群点击这里加入QQ群
客服邮箱
回到顶部