电脑桌面
添加小米粒文库到电脑桌面
安装后可以在桌面快捷访问

生产订单管理流程VIP专享VIP免费

生产订单管理流程_第1页
1/7
生产订单管理流程_第2页
2/7
生产订单管理流程_第3页
3/7
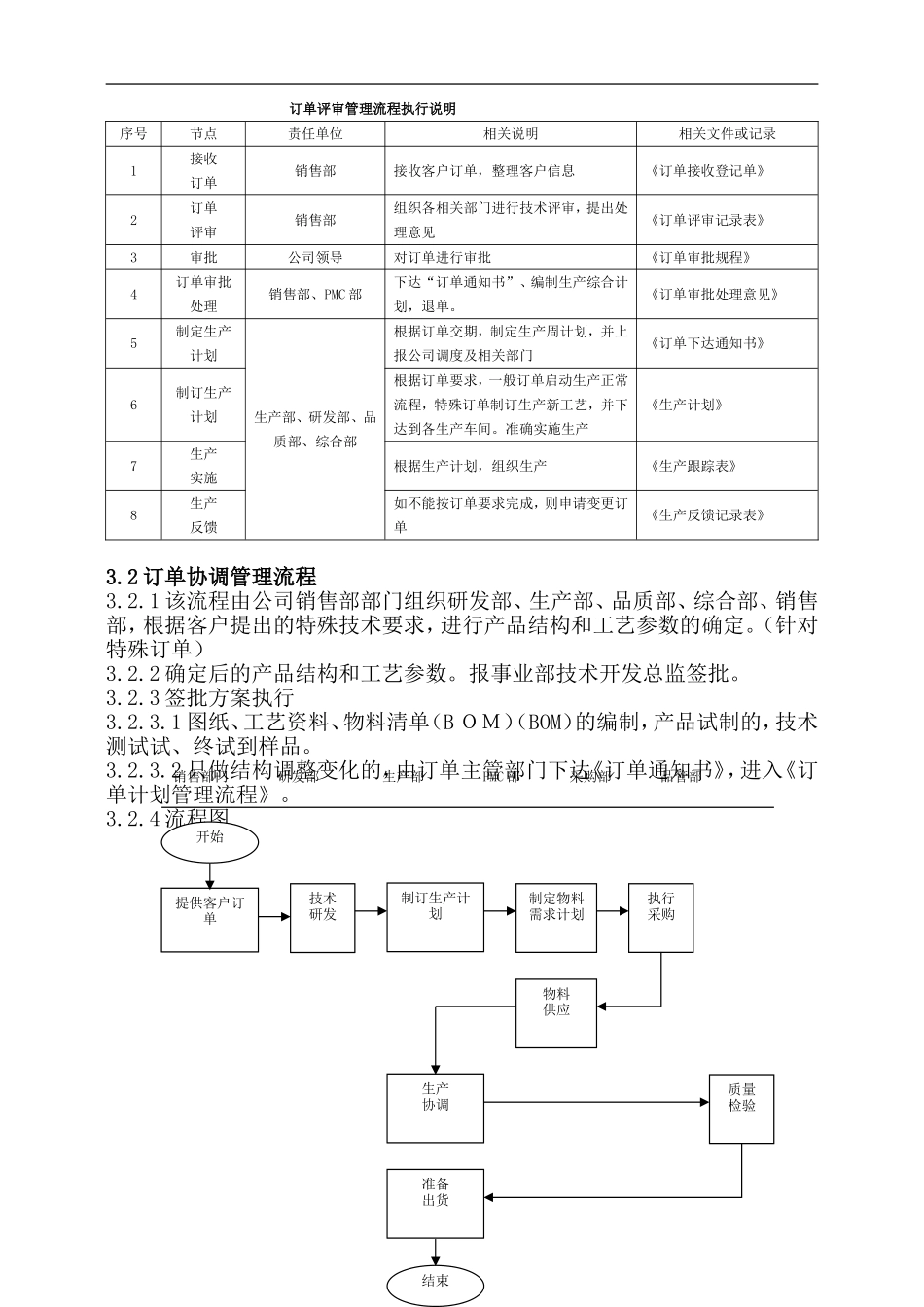
订单管理流程1.目的加强公司生产订单流程管理,体现从销售到生产环节的更好衔接,实现产品生产过程顺利、高效、低耗、按期交货。2、适应范围:南城内衣有限公司3、流程管理层3.1订单评审管理流程3.1.1该流程由销售部(内、外销),设计部、生产部、材料部,品质部、跟单员等对订单进行用料及技术评审,提出处理意见。(优先考虑库存现料)3.1.2对能满足客户(合同)要求的订单准备原材料预案,对生产难度较大的产品订单由销售部和客户进行沟通,达成处理意见,由销售部报请总经理签批。3.1.3根据总经理签批。3.1.3.1由销售部制定《生产通知单》,设计部制定《工艺要求表》《单件用料用量表》。3.1.3.2设计部完成产品标准版及纸样,并按《工艺要求表》制作齐码产前样交销售部与客户确认订单产品具体细节及要求.3.1.3.3跟单员根据与客户达成的产品具体细节及要求,确认《生产通知单》细节要求是否准确,同标准版一同交生产部.3.1.3.4对需提前备料的,跟单员可根据与客户达成的产品要求,及设计部制作的初样和《单件用料用量表》交材料仓清料备料。(优先考虑库存现料,确保所备材料准确)3.1.3.4对返单产品订单只报总经理签批,不再进行评审。3.1.5流程图(图1)3.1.6工作节点和部门分工销售部PMC部综合部综合部开发部所属相关部门订单审批处理结束下达订单制订生产综合计划生产实施生产反馈交货后管理订单接收订单开始订单评审订单订单审批订单是否订单评审管理流程执行说明序号节点责任单位相关说明相关文件或记录1接收订单销售部接收客户订单,整理客户信息《订单接收登记单》2订单评审销售部组织各相关部门进行技术评审,提出处理意见《订单评审记录表》3审批公司领导对订单进行审批《订单审批规程》4订单审批处理销售部、PMC部下达“订单通知书”、编制生产综合计划,退单。《订单审批处理意见》5制定生产计划生产部、研发部、品质部、综合部根据订单交期,制定生产周计划,并上报公司调度及相关部门《订单下达通知书》6制订生产计划根据订单要求,一般订单启动生产正常流程,特殊订单制订生产新工艺,并下达到各生产车间。准确实施生产《生产计划》7生产实施根据生产计划,组织生产《生产跟踪表》8生产反馈如不能按订单要求完成,则申请变更订单《生产反馈记录表》3.2订单协调管理流程3.2.1该流程由公司销售部部门组织研发部、生产部、品质部、综合部、销售部,根据客户提出的特殊技术要求,进行产品结构和工艺参数的确定。(针对特殊订单)3.2.2确定后的产品结构和工艺参数。报事业部技术开发总监签批。3.2.3签批方案执行3.2.3.1图纸、工艺资料、物料清单(BOM)(BOM)的编制,产品试制的,技术测试试、终试到样品。3.2.3.2只做结构调整变化的,由订单主管部门下达《订单通知书》,进入《订单计划管理流程》。3.2.4流程图销售部门研发部生产部PMC部采购部品管部开始提供客户订单技术研发制订生产计划制定物料需求计划执行采购物料供应生产协调质量检验准备出货结束3.2.5工作节点及部门分工订单协调管理流程说明序号节点责任部门相关说明相关文件或记录1提供客户订单销售部研发部与客户进行协调与沟通,明确订单技术要求《研发、工艺调整方案》2技术研发研发部根据订单要求,开发研制新产品、编制工艺规程。《技术研发说明书》3技术改进产品事业部制订符合要求的生产工艺,产品结构《研发项目立项申请》《新产品设计开发控制程序》《产品设计标准》4确定物料需求根据新编工艺要求,制订物料需求计划,提交《材料计划表》《物料需求计划表》5执行采购综合部供应商品质部制订采购计划,并跟踪供应商的执行情况,确保生产正常进行《采购计划单》6物料供应及时安排人员对物料进行验收,以满足生产线的需求,并在清晰可视状态下管理存货,保证物料供应《物料供应说明书》7生产协调生产部包括人、机、物等生产协调准备工作,跟踪生产进度,保证按时交货《生产跟踪表》8质量检验品质部检验物料质量及产品质量,并处理质量异常问题《质量检验表》9准备出货销售部安排运输计划,确保订单准时交付《出货计划》3.3.订单计划生产综合管理流程3.3.1本流程主要节点是对前两个流程的跟进。3.3.2相关部门...

1、当您付费下载文档后,您只拥有了使用权限,并不意味着购买了版权,文档只能用于自身使用,不得用于其他商业用途(如 [转卖]进行直接盈利或[编辑后售卖]进行间接盈利)。
2、本站所有内容均由合作方或网友上传,本站不对文档的完整性、权威性及其观点立场正确性做任何保证或承诺!文档内容仅供研究参考,付费前请自行鉴别。
3、如文档内容存在违规,或者侵犯商业秘密、侵犯著作权等,请点击“违规举报”。

碎片内容

生产订单管理流程

确认删除?
VIP
微信客服
  • 扫码咨询
会员Q群
  • 会员专属群点击这里加入QQ群
客服邮箱
回到顶部