电脑桌面
添加小米粒文库到电脑桌面
安装后可以在桌面快捷访问

中考物理知识结构复习精选4试卷VIP免费

中考物理知识结构复习精选4试卷_第1页
1/5
中考物理知识结构复习精选4试卷_第2页
2/5
中考物理知识结构复习精选4试卷_第3页
3/5
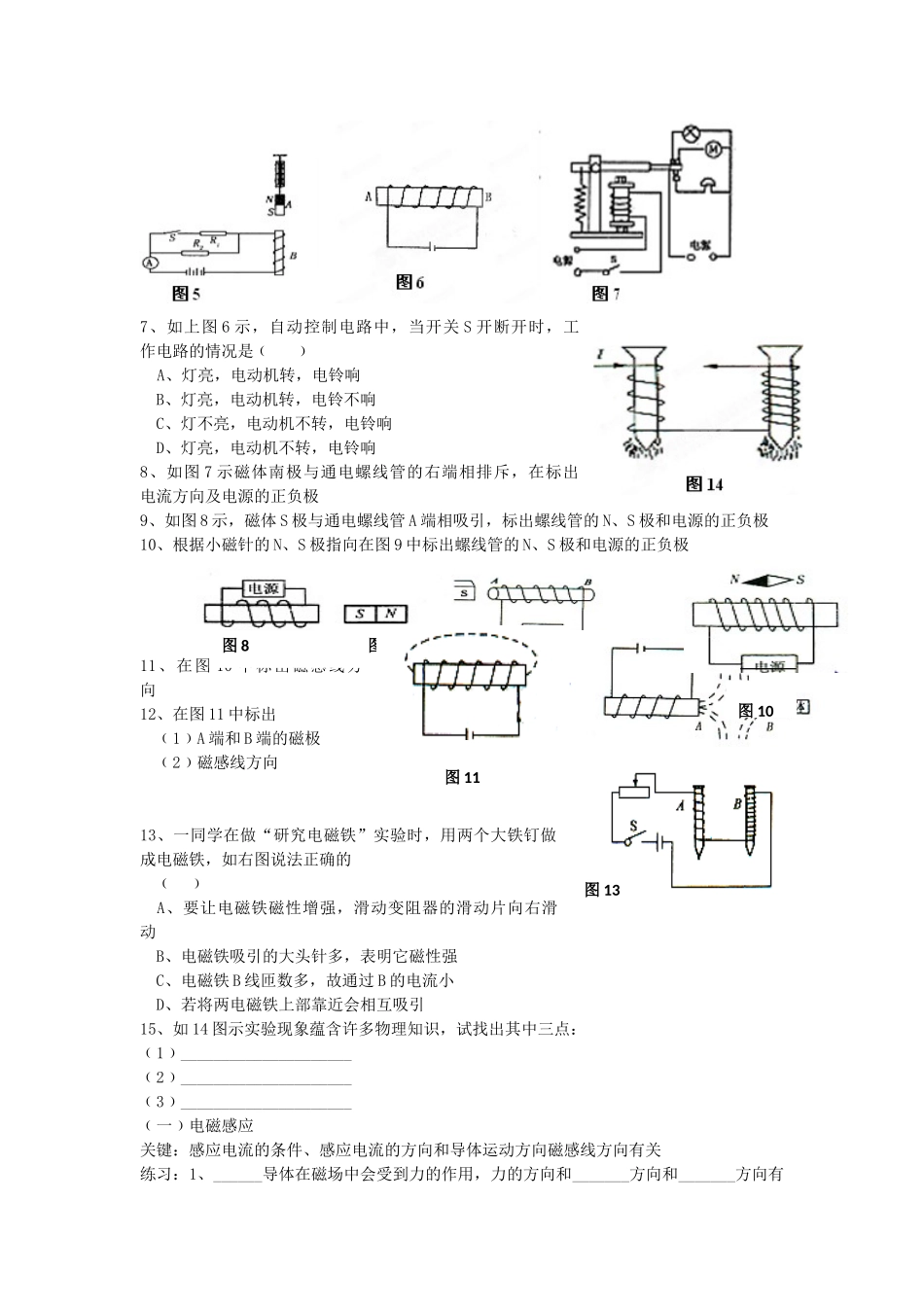
电学专题三复习指导一、知识分析:本部分包括电与磁、信息的传递两部分,从历年中考试题和06课改区的试题来看,本单元在考查中题量不大,要求不高,但各省市中考题均有体现,一般3—5分,题型以填空、选择、作图形式居多,另外还有可能涉及实验.本单元考查的热点通常是奥斯特实验、通电螺线管、电磁铁、产生感应电流的条件、磁场对电流的作用、从能量角度深刻理解发电机和电动机,复习具体要求:1、了解:﹙1﹚磁体、磁性、磁化、磁极的概念﹙2﹚地磁场及磁偏角﹙3﹚奥斯特实验及说明的问题﹙4﹚发电机及电动机的工作原理2、认知﹙1﹚磁极间相互作用规律、磁场及性质﹙2﹚电磁铁的应用及影响其磁性的因素﹙3﹚产生感应电流的条件、影响感应电流方向的因素﹙4﹚影响磁场对电流作用的因素3、理解:通电螺线管的磁场判定二、试题内容特点及复习注意问题:1、试题特点:本部分与实际联系较密切,能进一步活跃学生思维,结合生产生活实际创设问题情境,引导学生将学习的知识应用于物理情景,考查学生用物理知识分析实际问题的知识迁移能力。以实验为背景可能会出现一些探究、开放性问题,充分发挥学生想像力,因此必须全面系统的搞好本章复习2、注意问题:﹙1﹚以纲为纲,抓住重点《教学大纲》是教学的依据,也是中考的依据,要吃透大纲,抓住重点,按大纲要求去做,事半功倍。例如,根据大纲我人把本部分内容归结为“一个关系——电与磁的关系”“两种机器——发电机和电动机”、“三位科学家——沈括、奥斯特、法拉第”、“四个实验——奥斯特实验、电磁感应原理、研究电磁铁、电动机原理”“四通八达的信息之路”五部分核心内容,复习时一定要抓住这些重点内容,有的放矢。﹙2﹚以本为本,抓好双基本部分内容不多,比较简单,复习中应以双基为主,吃透教材,并适度拓展知识空间,同时注重课本上的实验,纵观各省市中考试题,探究性、开放性问题愈来愈多,面这些问题大多以课本上的实验为背景改变实验条件或对一些环节设置障碍从而提出问题。例如:06河北课改区---根据如图示提出三个与物理知识有关的问题A_____________________B______________________C______________________再如:06辽宁-----小明对电动机的问题感感兴趣,在家里做了一个玩具直流电动机,研究电动机的转向与磁场方向的关系后想研究电动机转速的影响因素,现在你帮一下小明研究这个问题:A、提出问题:__________________B、猜想假设﹙简单说明理由﹚:a.影响因素一:___________________理由:_______________-b.影响因素二:_____________________理由:_______________c、设计实验:﹙要设计实验验证你猜想的影响因素﹚________________________这些实验不但考查了学生综合探究推理能力,又培养了学生的发散思维能力,复习过程中应引起我们的重视三、热点举例本部分出现题型一般为填空、选择、作图、实验,下面以这四种题型为例覆盖五个知识点:﹙一﹚磁性、磁场关键:把握磁体作用、磁极指向性及相互作用、磁化现象、磁场性质、磁场与磁感应线的关系练习:1、请写出一条与图1有关的地磁场的信息:_______________2、磁极间相互作用的规律是___________________3、磁感线越密集的地方磁性越_____磁感线永不________-4、实验表明磁体能吸引硬币,以下正确的是_____A、体有吸引轻小物体的性质B、硬币一定是铁做的C、磁体磁性越强吸引的物体种类越多D、硬币中有磁性材料,磁化后被吸引3、如图2,当弹簧测力计吊一个磁体沿水平方向从A端到B端时能表示测力计读数与水平位置的关系是图3中﹙﹚5、为确定一个铜棒是否有磁性,小明做了如下实验,不能达到目的的是﹙﹚A、让铜棒靠近铁屑,铁屑被吸引则铜棒有磁性B、用线把铜棒吊起来,能在水平面内自由转动,静止时指示南北方向,铜棒有磁性C、让小磁针靠近铜棒,若小磁针与其相互排斥,则铜棒有磁性D、让小磁针靠近铜棒,若小磁针与其相互吸引,则铜棒有磁性﹙二﹚电流的磁场关键:把握奥斯特实验、安培定则、电磁铁及应用练习:1、1820年,丹麦物理学家_______发现____________________-2、通电螺线管的磁性强弱与_____________、_____________、_____________有关3、电磁铁的优点是_____...

1、当您付费下载文档后,您只拥有了使用权限,并不意味着购买了版权,文档只能用于自身使用,不得用于其他商业用途(如 [转卖]进行直接盈利或[编辑后售卖]进行间接盈利)。
2、本站所有内容均由合作方或网友上传,本站不对文档的完整性、权威性及其观点立场正确性做任何保证或承诺!文档内容仅供研究参考,付费前请自行鉴别。
3、如文档内容存在违规,或者侵犯商业秘密、侵犯著作权等,请点击“违规举报”。

碎片内容

中考物理知识结构复习精选4试卷

确认删除?
VIP
微信客服
  • 扫码咨询
会员Q群
  • 会员专属群点击这里加入QQ群
客服邮箱
回到顶部