电脑桌面
添加小米粒文库到电脑桌面
安装后可以在桌面快捷访问

企业管理现状调查表VIP免费

企业管理现状调查表_第1页
1/13
企业管理现状调查表_第2页
2/13
企业管理现状调查表_第3页
3/13
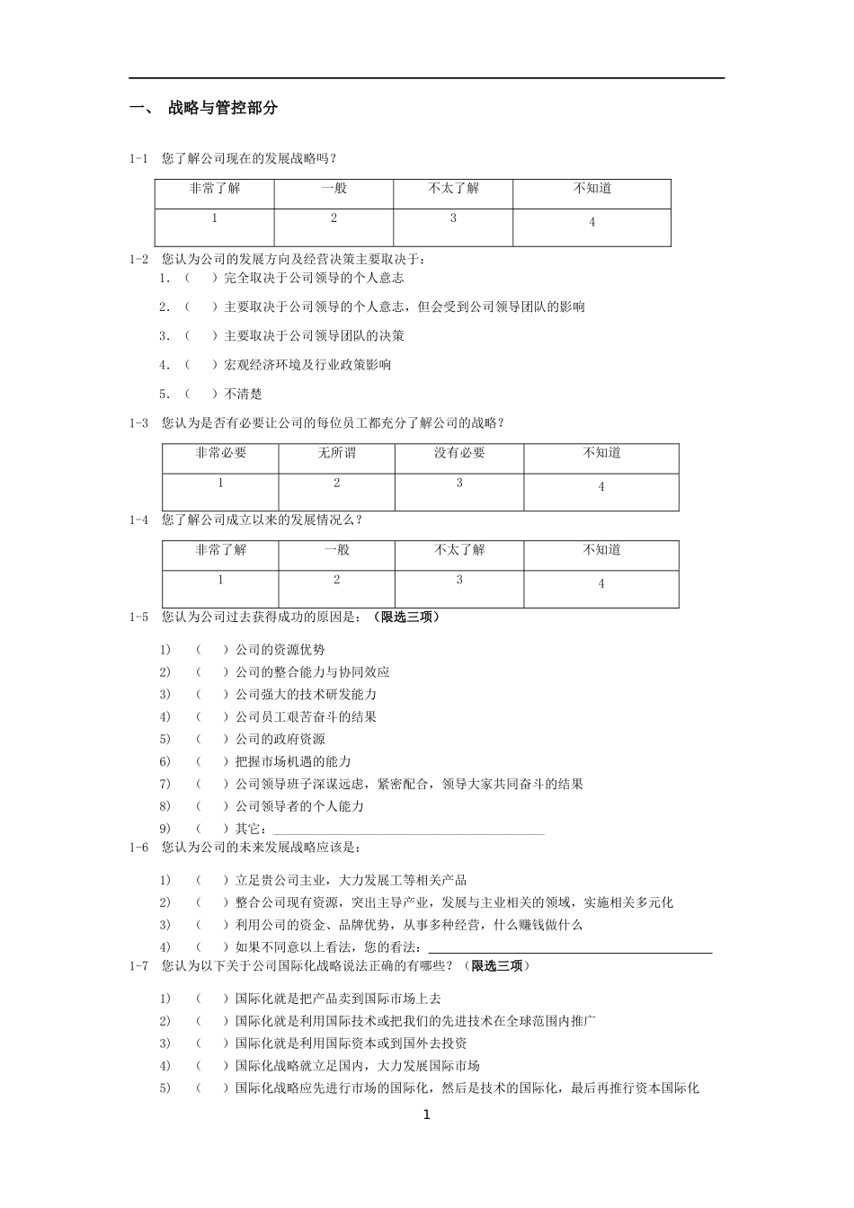
此次问卷调查的目的是了解贵公司的客观情况、管理层对公司管理现状的评价以及对相关问题进行改善的需求。您的意见和见解对于贵公司未来发展至关重要。本问卷匿名填写,请您认真填写,非常感谢您的积极参与和支持。调查问卷说明1.本问卷为不记名问卷2.填写说明:选择题请在您所选项上划√。请注意阅读选择题的类型,如无特别说明题型为单选题3.连续3题未作答或答案雷同率超过90%的问卷视为无效问卷4.请认真填写,并独立发表建议。填写过程中请勿相互商讨、翻阅他人问卷或代为他人填写问卷5.任何企图知道他人填写内容的行为都被认为是不正当的答题示例:单选题示例:您认为公司的未来前景如何?1.()仍然保持高速增长,会变得越来越好2.()即将进入平稳的增长,增长速度不会再象现在这么快3.()面临重大外部挑战,增长速度将迅速下降,并逐渐丧失竞争力4.()外部变化太快,无法预测5.()其他(请写出):_____________________________________________多选题示例:您认为绩效考核的结果应该如何应用?(最多选3项)1.()发放奖金或工资2.()晋升3.()改进绩效4.()培训需求分析5.()没有明确用处6.()其他(请写出):_用于后备人才选拔一、战略与管控部分1-1您了解公司现在的发展战略吗?非常了解一般不太了解不知道12341-2您认为公司的发展方向及经营决策主要取决于:1.()完全取决于公司领导的个人意志2.()主要取决于公司领导的个人意志,但会受到公司领导团队的影响3.()主要取决于公司领导团队的决策4.()宏观经济环境及行业政策影响5.()不清楚1-3您认为是否有必要让公司的每位员工都充分了解公司的战略?非常必要无所谓没有必要不知道12341-4您了解公司成立以来的发展情况么?非常了解一般不太了解不知道12341-5您认为公司过去获得成功的原因是:(限选三项)1)()公司的资源优势2)()公司的整合能力与协同效应3)()公司强大的技术研发能力4)()公司员工艰苦奋斗的结果5)()公司的政府资源6)()把握市场机遇的能力7)()公司领导班子深谋远虑,紧密配合,领导大家共同奋斗的结果8)()公司领导者的个人能力9)()其它:__________________________________________1-6您认为公司的未来发展战略应该是:1)()立足贵公司主业,大力发展工等相关产品2)()整合公司现有资源,突出主导产业,发展与主业相关的领域,实施相关多元化3)()利用公司的资金、品牌优势,从事多种经营,什么赚钱做什么4)()如果不同意以上看法,您的看法:1-7您认为以下关于公司国际化战略说法正确的有哪些?(限选三项)1)()国际化就是把产品卖到国际市场上去2)()国际化就是利用国际技术或把我们的先进技术在全球范围内推广3)()国际化就是利用国际资本或到国外去投资4)()国际化战略就立足国内,大力发展国际市场5)()国际化战略应先进行市场的国际化,然后是技术的国际化,最后再推行资本国际化16)()国际化就是全球一个市场,没有国界,最大限度地利用国际矿产、技术、市场、资本及人力等资源1-8您认为公司最主要的竞争优势是什么(限选三项)1)()品牌优势2)()资源优势3)()先进的技术4)()低成本5)()循环经济,提高了资源利用6)()高质量7)()领导人高瞻远瞩8)()先进的管理能力9)()良好的政府关系10)()高素质的人才11)()公司的凝聚力12)()其他1-9您认为公司的未来前景如何?会更好和以前差不多会变差说不清楚12341-10您认为公司的风险可能来自哪些方面(限选三项)?1)()公司的发展方向不明,未来可掌控的资源不确定2)()现有人员素质无法满足公司进一步发展的需要3)()贵公司主业等传统产业产能严重过剩,市场竞争激烈4)()投资决策风险(如进入错误的领域或产业)5)()政策风险6)()内部管理风险(如资金管理、内部控制等)7)()资源枯竭的风险8)其他1-11您认为公司的未来前景如何?会更好和以前差不多会变差说不清楚12341-12您认为公司的风险可能来自哪些方面(限选三项)?1)()行业不景气,竞争激烈后失去原有的市场优势2)()关键的业务或技术人员流失3)()工厂产能不稳定,产品供应无法保证4)()产品质量不稳定,无法...

1、当您付费下载文档后,您只拥有了使用权限,并不意味着购买了版权,文档只能用于自身使用,不得用于其他商业用途(如 [转卖]进行直接盈利或[编辑后售卖]进行间接盈利)。
2、本站所有内容均由合作方或网友上传,本站不对文档的完整性、权威性及其观点立场正确性做任何保证或承诺!文档内容仅供研究参考,付费前请自行鉴别。
3、如文档内容存在违规,或者侵犯商业秘密、侵犯著作权等,请点击“违规举报”。

碎片内容

企业管理现状调查表

您可能关注的文档

文章天下+ 关注
实名认证
内容提供者

各种文档应有尽有

确认删除?
VIP
微信客服
  • 扫码咨询
会员Q群
  • 会员专属群点击这里加入QQ群
客服邮箱
回到顶部