电脑桌面
添加小米粒文库到电脑桌面
安装后可以在桌面快捷访问

会计基础银行存款余额调节表及答案VIP免费

会计基础银行存款余额调节表及答案_第1页
1/9
会计基础银行存款余额调节表及答案_第2页
2/9
会计基础银行存款余额调节表及答案_第3页
3/9
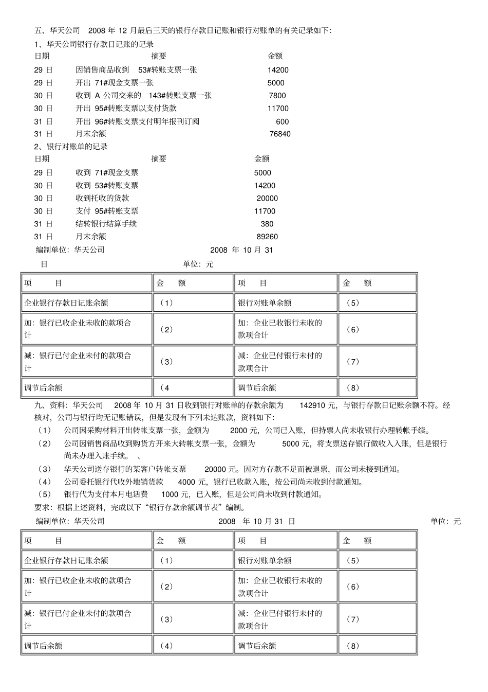
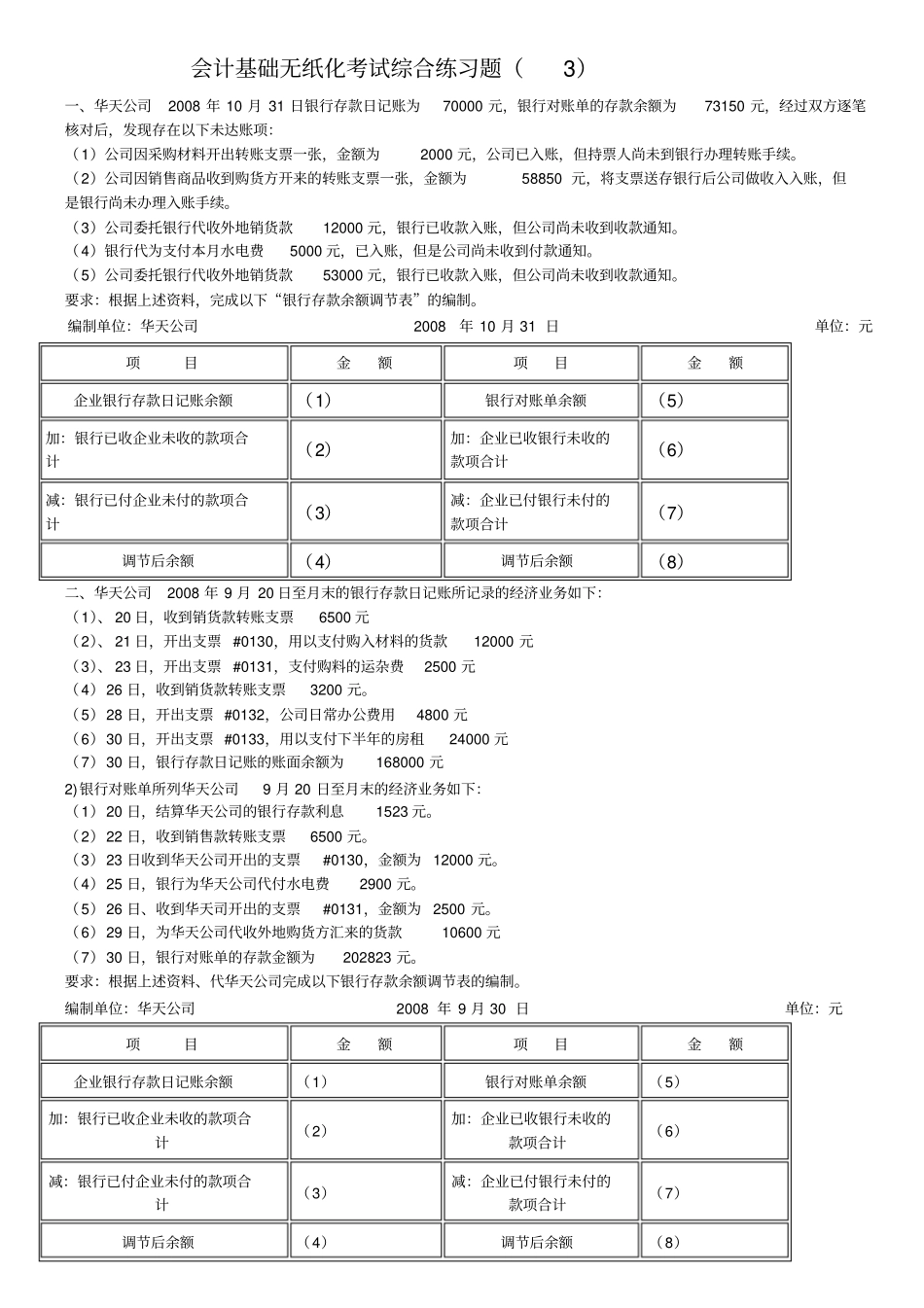
会计基础无纸化考试综合练习题(3)一、华天公司2008年10月31日银行存款日记账为70000元,银行对账单的存款余额为73150元,经过双方逐笔核对后,发现存在以下未达账项:(1)公司因采购材料开出转账支票一张,金额为2000元,公司已入账,但持票人尚未到银行办理转账手续。(2)公司因销售商品收到购货方开来的转账支票一张,金额为58850元,将支票送存银行后公司做收入入账,但是银行尚未办理入账手续。(3)公司委托银行代收外地销货款12000元,银行已收款入账,但公司尚未收到收款通知。(4)银行代为支付本月水电费5000元,已入账,但是公司尚未收到付款通知。(5)公司委托银行代收外地销货款53000元,银行已收款入账,但公司尚未收到收款通知。要求:根据上述资料,完成以下“银行存款余额调节表”的编制。编制单位:华天公司2008年10月31日单位:元项目金额项目金额企业银行存款日记账余额(1)银行对账单余额(5)加:银行已收企业未收的款项合计(2)加:企业已收银行未收的款项合计(6)减:银行已付企业未付的款项合计(3)减:企业已付银行未付的款项合计(7)调节后余额(4)调节后余额(8)二、华天公司2008年9月20日至月末的银行存款日记账所记录的经济业务如下:(1)、20日,收到销货款转账支票6500元(2)、21日,开出支票#0130,用以支付购入材料的货款12000元(3)、23日,开出支票#0131,支付购料的运杂费2500元(4)26日,收到销货款转账支票3200元。(5)28日,开出支票#0132,公司日常办公费用4800元(6)30日,开出支票#0133,用以支付下半年的房租24000元(7)30日,银行存款日记账的账面余额为168000元2)银行对账单所列华天公司9月20日至月末的经济业务如下:(1)20日,结算华天公司的银行存款利息1523元。(2)22日,收到销售款转账支票6500元。(3)23日收到华天公司开出的支票#0130,金额为12000元。(4)25日,银行为华天公司代付水电费2900元。(5)26日、收到华天司开出的支票#0131,金额为2500元。(6)29日,为华天公司代收外地购货方汇来的货款10600元(7)30日,银行对账单的存款金额为202823元。要求:根据上述资料、代华天公司完成以下银行存款余额调节表的编制。编制单位:华天公司2008年9月30日单位:元项目金额项目金额企业银行存款日记账余额(1)银行对账单余额(5)加:银行已收企业未收的款项合计(2)加:企业已收银行未收的款项合计(6)减:银行已付企业未付的款项合计(3)减:企业已付银行未付的款项合计(7)调节后余额(4)调节后余额(8)三、资料:华天公司2008年4月30日银行存款对账单的存款余额为269000元,4月底公司与银行往来的其余资料如下:1、4月30日收到购货方转账支票一张,金额为36800元,已经送存银行,但银行尚未入账。2、本公司当月的水电费用1325元银行已代收为支付,但公司未接到通知而尚未入账。3、本公司当月开出的用以支付供货方货款的转账支票,尚有48320元未兑现。4、本公司送存银行的某客户转账支票12240元,因对方存款不足而被退票,而公司未接到通知。5、公司委托银行代收的款项100000元,银行已转入本公司的存款户,但本公司尚未收到通知入账。假定公司与银行的存款余额调整后核对相符。要求:请代华天公司完成以下银行存款余额调节表的编制银行存款余额调节表编制单位:华天公司2008年4月30日单位:元项目金额项目金额企业银行存款日记账余额(1)银行对账单余额(5)加:银行已收企业未收的款项合计(2)加:企业已收银行未收的款项合计(6)减:银行已付企业未付的款项合计(3)减:企业已付银行未付的款项合计(7)调节后余额(4)调节后余额(8)四、资料:华天公司2008年6月30日收到的银行对账单的存款余额为67000元,与银行存款日记账余额不符,经核对,公司与银行均无记账错误,但是发现有下列未达账款,资料如下:(1)6月28日,华天公司开出一张金额为15800元的转账支票用以支付供货方货款,但供货方尚未持该支票到银行兑现。(2)6月30日,华天公司送达的银行的某客户转账支票4200元,因对方存款不足而被退票,而公司未接到通知。(3)6月30日,华天公司当月的水电费用1300元银行已代...

1、当您付费下载文档后,您只拥有了使用权限,并不意味着购买了版权,文档只能用于自身使用,不得用于其他商业用途(如 [转卖]进行直接盈利或[编辑后售卖]进行间接盈利)。
2、本站所有内容均由合作方或网友上传,本站不对文档的完整性、权威性及其观点立场正确性做任何保证或承诺!文档内容仅供研究参考,付费前请自行鉴别。
3、如文档内容存在违规,或者侵犯商业秘密、侵犯著作权等,请点击“违规举报”。

碎片内容

会计基础银行存款余额调节表及答案

您可能关注的文档

文库响当当+ 关注
实名认证
内容提供者

该用户很懒,什么也没介绍

确认删除?
VIP
微信客服
  • 扫码咨询
会员Q群
  • 会员专属群点击这里加入QQ群
客服邮箱
回到顶部