电脑桌面
添加小米粒文库到电脑桌面
安装后可以在桌面快捷访问

光伏发电工程启委会监理汇报材料VIP免费

光伏发电工程启委会监理汇报材料_第1页
1/10
光伏发电工程启委会监理汇报材料_第2页
2/10
光伏发电工程启委会监理汇报材料_第3页
3/10
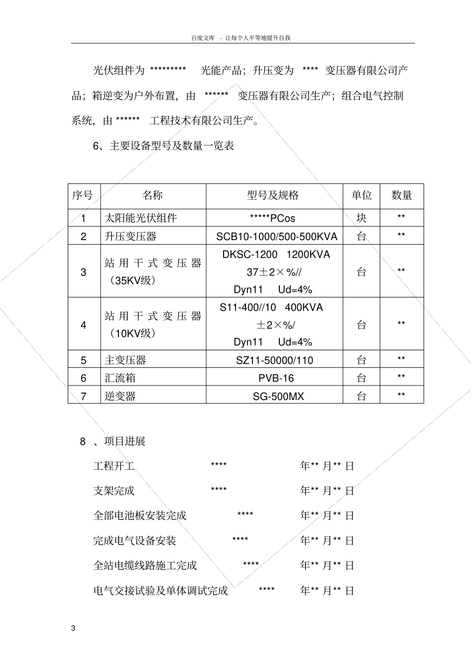
百度文库-让每个人平等地提升自我1*******光伏发电工程启委会监理工作总结*******工程建设监理有限公司*****年****月****日百度文库-让每个人平等地提升自我2各们领导、各位专家:你们好!**********MWp光伏发电工程项目,在各参建单位的共同努力下,已基本完成光伏机组并网前的各项工作,我代表*****工程建设监理有限公司,向启委会各位领导、专家做监理工作汇报。一、概况1、本工程监理工作的范围是******光伏发电工程项目所有的电气安装施工及土建施工等。2、本工程位于**************村。3、项目建设规模为****MWp光伏发电,整体装机容量*****MWp,采用********MWp固定式发电系统,分块发电,集中并网。光伏发电单元****个,光伏组件为*****Wp多晶硅太阳能电池组件,组件采用****串*****并的电气连接方式,固定式安装采用竖向双排横向24个组件固定在支架上。每个光伏发电单元配置****台****KW逆变器和**台****kVA变压器。****kV升压站。项目总投资约*****万元。4、参建单位建设单位:*******新能源开发有限公司总承包单位:中国************有限公司监理单位:************工程建设监理有限公司调试单位:中国************电力建设公司5、主要设备厂家百度文库-让每个人平等地提升自我3光伏组件为*********光能产品;升压变为****变压器有限公司产品;箱逆变为户外布置,由******变压器有限公司生产;组合电气控制系统,由******工程技术有限公司生产。6、主要设备型号及数量一览表序号名称型号及规格单位数量1太阳能光伏组件*****PCos块**2升压变压器SCB10-1000/500-500KVA台**3站用干式变压器(35KV级)DKSC-12001200KVA37±2×%//Dyn11Ud=4%台**4站用干式变压器(10KV级)S11-400//10400KVA±2×%/Dyn11Ud=4%台**5主变压器SZ11-50000/110台**6汇流箱PVB-16台**7逆变器SG-500MX台**8、项目进展工程开工****年**月**日支架完成****年**月**日全部电池板安装完成****年**月**日完成电气设备安装****年**月**日全站电缆线路施工完成****年**月**日电气交接试验及单体调试完成****年**月**日百度文库-让每个人平等地提升自我4全场接地装置安装完成****年**月**日电缆防火阻燃完成****年**月**日二、监理工作指导思想、机构设置及人员配备1、工作指导思想,机构设置及人员配备情况;针对本项目的项目特征和工程特征,组建如下适应本项目的监理班子,根据工程的进展情况,进行了适当的补充和调整。监理组织机构框图如下:具体驻地监理人员如下总监:****土建监理工程师:****电气监理工程师:****试验监理工程师:****投资监理工程师:****总监土建监理工程师试验监理工程师安全监理工程师投资控制工程师合同监理工程师电气监理工程师百度文库-让每个人平等地提升自我5合同监理工程师****安全监理工程师:****2、监理规划和监理细则编制和执行情况。(1)本监理机构自***年****月进场组建后的第一项工作就是编制监理规划,经本公司技术负责人审批后于****年****月***日报发包人审批,经发包人批准后开始执行。(2)监理部按不同的专业组织人员进行监理实施细则的编写,总监理工程师负责,各专业监理工程师具体负责实施。随着工程的进展先后编制下发了安全监理实施细则、土建监理实施细则、电气监理实施细则、电气调试监理细则等4个专业方面的监理实施细则,用于指导和检查施工。对每项工作开工前要求承包人熟悉相关专业实施细则,然后参照施工,监理据其进行监督。三、工程建设相关手续及施工单位遵守技术规范的情况1、工程建设相关手续:(1)施工手续基本齐全。2、施工过程中施工单位遵守技术规范的情况、按施工图纸施工的情况:(1)施工期间,施工单位能较好的参照规范与设计要求施工。四、工程质量控制情况1、审查施工单位的资质、试验室资质、项目部主要管理人员资格、特殊工种上岗证,从组织上保证工程项目的质量。2、审查施工单位主要施工机具和测量器具的有效性。百度文库-让每个人平等地提升自我63、审批施工组织设计,各专业施工方案、作业指导书。4、审批各单位工程开工报告。5、编制监理规划,土建、安装专业监理实施细则,用以指导监理工作的开展。6、审批质量验收项...

1、当您付费下载文档后,您只拥有了使用权限,并不意味着购买了版权,文档只能用于自身使用,不得用于其他商业用途(如 [转卖]进行直接盈利或[编辑后售卖]进行间接盈利)。
2、本站所有内容均由合作方或网友上传,本站不对文档的完整性、权威性及其观点立场正确性做任何保证或承诺!文档内容仅供研究参考,付费前请自行鉴别。
3、如文档内容存在违规,或者侵犯商业秘密、侵犯著作权等,请点击“违规举报”。

碎片内容

光伏发电工程启委会监理汇报材料

您可能关注的文档

确认删除?
VIP
微信客服
  • 扫码咨询
会员Q群
  • 会员专属群点击这里加入QQ群
客服邮箱
回到顶部