电脑桌面
添加小米粒文库到电脑桌面
安装后可以在桌面快捷访问

六棱块坡面防护施工技术交底VIP免费

六棱块坡面防护施工技术交底_第1页
1/3
六棱块坡面防护施工技术交底_第2页
2/3
六棱块坡面防护施工技术交底_第3页
3/3
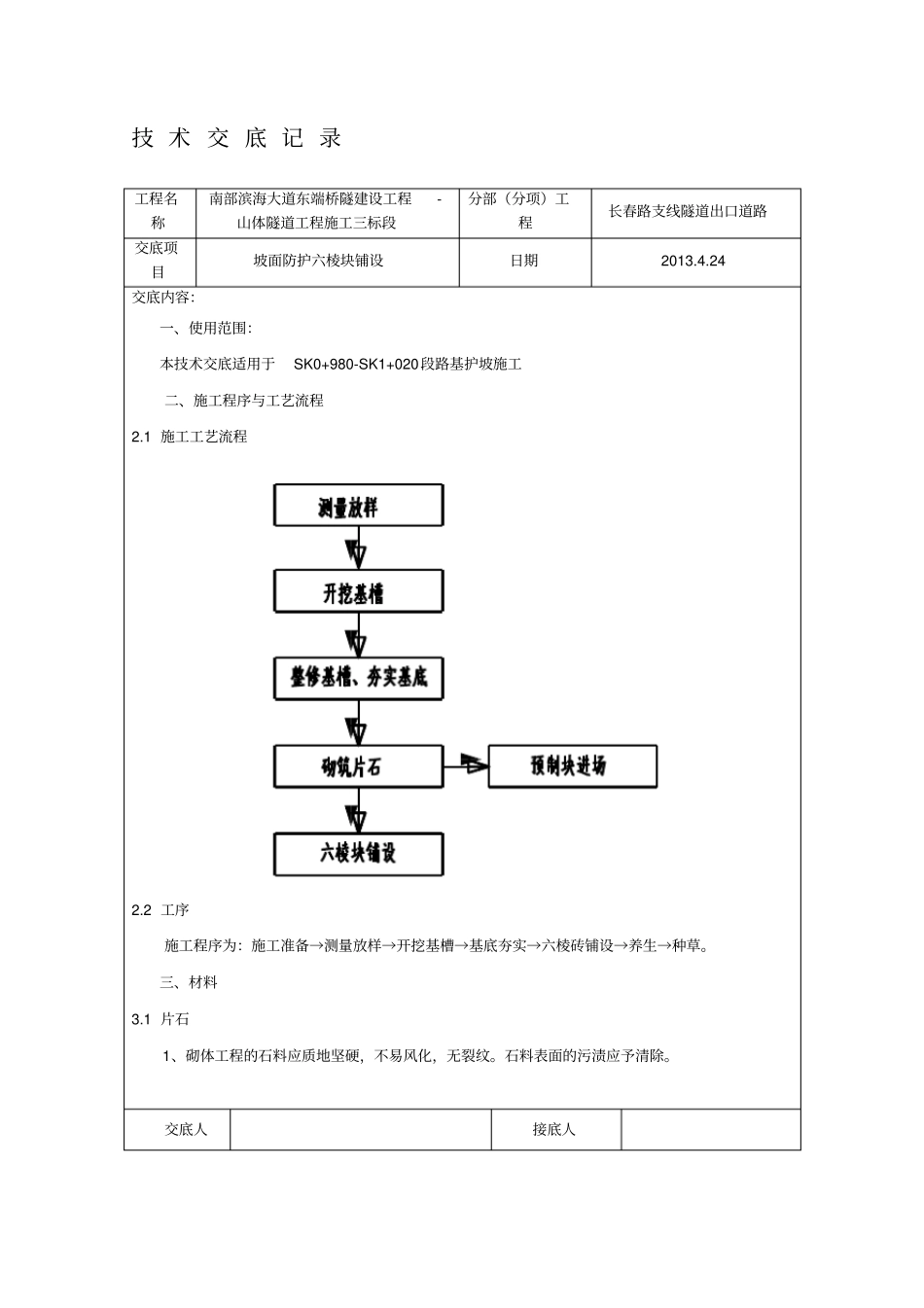
技术交底记录工程名称南部滨海大道东端桥隧建设工程-山体隧道工程施工三标段分部(分项)工程长春路支线隧道出口道路交底项目坡面防护六棱块铺设日期2013.4.24交底内容:一、使用范围:本技术交底适用于SK0+980-SK1+020段路基护坡施工二、施工程序与工艺流程2.1施工工艺流程2.2工序施工程序为:施工准备→测量放样→开挖基槽→基底夯实→六棱砖铺设→养生→种草。三、材料3.1片石1、砌体工程的石料应质地坚硬,不易风化,无裂纹。石料表面的污渍应予清除。交底人接底人2、普通片石的形状不受限制,但其中部厚度不应小于15cm。用于镶面的片石宜选用表面较平整,尺寸较大者,且边缘的厚度不得小于15cm。3、用作镶面的块石外露面应稍加修凿,凹入深度不应大于2cm;砌筑过程中要求按两顺一丁方式砌筑;镶面丁石的长度不应小于顺石宽度的1.5倍。3.2砂浆1、砌体工程所用砂浆的强度等级应符合设计要求。2、砂浆中所用水泥、细骨料、水等原材料的质量要求,必须送试验室检测合格后,方可使用。砂子采用中粗砂。3、M7.5水泥砂浆配合比(kg):275(西水32.5水泥):1510(中粗砂):225(自来水)或1(西水32.5水泥):5.49(中粗砂):0.82(自来水)。4、砂浆应具有适当的流动性和良好的和易性。简易判定方法:用手捏成小团,以指缝不出浆,松手后不松散为度。5、砂浆应随拌随用。当在运输或贮存过程中发生离析现象时,砌筑前应重新拌和。已凝结的砂浆,不得使用。6、砂浆拌和必须采用机械搅拌,磅秤计量。7、砂浆稠度应为30~50mm。3.3六棱块1、规格见附图3.4沙砾垫层1、石子:要求选用级配良好,质地坚硬,不含有机植物残体、垃圾等杂物的天然碎石,石子粒径不得大于50mm,含泥量不得大于5%。2、砂:采用颗粒级配良好材质坚硬的中砂,不得含有杂草、树根等有机杂质,含泥量不得大于3%。四、六棱砖铺设:1、先砌脚墙、后砌护脚;砌筑脚墙和护脚时,按10m一道伸缩缝,在相邻2伸缩缝间分段砌筑,缝内全断面填塞沥青麻丝。脚墙与护脚连接处,护脚片石必须咬入脚墙内,可先预砌一层片石,确保连接处片石连接紧密,相互咬接,祥见附图。交底人接底人2、护坡处理:首先将地护坡面浮土,杂物等清除干净,保证护坡表面平整,无松散缺陷,要求护坡表面平整度控制在50mm。然后铺设10cm的沙砾垫层,铺设时尽量减少对护坡的扰动,保证垫层表面平整,平整度控制在50mm,最后铺设六棱块,应保证线型应平、顺、直,整体美观,祥见附图。3、六棱砖铺设时应自下而上铺设六角空心砖。施工时六角空心砖背后必须夯实,铺设时应用橡皮锤击打,不得使用铁锤等重物进行击打。4、砌筑过程中,严禁出现通缝现象。五、成品保护1、砌筑完成后,及时采用土工布覆盖养生,常温下养护期不得少于7天。2、施工过程中,施工人员不得踩踏已完砌体,避免踩松。3、浆砌片石完成后,必须“工完料清”,3日内清除工作面,多余片石运离现场,清除弃石。对污染的级配碎石表面予以清理干净,侵占的施工便道予以恢复。六、种植草皮1、砌筑完成后,在空心砖内覆盖20cm厚拌合草籽种植土,并浇水。七、安全要求1、开挖清理基脚弃土,片石、砂子材料堆放位置与高度不能影响路基边坡及基坑的稳定。2、砌筑过程中,搬运石头时,要注意安全,防止石头砸伤人的意外事故发生;同时还应派专人注意观察路基边坡的稳定性,以防止路基边坡塌方,造成人员身亡事故的发生。3、加工石料时要戴防护镜,并控制石屑飞出方向,避免伤人;砌石时要轻拿轻放,防止挤手;工作面上待用石料应放稳,防止滑落砸脚。4、严禁在酒后进入现场工地,一经发现,立即离开施工现场,并且给予相应的处罚。交底人接底人

1、当您付费下载文档后,您只拥有了使用权限,并不意味着购买了版权,文档只能用于自身使用,不得用于其他商业用途(如 [转卖]进行直接盈利或[编辑后售卖]进行间接盈利)。
2、本站所有内容均由合作方或网友上传,本站不对文档的完整性、权威性及其观点立场正确性做任何保证或承诺!文档内容仅供研究参考,付费前请自行鉴别。
3、如文档内容存在违规,或者侵犯商业秘密、侵犯著作权等,请点击“违规举报”。

碎片内容

六棱块坡面防护施工技术交底

确认删除?
VIP
微信客服
  • 扫码咨询
会员Q群
  • 会员专属群点击这里加入QQ群
客服邮箱
回到顶部