电脑桌面
添加小米粒文库到电脑桌面
安装后可以在桌面快捷访问

六角块表格样本VIP免费

六角块表格样本_第1页
1/9
六角块表格样本_第2页
2/9
六角块表格样本_第3页
3/9
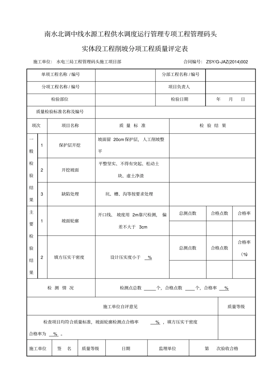
南水北调中线水源工程供水调度运行管理专项工程管理码头连接路实体段六角块施工质量评定表施工单位:水电三局工程管理码头施工项目部合同编号:ZSY/G-JAZ(2014)002单项工程名称/编码桩号分部工程名称/编码分项工程名称/编码项目负责人检验部位高程质量检验标准名称及编号序号检验批名称工序质量等级1削坡2土工布铺设3砂砾料填筑4六角块铺设初评施工单位监理单位终检员监理工程师质量等级质量等级日期日期评定意见工程质量等级工序质量全部合格,主要工序削坡、土工布、砂砾料、六角块工序符合标准,工序优良率为%施工单位质检员:年月日监理单位监理:年月日南水北调中线水源工程供水调度运行管理专项工程管理码头实体段工程削坡分项工程质量评定表施工单位:水电三局工程管理码头施工项目部合同编号:ZSY/G-JAZ(2014)002单项工程名称/编号分部工程名称/编号分项工程名称/编号项目负责人检验部位检验日期年月日质量检验标准名称及编号项次项目名称质量标准检验结果一般检验结果1保护层开挖坡面留20cm保护层,人工削坡整平2开挖坡面平整坚实、不得有突起、松动土块、虚土净渣3缺陷处理坑、槽、沟等按要求处理主要检验结果1坡面轮廓开口线、坡度用2m靠尺检测,偏差不大于3cm总测点数合格点数合格率2填方压实干密度设计压实度小于%总测点数合格点数合格率(%)检测情况检测点总数个,合格点数个,合格率%施工单位自评意见质量等级检查项目均符合质量标准,坡面轮廓检测点合格率%,填方压实干密度合格率为%。施工单位签名质量等级日期监理单位第次验收合格初检年月日监理:年月日复检年月日终检年月日南水北调中线水源工程供水调度运行管理专项工程管理码头土工布分项工程检验批质量评定表施工单位:水电三局工程管理码头施工项目部合同编号:ZSY/G-JAZ(2014)002单项工程名称/编号工程量m2分部工程名称/编号施工单位分项工程名称/编号项目负责人检验部位检验日期年月日质量检验标准名称及编号项次项目名称质量标准检验记录一般检测项目1土工布质量材质符合设计要求2平整压实场地基面上无带尖棱硬物,填平坑凹,平整土面,或修好坡面3备料按工程要求栽剪、拼幅;避免织物被损伤和受脏物污染主要1土工布拼接宽度平地搭接不小于100cm,不平或极允许偏差(mm)实测偏差值(mm)+500,012345678910检测项目软地面搭接不小于100cm。2铺设铺设时不得发生褶皱和破损检测结果检测总点数个,合格点数个,合格率%。评定意见质量等级检查项目符合质量标准,检测项目实测点合格率为%。施工单位签名质量等级日期监理单位第次验收合格初检年月日监理:年月日复检年月日终检年月日南水北调中线水源工程供水调度运行管理专项工程管理码头砂砾料分项工程填筑检验批质量评定表施工单位:水电三局工程管理码头施工项目部合同编号:ZSY/G-JAZ(2014)002单项工程名称/编码桩号分部工程名称/编码分项工程名称/编码项目负责人检验部位高程质量检验标准名称及编号项次保证项目质量标准检验记录一般检验项目1颗粒级配、砾石含量、含泥量符合《施工规范》和设计要求2实体段每层填筑时前一填筑层已验收合格3铺料、碾压均匀不得超厚;无漏压、欠压和出现弹簧土4纵横向接合部位;与岸坡结合处的填料符合《规范》和设计要求;无分离、架空现象,对边角加强压实5设计断面边缘压实质量;填筑时每层上下游边线按规定留足余量项次基本项目质量标准检验记录主要检验项目1压实控制指标相对密度相对密度不小于项次允许偏差项目设计值(cm)允许偏差(cm)实测值合格数(点)合格率(%)一般检验项目1铺料厚度15~250~10评定意见质量等级保证项目全部符合质量标准,基本项目达到质量标准,允许偏差项目各项测点合格率%。施工单位签名质量等级日期监理监理:初检年月日单位年月日复检年月日终检年月日南水北调中线水源工程供水调度运行管理专项工程管理码头六角块分项工程质量评定表承建单位:水电三局工程管理码头施工项目部合同编号:ZSY/G-JAZ(2014)002工程名称/编码桩号分部工程名称/编码分项工程名称/编码项目负责人检验部位高程质量检验标准名称及编号项次项目名称质量标准检验结果一般检验项目1预制块外观尺寸准确、整齐...

1、当您付费下载文档后,您只拥有了使用权限,并不意味着购买了版权,文档只能用于自身使用,不得用于其他商业用途(如 [转卖]进行直接盈利或[编辑后售卖]进行间接盈利)。
2、本站所有内容均由合作方或网友上传,本站不对文档的完整性、权威性及其观点立场正确性做任何保证或承诺!文档内容仅供研究参考,付费前请自行鉴别。
3、如文档内容存在违规,或者侵犯商业秘密、侵犯著作权等,请点击“违规举报”。

碎片内容

六角块表格样本

您可能关注的文档

爱的疯狂+ 关注
实名认证
内容提供者

该用户很懒,什么也没介绍

确认删除?
VIP
微信客服
  • 扫码咨询
会员Q群
  • 会员专属群点击这里加入QQ群
客服邮箱
回到顶部