电脑桌面
添加小米粒文库到电脑桌面
安装后可以在桌面快捷访问

内六角螺栓尺寸表VIP免费

内六角螺栓尺寸表_第1页
1/6
内六角螺栓尺寸表_第2页
2/6
内六角螺栓尺寸表_第3页
3/6
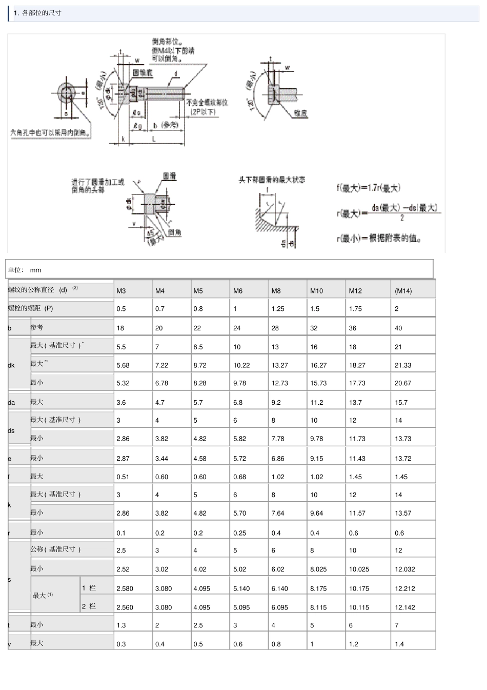
1.各部位的尺寸单位:mm螺纹的公称直径(d)(2)M3M4M5M6M8M10M12(M14)螺栓的螺距(P)0.50.70.811.251.51.752b参考1820222428323640dk最大(基准尺寸)*5.578.51013161821最大**5.687.228.7210.2213.2716.2718.2721.33最小5.326.788.289.7812.7315.7317.7320.67da最大3.64.75.76.89.211.213.715.7ds最大(基准尺寸)34568101214最小2.863.824.825.827.789.7811.7313.73e最小2.873.444.585.726.869.1511.4313.72f最大0.510.600.600.681.021.021.451.45k最大(基准尺寸)34568101214最小2.863.824.825.707.649.6411.5713.57r最小0.10.20.20.250.40.40.60.6s公称(基准尺寸)2.5345681012最小2.523.024.025.026.028.02510.02512.032最大(1)1栏2.5803.0804.0955.1406.1408.17510.17512.2122栏2.5603.0804.0955.0956.0958.11510.11512.142t最小1.322.534567v最大0.30.40.50.60.811.21.4dw最小5.076.538.039.3812.3315.3317.2320.17w最小1.151.41.92.33.344.85.8螺纹的公称直径(d)(2)M16(M18)M20(M22)M24(M27)M30螺栓的螺距(P)22.52.52.5333.5b参考44485256606672dk最大(基准尺寸)*24273033364045最大**24.3327.3330.3333.3936.3940.3945.39最小23.6726.6729.6732.6135.6139.6144.61da最大17.720.222.424.426.430.433.4ds最大(基准尺寸)16182022242730最小15.7317.7319.6721.6723.6726.6729.67e最小16.0016.0019.4419.4421.7321.7325.15f最大1.451.872.042.042.042.892.89k最大(基准尺寸)16182022242730最小15.5717.5719.4821.4823.4826.4829.48r最小0.60.60.80.80.811s公称(基准尺寸)14141717191922最小14.03214.03217.05017.05019.06519.06522.065最大(1)1栏14.21214.21217.23017.23019.27519.27522.2752栏14.14214.142t最小8910111213.515.5v最大1.61.822.22.42.73dw最小23.1725.8728.8731.8134.8138.6143.61w最小6.87.78.69.510.412.113.1注(1):s(最大)的1栏适用于强度8.8及10.9及性状A2-50、A2-70的内容,2栏适用于强度12.9的内容。但根据双方当事人之间协议,强度12.9的内容也可以适用1栏。螺纹的公称直径M20以上的s(最大)适用于所有的强度及性状内容。注(2):螺纹的公称直径中带括号的尽量不要使用。备注:1.头部的侧面带有直纹或网纹[参照JISB0951(滚花)]。此时,dk(最大)为该表中的带**的数值。此外,需要没有滚花的货时,订货人必须指定。但该dk(最大)为该表中带*的数值。2.对于螺纹的公称直径建议使用的公称长度(?)为粗线框内的内容。如果?比虚线位置短的为全螺纹,杆部的不完全螺纹长度约为3P。3.公称长度(?)比虚线位置长的话,?g(最大)及?s(最小)根据下式决定。?g(最大)=公称长度(?)-b?s(最小)=?g(最大)-5P2.内六角螺栓的L和?s及?g单位:mm螺纹的公称直径(d)M3M4M5M6M8L?smin.及?gmax.公称长度minmax?smin?gmax?smin?gmax?smin?gmax?smin?gmax?smin?gmax54.765.2465.766.2487.718.29109.7110.291211.6512.351615.6516.352019.5820.422524.5825.424.573029.5830.429.5126.510483534.535.511.5159136114039.540.516.520141811165.75124544.545.51923162110.75175049.550.52428212615.75225554.455.6263120.75276059.460.6313625.75326564.465.630.75377069.470.635.75428079.480.645.75529089.390.710099.3100.7110109.3110.7120119.3120.7130129.2130.8140139.2140.8150149.2150.8160159.2160.8180179.2180.8200199.05200.95220219.05220.95240239.05240.95260258.95261.05280278.95281.05300298.95301.05螺纹的公称直径(d)M10M12(M14)M16(M18)L?smin.及?gmax.公称长度minmax?smin?gmax?smin?gmax?smin?gmax?smin?gmax?smin?gmax54.765.2465.766.2487.718.29109.7110.291211.6512.351615.6516.352019.5820.422524.5825.423029.5830.423534.535.54039.540.54544.545.55.5135049.550.510.5185554.455.615.52310.25196059.460.620.52815.252410206564.465.625.53320.2529152511214.5177069.470.630.53825.2534203016269.5228079.480.640.54835.25443040263619.5329089.390.750.55845.25544050364629.54210099.3100.760.56855.25645060465639.552110109.3110.766.25746070566649.562120119.3...

1、当您付费下载文档后,您只拥有了使用权限,并不意味着购买了版权,文档只能用于自身使用,不得用于其他商业用途(如 [转卖]进行直接盈利或[编辑后售卖]进行间接盈利)。
2、本站所有内容均由合作方或网友上传,本站不对文档的完整性、权威性及其观点立场正确性做任何保证或承诺!文档内容仅供研究参考,付费前请自行鉴别。
3、如文档内容存在违规,或者侵犯商业秘密、侵犯著作权等,请点击“违规举报”。

碎片内容

内六角螺栓尺寸表

您可能关注的文档

确认删除?
VIP
微信客服
  • 扫码咨询
会员Q群
  • 会员专属群点击这里加入QQ群
客服邮箱
回到顶部