电脑桌面
添加小米粒文库到电脑桌面
安装后可以在桌面快捷访问

内浮顶油罐施工的方案指引VIP免费

内浮顶油罐施工的方案指引_第1页
1/17
内浮顶油罐施工的方案指引_第2页
2/17
内浮顶油罐施工的方案指引_第3页
3/17
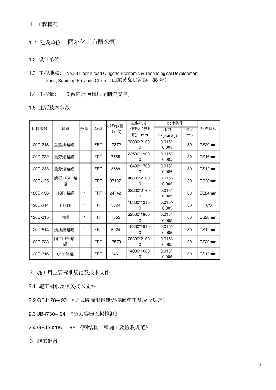
1内浮顶罐施工方案目次1.工程概况2.施工用主要标准规范及技术文件3.施工准备4.施工方法的确定5.组装工艺及要求6.焊接及其检验7.组装质量要求及检验方法8.质量保证措施9.安全施工技术要求21工程概况1.1建设单位:丽东化工有限公司1.2设计单位:1.3工程地点:No.88LiaoheroadQingdaoEconomic&TechnologicalDevelopmentZone,SandongProvinceChina(山东黄岛辽河路88号)1.4工程量:10台内浮顶罐现场制作安装。1.5主要技术参数:压力(kg/cm2g)温度(℃)120D-213重整油储罐1IFRT1737232000*216000.015/-0.00580CS20mm120D-232重芳烃储罐1IFRT755522500*190000.015/-0.00580CS16mm120D-233重芳烃储罐1IFRT358916400*170000.015/-0.00580CS12mm120D-135液压HSR储罐1IFRT3713746800*216000.015/-0.00580CS30mm120D-136HSR储罐1IFRT2474238200*216000.015/-0.00580CS24mm120D-314苯储罐1IFRT502418300*191000.015/-0.00580CS120D-315油罐1IFRT755522500*190000.015/-0.00580CS20mm120D-514残油液储罐1IFRT502418300*191000.015/-0.00580CS12mm120D-223间二甲苯储罐1IFRT1357928300*216000.015/-0.00580CS20mm120D-316C11储罐1IFRT246114000*160000.015/-0.00580CS12mm标称容量(m3)主要尺寸(内径*总长度)mm设计条件外壳材料项目编号装置数量类型2施工用主要标准规范及技术文件2.1施工图纸及相关技术文件2.2GBJ128—90《立式圆筒形钢制焊接罐施工及验收规范》2.3JB4730—94《压力容器无损检测》2.4GBJ50205—95《钢结构工程施工及验收规范》3施工准备33.1现场平台及防火:现场设置二个预制钢平台,尺寸为8m×15m。用δ=14mm、材质为Q235-A的钢板铺设;为避免施工给生产带来不必要的麻烦,用彩钢板将设备基础封闭施工,按3-4台同时施工计算用量约10000平方。3.2施工机具的准备及人员配备。3.2.1需准备的施工机具如下表:序号设备名称规格单位数量备注1直流电焊机26kw台102直流电焊机12~14kw台483空气压缩机0.6m3台44空气压缩机3m3/min台15空气压缩机6m3/min台16鼓风机(选用)风量35000m3/h台4风压260mmH2O7真空泵SSZ-2台18汽车吊16-25t台29简易龙门吊10t台110汽车10t台111汽车5t台112叉车5t台213半自动切割机G-100台414烘干箱300~500℃台115恒温箱150~300℃台216保温桶2kg个4817角向磨光机150型台818角向磨光机125型台1519角向磨光机100型台1520风动砂轮机150型个821X光探伤机3005型台222水准仪台123钻床(可选外协)30mm台124车床(可选外协)C20台125卷板机20×2000台226手拉葫芦10t个426手拉葫芦5t个2027螺旋千斤顶15t个1628液压千斤顶30t个129其他小型工具套若干以上工具可根据现场实际情况及业主要求适当进行增减3.2.2施工人员:4铆工:40人电焊工:48人气焊工:8人起重工:8人电工:2人架子工:4人安全员:2人质检员:4人技术员:2人施工队长:2人3.3施工平面布置图见施工组织设计。3.4施工手段用料准备如下表:序号名称规格单位数量1组装卡具胎具角钢∠70×70×6m210∠50×50×5m50∠100×100×10m50工字钢Ⅰ20am100Ⅰ14m39槽钢[18am230[12.6m180圆钢Ф16mmm40钢板δ12~18mm㎡45δ3~6mm㎡1502运输胎具槽钢[12.6m90钢管Ф89m253施工平台钢板δ14mm㎡2404钢丝绳Ф20(16×9)m9005防火彩钢板0.5㎜㎡10000手段用料不包括在报价中,在合同中另计3.5材料验收3.5.1罐用钢材、配件必须符合设计和规范要求,具有产品质量证明书或检验报告。3.5.2罐用钢板应逐张进行外观检查,其表面不得有气孔、裂纹、拉裂、夹渣、重皮现象。钢板厚度要求:板厚为6~7mm钢板允许偏差:-0.6mm;板厚为8mm~30mm钢板允许偏差:-0.8mm。3.6基础的验收及中间交接我方只对基础进行几何尺寸的复验,和甲方进行中间交接。其具体要求如下:3.6.1罐中心标高允许偏差为±20mm。3.6.2支承罐壁的基础表面,每隔10m弧长内任意两点的高度差≯6mm,整个圆周长度内任意两点的高度差≯12mm。3.6.3沥青砂层表面应平整密实,无突出的隆起,凹陷及贯穿裂纹。沥青砂层表面凹凸度的检查方法应为:以基础中心为圆心,以1/4D、1/2D、3/4D为直径作同心圆,在圆周上分别均分为8、16、24等分点。同一圆周上的测点其测量...

1、当您付费下载文档后,您只拥有了使用权限,并不意味着购买了版权,文档只能用于自身使用,不得用于其他商业用途(如 [转卖]进行直接盈利或[编辑后售卖]进行间接盈利)。
2、本站所有内容均由合作方或网友上传,本站不对文档的完整性、权威性及其观点立场正确性做任何保证或承诺!文档内容仅供研究参考,付费前请自行鉴别。
3、如文档内容存在违规,或者侵犯商业秘密、侵犯著作权等,请点击“违规举报”。

碎片内容

内浮顶油罐施工的方案指引

确认删除?
VIP
微信客服
  • 扫码咨询
会员Q群
  • 会员专属群点击这里加入QQ群
客服邮箱
回到顶部