电脑桌面
添加小米粒文库到电脑桌面
安装后可以在桌面快捷访问

煤矿安全综合管理审计式监察要素VIP免费

煤矿安全综合管理审计式监察要素_第1页
1/120
煤矿安全综合管理审计式监察要素_第2页
2/120
煤矿安全综合管理审计式监察要素_第3页
3/120
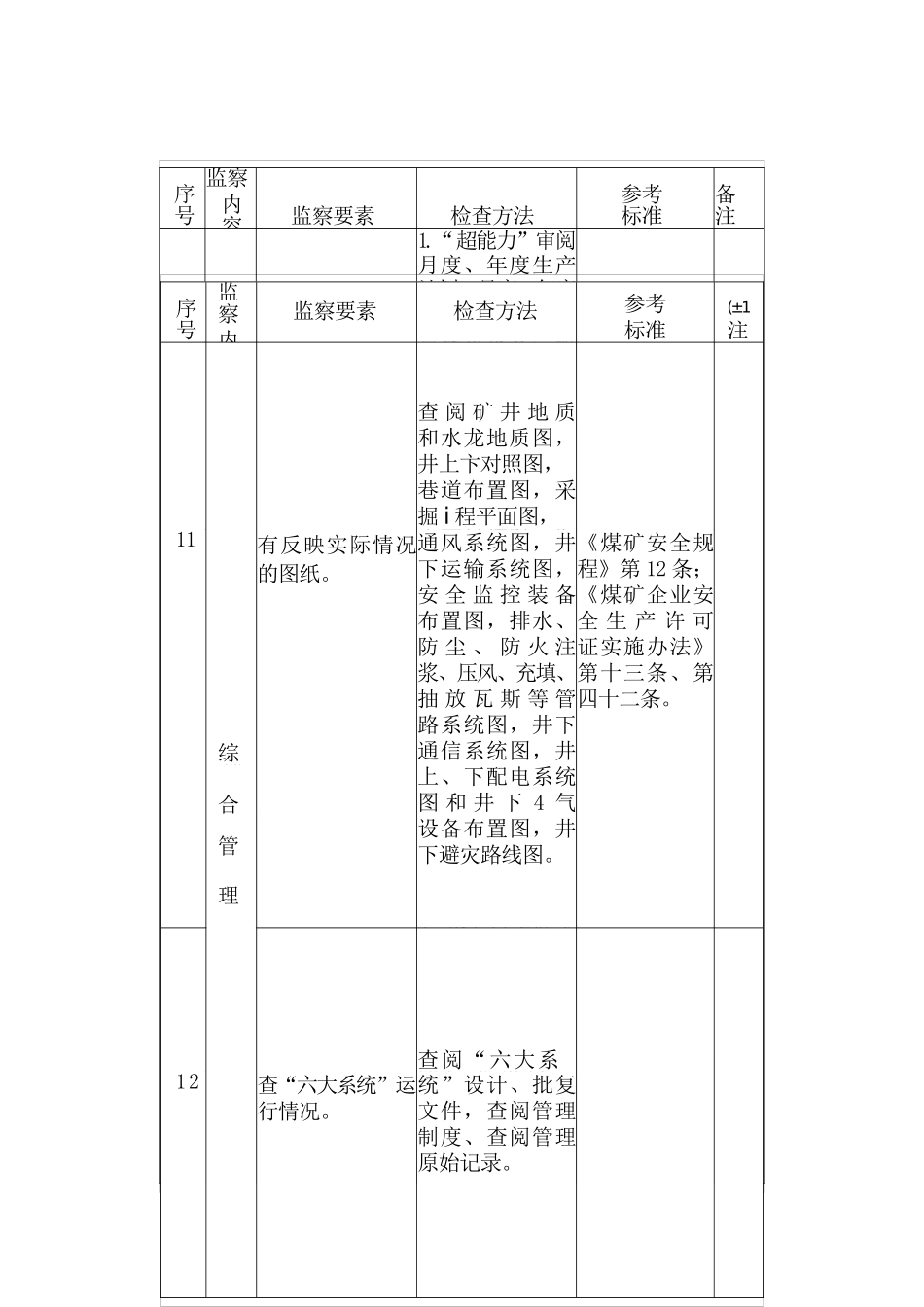
综合管理审计式监察要素序口号监察内容监察要素检查方法参考标?i11综“证照”是杏齐全、是否在有效期内。1.查阅采矿许可证、安全生产许可证、营业执照、矿长安全资格证/矿长证正、副本;2.现#主要负责人、矿长是否与证件一致;3.是否应《国务院关于预防煤矿生产安全事故的特别规定》第甚条;《煤矿企业安全祖垂许可证獒鎌办法》第二第_:燁矿产许可证实施办法》第二十矣。2合管理是否设置安全管理机构,人数是否符合本企业安全生产需要。查看煤矿企业红头文件,查看人员在册情况;是否有人员交替雜。3赫建立、健全安全生产责任制,查落实情况。査是否有以煤矿名义印发的#,逐项检查_导、各业务科室、各部门负责人责任制;查阅有关记录看是否安全规定报告事故和重大安全生产隐患。《煤矿安全规畜S第3《妾全:生产法》第十七条;《煤矿企业安全生产许可证实施办法》第五序号监察内容监察要素裣查方法参考标准^备注4合管理安全生产规章制度、各工种操作规程是否建立健查是否有以煤矿名义印发的文件。查操作规程以煤矿十大特fkA员为主。《煤矿安全规藥$第3‘;《妾查生产法》第十七条;《煤矿企业安全生产许可证实施办法》第五条。5矿领导带班下井情况。查带班月度计划;查带班情况是否在井口公布;查带班记录、档案是否符合要求;查是否经培训取得资格证跟班,查公司下任命文件是否具有跟班资格;到调度室査人员定位系统,查台账记录与定位系统是否一致。6安全生产许可证自查情况。查阅自查表、相关记录、档案。7查新入矿工人培训情况。查培训档案,培训日士间是否少于72小时,査阅培训记录和考核记录。;序号监察内监察要素检査方—法参考标准备汪8综合管理“三岗人员”人员培训、持上岗情况。查看上个检查当天期特种作业人员的出勸台账、有关原始记录倒查無证情况。如,查瓦斯检査工、水文地质钻探工、安全检查工等。査全矿特种作业人员台账〇安全管理人员培训倩况包括职能科室、区队负责人。\9安全费用提取、使用情况。查上年度生产原煤、吨煤提取i[、挺取安全费用总额是否符合她舍;安全袷用使甩是否符合文#规定的范围,査财务台账、查设备设施、仪器仪表台账核对。《煤矿企业安全生产许可证实施办法》第六条八婕矿生产安全费用提取和使用管理办法〉丨财®[2004]119号;《关于调整煤费用提取标准的通知》财建[2005)168号。序号监察内容监察要素检查方法参考标准备注10合管理查“超能力、超强度、超定员”情况1.“超能力”审阅月度、年度生产计划,月度、年度生产快拫,查销售煤量报表、财务被表,三项呙容梭对数据一致,有一项齒计到10%应进一歩调查。必荽时按M导线点查#工作面推进度与报表产量核对。2.“超强度”查阋年度主要生产系统设备、设施夫j參计划及大修记秦;桑掘设H共电系统设备设施年度、月度检修弁划录。未大修、未按规定检修属于超强度。查阅生产计划、图破,是否一个采区内同一煤层布置3个(含3个)以上回采工#面或5个(含5个)掘进工作面。3.“超定员”查阅定员编制文件,查阅每个采区、工作面人井人数与定员是否一致,与井下考勤系统、人员定位《特别规定》446号令序号监察内监察要素检查方法参考标准(±1注查阅矿井地质和水龙地质图,井上卞对照图,巷道布置图,采掘i程平面图,11综有反映实际情况的图纸。通风系统图,井下运输系统图,安全监控装备布置图,排水、防尘、防火注浆、压风、充填、抽放瓦斯等管路系统图,井下通信系统图,井上、下配电系统图和井下4气设备布置图,井下避灾路线图。《煤矿安全规程》第12条;《煤矿企业安全生产许可证实施办法》第十三条、第四十二条。合管理查阅“六大系12查“六大系统”运行情况。统”设计、批复文件,查阅管理制度、查阅管理原始记录。序号监察内容.监察要素检查方法蔘考标_备注13合管理是否按有关规定缴存和徒用安全生产风险抵押金D查煤矿企业财务帐和有关规舍。《安全生产法》第十八条;《安▲生产违法行为行政处罚办法》第四十二条14煤矿存在髙瓦斯、煤与宽斯突出、煤坐議炸危险、永文地质条件复杂、煤层自M发火崩6个月、煤层冲击倾向;等以上重:£:(§;.齒沾,痛矿至少每2年进测:#估、监控措施和应急预案报Ho查阅评估报告...

1、当您付费下载文档后,您只拥有了使用权限,并不意味着购买了版权,文档只能用于自身使用,不得用于其他商业用途(如 [转卖]进行直接盈利或[编辑后售卖]进行间接盈利)。
2、本站所有内容均由合作方或网友上传,本站不对文档的完整性、权威性及其观点立场正确性做任何保证或承诺!文档内容仅供研究参考,付费前请自行鉴别。
3、如文档内容存在违规,或者侵犯商业秘密、侵犯著作权等,请点击“违规举报”。

碎片内容

煤矿安全综合管理审计式监察要素

海纳百川+ 关注
实名认证
内容提供者

热爱教学事业,对互联网知识分享很感兴趣

相关文档

确认删除?
VIP
微信客服
  • 扫码咨询
会员Q群
  • 会员专属群点击这里加入QQ群
客服邮箱
回到顶部