电脑桌面
添加小米粒文库到电脑桌面
安装后可以在桌面快捷访问

无机结合料稳定材料VIP免费

无机结合料稳定材料_第1页
1/8
无机结合料稳定材料_第2页
2/8
无机结合料稳定材料_第3页
3/8
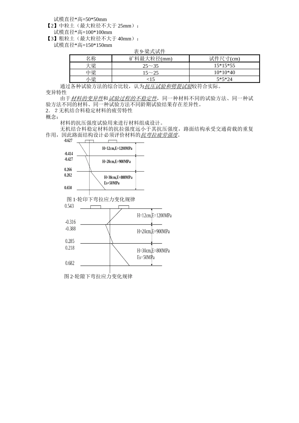
第七章无机结合料稳定材料1.概述定义:在粉碎的或原来松散的土中掺入一定量的无机结合料(包括水泥、石灰或工业废渣等)和水,经拌和得到的混合料在压实与养生后,其抗压强度符合规定的要求的材料称为无机结合料稳定材料。以此修筑的路面称为无机结合料稳定路面。特点:无机结合料稳定路面具有稳定性好、抗冻性能好、结构本身自成板体等特点,但其耐磨性差。因此广泛用于修筑路面结构的基层和底基层。(1)具有一定的抗拉强度,且各种材料的抗拉强度有明显的不同。(2)环境温度对半刚性材料强度有很大的影响;(3)强度和刚度都随龄期增长;(4)刚度较柔性路面大,但比刚性路面小;(5)承载能力和分布荷载能力大于柔性路面;(6)容许弯沉小于柔性路面;(7)容易产生收缩裂缝。土种类:粉碎的或原来松散的土按照土中单个颗粒(指碎石、砾石和砂颗粒)的粒径的大小和组成,将土分成细粒土、中粒土和粗粒土。细粒土:颗粒的最大粒径小于10mm,且其中大于2mm的颗粒不少于90%。中粒土:颗粒的最大粒径小于30mm,且其中大于20mm的颗粒不少于85%。粗粒土:颗粒的最大粒径小于50mm,且其中大于40mm的颗粒不少于85%。无机结合料稳定材料种类:不同的土与无机结合料拌和得到不同的稳定材料。例石灰土、水泥土、水泥砂砾、石灰粉煤灰碎石等。无机结合料稳定材料种类较多,其物理、力学性质各有特点,应根据结构要求,掺加剂和原材料的供应情况及施工条件,进行综合技术、经济比较后确定。使用场合:由于无机结合料稳定材料其刚度介于粒料和水泥混凝土之间,常称此为半刚性材料,以此修筑的基层或底基层亦称为半刚性基层。2.无机结合料稳定材料的特性无机结合料稳定材料的力学特征包括应力-应变关系、疲劳特性、收缩特性、温缩特性。2.1无机结合料稳定材料的应力-应变特征设计龄期无机结合料稳定路面的重要特点之一是强度和模量随龄期的增长而不断增长,逐渐具有一定的刚性性质。一般规定水泥稳定类材料设计龄期为三个月,石灰或二灰稳定类材料设计龄期六个月。试验方法:半刚性材料应力-应变特征试验方法有顶面法、粘贴法,夹具法和承载板法等。顶面法:直接在试件顶面用千分表测量回弹变形;粘贴法:在柱体壁上两端各1/6高度处粘贴支架,用千分表测量中间2/3柱体的回弹变形;夹具法:在柱体壁上两端各1/6高度处套一箍,在箍上伸出支架,用千分表测量中间2/3柱体的回弹变形;承载板法:用小承载板在试件中间模拟野外测定方法。试验结果表明:顶面法较合理。试件有圆柱体试件和梁式试件。试验内容有抗压强度、抗压回弹模量、劈裂强度和劈裂模量、抗弯拉强度和抗弯拉模量。圆柱体试件:抗压、劈裂试验;梁式试件:抗弯拉试验【1】细粒土(最大粒径不大于10mm):试模直径*高=50*50mm【2】中粒土(最大粒径不大于25mm):试模直径*高=100*100mm【3】粗粒土(最大粒径不大于40mm):试模直径*高=150*150mm表9·梁式试件名称矿料最大粒径(mm)试件尺寸(cm)大梁25~3515*15*55中梁15~2510*10*40小梁<155*5*24通过各种试验方法的综合比较,认为抗压试验和劈裂试验较符合实际。变异特性由于材料的变异性和试验过程的不稳定性,同一种材料不同的试验方法、同一种试验方法不同的材料、同一种试验方法不同龄期试验结果存在差异性。2.2无机结合料稳定材料的疲劳特性概念:材料的抗压强度试验用来进行材料组成设计。无机结合料稳定材料的抗拉强度远小于其抗压强度,路面结构承受交通荷载的重复作用,因此路面结构设计必须评价材料的抗弯拉疲劳强度。图1·轮印下弯拉应力变化规律图2·轮隙下弯拉应力变化规律图3·面层模量与轮隙弯沉变化规律图5·面层模量与底基层弯应力变化规律试验方法:抗拉强度试验方法有直接抗拉试验、间接抗拉试验和弯拉试验。常用的疲劳试验有弯拉疲劳试验和劈裂疲劳试验。数据处理:无机结合料稳定材料的疲劳寿命主要取决于重复应力与极限强度之比(σf/σs)试验结果表明:当σf/σs小于50%,可经受无限次重复加荷次数而不会疲劳破裂。疲劳性能通常用σf/σs与达到破坏时反复作用次数(Nf)所绘所的散点图来说明。试验证明σf/σs与Nf之间关系通常用双对数疲劳方程(lgN...

1、当您付费下载文档后,您只拥有了使用权限,并不意味着购买了版权,文档只能用于自身使用,不得用于其他商业用途(如 [转卖]进行直接盈利或[编辑后售卖]进行间接盈利)。
2、本站所有内容均由合作方或网友上传,本站不对文档的完整性、权威性及其观点立场正确性做任何保证或承诺!文档内容仅供研究参考,付费前请自行鉴别。
3、如文档内容存在违规,或者侵犯商业秘密、侵犯著作权等,请点击“违规举报”。

碎片内容

无机结合料稳定材料

您可能关注的文档

确认删除?
VIP
微信客服
  • 扫码咨询
会员Q群
  • 会员专属群点击这里加入QQ群
客服邮箱
回到顶部