电脑桌面
添加小米粒文库到电脑桌面
安装后可以在桌面快捷访问

经济型数控系统研究与设计说明书VIP免费

经济型数控系统研究与设计说明书_第1页
1/29
经济型数控系统研究与设计说明书_第2页
2/29
经济型数控系统研究与设计说明书_第3页
3/29
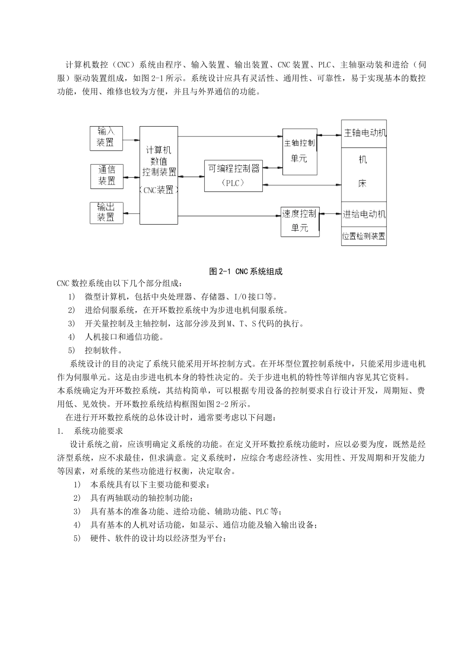
目 录目 录--------------------------------------------------------------------1摘 要 -------------------------------------------------------------------2第一章 绪论-----------------------------------------------------------------2第二章 CNC 系统总体方案的确定-----------------------------------------------32.1 系统总体方案--------------------------------------------------------------32.2 系统功能模块及其分析-------------------------------------------------------5第三章 硬件系统设计---------------------------------------------------------73.1 控制系统硬件设计-----------------------------------------------------------73.2 主模块设计----------------------------------------------------------------83.3 输入/输出模块设计----------------------------------------------------------93.4 人机界面模块设计----------------------------------------------------------113.4.1 显示方式的确定--------------------------------------------------------113.4.2 数控操作面板外形图设计-------------------------------------------------123.4.3 机床操作面板设计------------------------------------------------------123.5 系统安装结构设计----------------------------------------------------------133.6 PLC 在 CNC 系统中的应用----------------------------------------------------133.7 系统电气原理图设计--------------------------------------------------------15第四章 系统软件设计--------------------------------------------------------154.1 软件功能设计-------------------------------------------------------------154.2 软件结构分析、设计--------------------------------------------------------164.3 人机界面及其软件实现技术---------------------------------------------------174.3.1 菜单驱动技术的应用---------------------------------------------------174.4 逐点比较插补法的软件实现--------------------------------------------------174.4.1 直线插补原理---------------------------------------------------------174.4.2 直线插补—G01 程序设计------------------------------------------------...

1、当您付费下载文档后,您只拥有了使用权限,并不意味着购买了版权,文档只能用于自身使用,不得用于其他商业用途(如 [转卖]进行直接盈利或[编辑后售卖]进行间接盈利)。
2、本站所有内容均由合作方或网友上传,本站不对文档的完整性、权威性及其观点立场正确性做任何保证或承诺!文档内容仅供研究参考,付费前请自行鉴别。
3、如文档内容存在违规,或者侵犯商业秘密、侵犯著作权等,请点击“违规举报”。

碎片内容

经济型数控系统研究与设计说明书

您可能关注的文档

墨香书阁+ 关注
实名认证
内容提供者

热爱教学事业,对互联网知识分享很感兴趣

确认删除?
VIP
微信客服
  • 扫码咨询
会员Q群
  • 会员专属群点击这里加入QQ群
客服邮箱
回到顶部