电脑桌面
添加小米粒文库到电脑桌面
安装后可以在桌面快捷访问

凯恩帝G71G73G78编程实例VIP免费

凯恩帝G71G73G78编程实例_第1页
1/3
凯恩帝G71G73G78编程实例_第2页
2/3
凯恩帝G71G73G78编程实例_第3页
3/3
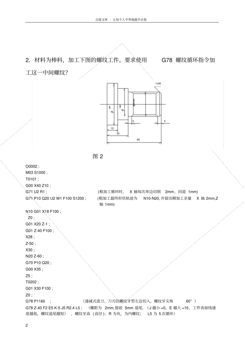
百度文库- 让每个人平等地提升自我1 1.材料为棒料,试用复合型车削循环指令加工该产品?直径30直径20R12515R1045此点相对于工件右端面零点(19.88,-18.72)图 1 O0001 ; M03 S800 ; T0101 ; G00 X35 Z10 ; G73 U18 W0 R15 ; (粗加工余量:X 方向半径值18mm,Z 向 0mm,分 15 次加工)G73 P10 Q20 U2 W0 F100 ; (指令粗加工按N10-N20 轨迹加工,并留出精加工余量X 轴 U=2mm( 直径 ),轴 W=0)N10 G00 X0 ; Z0 ; G03 R12 F80 ; G02 X20 Z-30 R10 F80 ; G01 Z-40 F100 ; X30 ; Z-45 ; N20 G0 X31 ; G0 X-1 Z5 ; G42 G01 X0 Z1 F100 ; (刀尖半径右补偿,到位号为3)Z0 ; G03 R12 F80 ; G02 X20 Z-30 R10 F80 ; G01 Z-40 F100 ; X30 ; (X30-X31 这一句,如果刀尖半径>=1mm 时,就会出现过切报警)Z-45 ; X31 ; G40 G00 X45 ; Z30 ; M05 ; M30 ; 百度文库- 让每个人平等地提升自我2 2.材料为棒料,加工下图的螺纹工件。要求使用G78 螺纹循环指令加工这一中间螺纹?3028M20X21020601x4555图 2 O0002 ; M03 S1000 ; T0101 ; G00 X40 Z10 ; G71 U2 R1 ; (粗加工循环时,X 轴每次单边切削2mm,回退 1mm) G71 P10 Q20 U2 W1 F100 S1200 ; (粗加工最终形状轨迹为N10-N20, 并留出精加工余量X 轴 2mm,Z轴 1mm) N10 G01 X18 F100 ; Z0 ; G01 X20 Z-1 ; G01 Z-40 F100 ; X28 ; Z-50 ; X30 ; N20 Z-60 ; G70 P10 Q20 ; G00 X35 ; Z5 ; T0202 ; G01 X30 F100 ; Z0 ; G78 P1160 ; (递减式进刀,刀刃沿螺纹牙型左边切入,螺纹牙尖角60° )G78 Z-40 F2 E5 K-5 J5 R2.4 L5 ; (螺距为 2mm,提前 5mm 退尾,(J 越小 =0,E 越大 =15,工件表面线速度越低,螺纹退尾越短) ,螺纹牙高 (直径 );R 为负,为内螺纹;L5 为 5 次循环)百度文库- 让每个人平等地提升自我3 G00 X35 ; Z5 ; M05 ; M30 ;

1、当您付费下载文档后,您只拥有了使用权限,并不意味着购买了版权,文档只能用于自身使用,不得用于其他商业用途(如 [转卖]进行直接盈利或[编辑后售卖]进行间接盈利)。
2、本站所有内容均由合作方或网友上传,本站不对文档的完整性、权威性及其观点立场正确性做任何保证或承诺!文档内容仅供研究参考,付费前请自行鉴别。
3、如文档内容存在违规,或者侵犯商业秘密、侵犯著作权等,请点击“违规举报”。

碎片内容

凯恩帝G71G73G78编程实例

文库当当响+ 关注
实名认证
内容提供者

该用户很懒,什么也没介绍

确认删除?
VIP
微信客服
  • 扫码咨询
会员Q群
  • 会员专属群点击这里加入QQ群
客服邮箱
回到顶部