电脑桌面
添加小米粒文库到电脑桌面
安装后可以在桌面快捷访问

Z3040B摇臂钻床电气控制技术-沈阳航空职业技术学院沈VIP免费

Z3040B摇臂钻床电气控制技术-沈阳航空职业技术学院沈_第1页
1/12
Z3040B摇臂钻床电气控制技术-沈阳航空职业技术学院沈_第2页
2/12
Z3040B摇臂钻床电气控制技术-沈阳航空职业技术学院沈_第3页
3/12
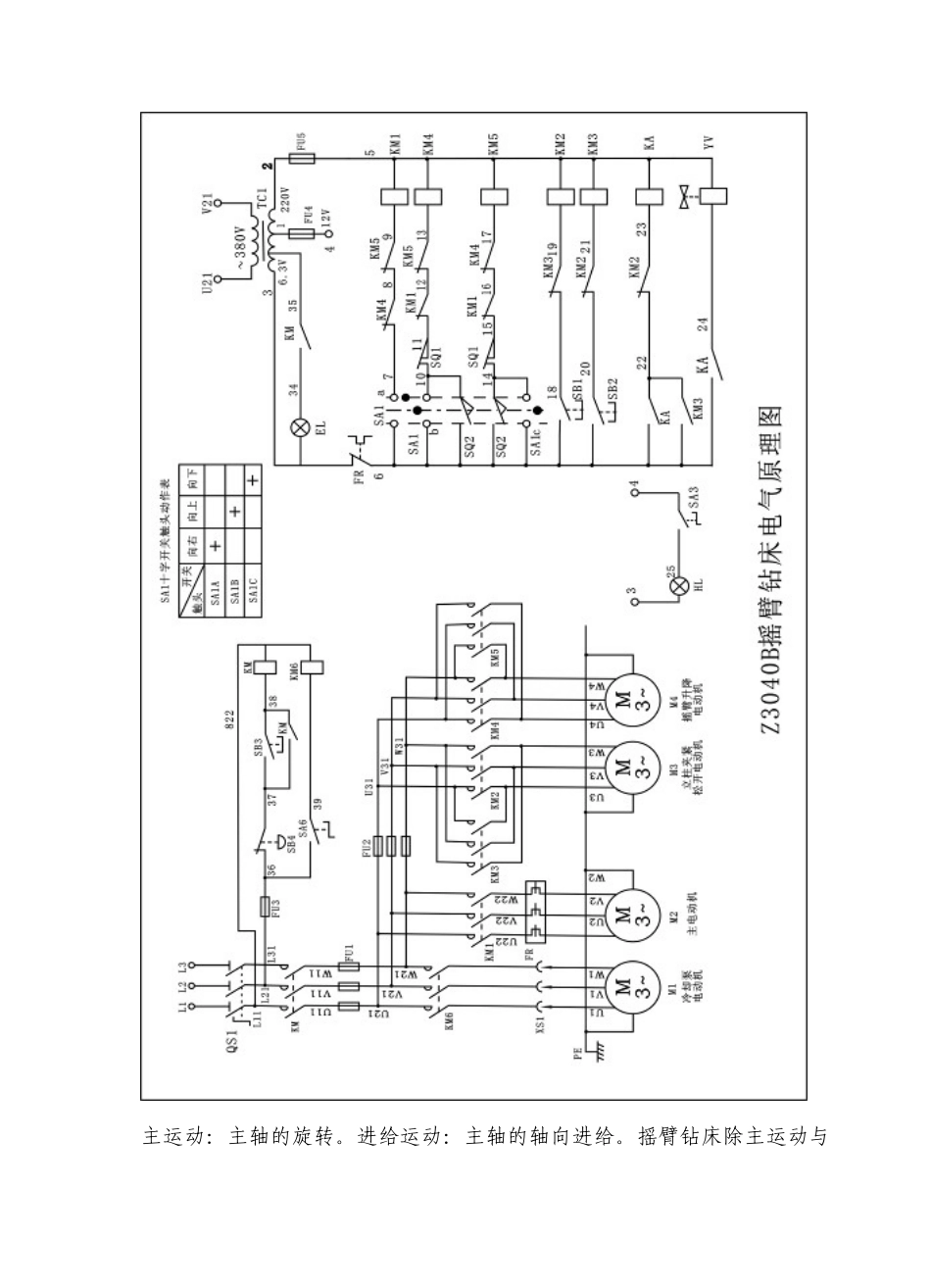
Z3040B 摇臂钻床的实训说明一、Z3040B 摇臂钻床实训的基本组成1、面板 1面板上安装有机床的所有主令电器及动作指示灯、机床的所有操作都在这块面板上进行,指示灯可以指示机床的相应动作。2、面板 2面板上装有断路器、熔断器、接触器、热继电器、变压器等元器件,这些元器件直接安装在面板表面,可以很直观的看它们的动作情况。3、三相异步电动机四个 380V 三相鼠笼异步电动机,分别用作主轴电动机、冷却泵电动机、立柱松紧电动机和摇臂升降电动机。4、故障开关箱设有 32 个开关,其中 K1 到 K25 用于故障设置;K26 到 K31 保留;K32 用作指示灯开关,可以用来设置机床动作指示与不指示。二、机床原理图机械原理图如图 1 所示。三、KH-Z3040B 摇臂钻床电气线路的工作原理㈠主要结构及运动形式右图是 Z3040B 摇臂钻床的外形图。它主要由底座、内立柱、外立柱、摇臂、主轴箱、工作台等组成。内立柱固定在底座上,在它外面套着空心的外立柱,外立柱可绕着内立柱回转一周,摇臂一端的套筒部分与外立柱滑动配合 ,借助于丝杆,摇臂可沿着外立柱上下移动,但两者不能作相对移动,所以摇臂将与外立柱一起相对内立柱回转。主轴箱是一个复合的部件,它具有主轴及主轴旋转部件和主轴进给的全部变速和操纵机构。主轴箱可沿着摇臂上的水平导轨作径向移动。当进行加工时,可利用特殊的夹紧机构将外立柱紧固在内立柱上,摇臂紧固在外立柱上,主轴箱紧固在摇臂导轨上,然后进行钻削加工。主运动:主轴的旋转。进给运动:主轴的轴向进给。摇臂钻床除主运动与进给运动外,还有外立柱、摇臂和主轴箱的辅助运动,它们都有夹紧装置和固定位置。摇臂的升降及夹紧放松由一台异步电动机拖动,摇臂的回转和主轴箱的径向移动采用手动,立柱的夹紧松开由一台电动机拖动一台齿轮泵来供给夹紧装置所用的压力油来实现,同时通过电气联锁来实现主轴箱的夹紧与放松。摇臂钻床的主轴旋转和摇臂升降不允许同时进行,以保证安全生产。㈡电力拖动特点及控制要求1.由于摇臂钻床的运动部件较多,为简化传动装置,使用多电机拖动,主电动机承担主钻削及进给任务,摇臂升降及其夹紧放松、立柱夹紧放松和冷却泵各用一台电动机拖动。2.为了适应多种加工方式的要求,主轴及进给应在较大范围内调速。但这些调速都是机械调速,用手柄操作变速箱调速,对电动机无任何调速要求。从结构上看,主轴变速机构与进给变速机构应该放在一个变速箱内,而且两种运动由一台电动机拖动...

1、当您付费下载文档后,您只拥有了使用权限,并不意味着购买了版权,文档只能用于自身使用,不得用于其他商业用途(如 [转卖]进行直接盈利或[编辑后售卖]进行间接盈利)。
2、本站所有内容均由合作方或网友上传,本站不对文档的完整性、权威性及其观点立场正确性做任何保证或承诺!文档内容仅供研究参考,付费前请自行鉴别。
3、如文档内容存在违规,或者侵犯商业秘密、侵犯著作权等,请点击“违规举报”。

碎片内容

Z3040B摇臂钻床电气控制技术-沈阳航空职业技术学院沈

您可能关注的文档

书海行舟+ 关注
实名认证
内容提供者

热爱教学事业,对互联网知识分享很感兴趣

确认删除?
VIP
微信客服
  • 扫码咨询
会员Q群
  • 会员专属群点击这里加入QQ群
客服邮箱
回到顶部