电脑桌面
添加小米粒文库到电脑桌面
安装后可以在桌面快捷访问

分享建筑施工手册系列之地下防水工程_17-6_排水法VIP免费

分享建筑施工手册系列之地下防水工程_17-6_排水法_第1页
1/9
分享建筑施工手册系列之地下防水工程_17-6_排水法_第2页
2/9
分享建筑施工手册系列之地下防水工程_17-6_排水法_第3页
3/9
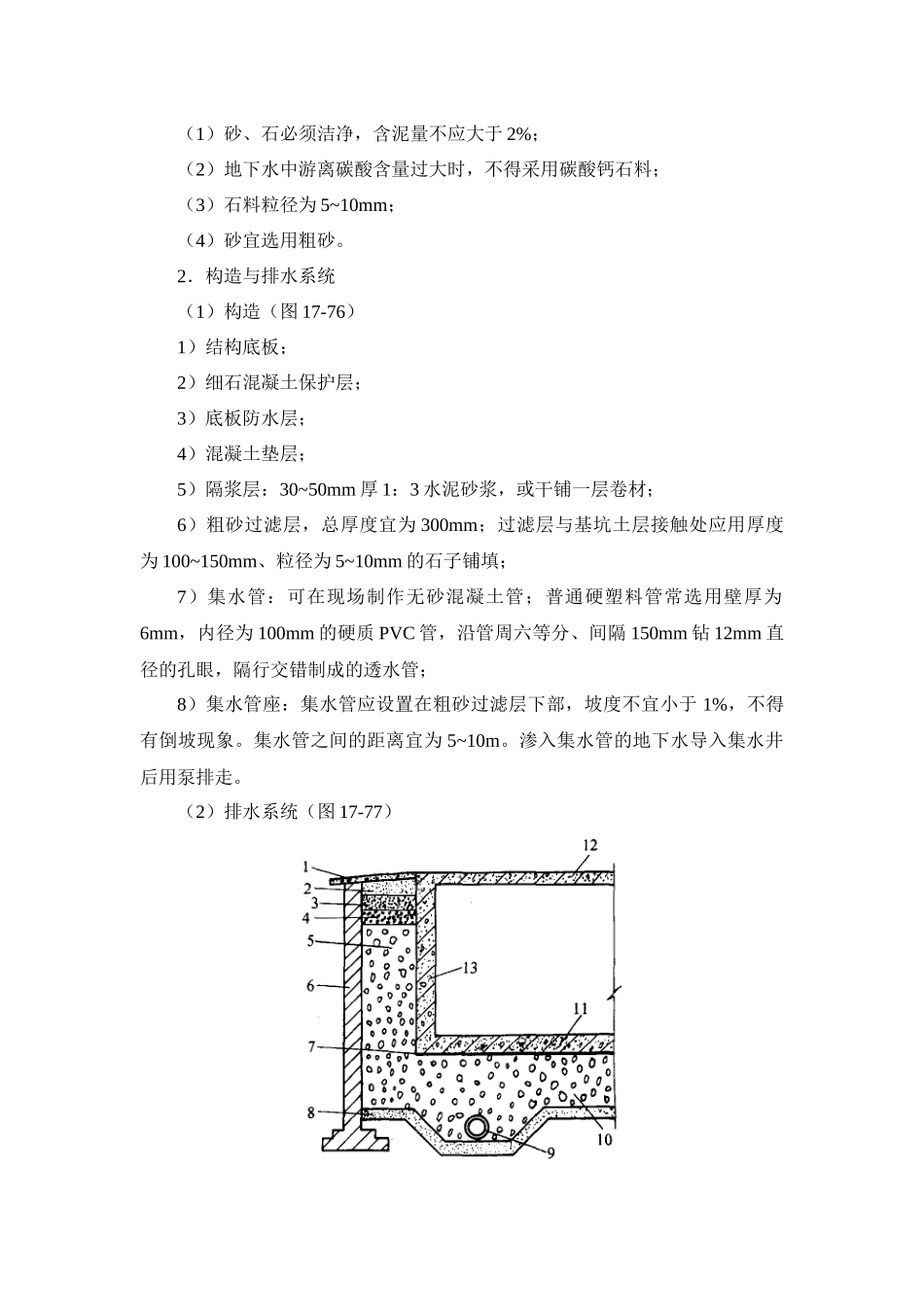
17-6 排水法排水法是用疏导的方法将地下水有组织地经过排水系统排走,以削弱水对地下结构的压力,减小水对结构的渗透作用,从而辅助地下工程达到防水目的。对于重要的、防水要求较高且有抗浮要求的地下工程,在制定防水方案时,可结合排水法一并考虑。有自流排水条件的地下工程,应采用自流排水法。无自流排水条件且需考虑排水的地下工程,可采用渗排水、盲沟排水,或机械排水。但应注意,勿因排水而危及地面建筑物。17-6-1 渗排水渗排水层设置在工程结构底板下面,由粗砂过滤层与集水管组成,见图 17-76。图 17-76 渗排水层构造1-结构底板;2-细石混凝土;3-底板防水层;4-混凝土垫层;5-隔浆层;6-粗砂过滤层;7-集水管;8-集水管座渗排水层总厚度一般不应小于 300mm。如较厚时,应分层铺填,每层厚度不得超过 300mm,并拍实和铺平。1.材料要求(1)砂、石必须洁净,含泥量不应大于 2%;(2)地下水中游离碳酸含量过大时,不得采用碳酸钙石料;(3)石料粒径为 5~10mm;(4)砂宜选用粗砂。2.构造与排水系统(1)构造(图 17-76)1)结构底板;2)细石混凝土保护层;3)底板防水层;4)混凝土垫层;5)隔浆层:30~50mm 厚 1:3 水泥砂浆,或干铺一层卷材;6)粗砂过滤层,总厚度宜为 300mm;过滤层与基坑土层接触处应用厚度为 100~150mm、粒径为 5~10mm 的石子铺填;7)集水管:可在现场制作无砂混凝土管;普通硬塑料管常选用壁厚为6mm,内径为 100mm 的硬质 PVC 管,沿管周六等分、间隔 150mm 钻 12mm 直径的孔眼,隔行交错制成的透水管;8)集水管座:集水管应设置在粗砂过滤层下部,坡度不宜小于 1%,不得有倒坡现象。集水管之间的距离宜为 5~10m。渗入集水管的地下水导入集水井后用泵排走。(2)排水系统(图 17-77)图 17-77 渗排水层示意1-混凝土保护层;2-300 厚细砂层;3-300 厚粗砂层;4-300 厚小砾石或碎石;5-渗排水墙石子滤水层;6-保护墙;7-隔浆层;8-砂滤水层;9-集水管;10-渗排水层石子滤水层;11-防水结构底板;12-防水结构顶板;13-防水结构侧壁1)渗排水层系统 即基底下满铺砾石渗水层,渗水层下按一定间距设置渗水沟,沟内安设集水管,沿基底外围有渗水墙,地下水经过渗水墙、渗排水层流入渗水沟,进入集水管,沿管流入集水井,而后汇集于吸水泵房排出。2)渗排水沟系统 基底下每隔 20m 左右设置渗水沟,与基底四周的渗水墙或渗排水沟相连通,形成外部渗排水系统。地下水从易透水的...

1、当您付费下载文档后,您只拥有了使用权限,并不意味着购买了版权,文档只能用于自身使用,不得用于其他商业用途(如 [转卖]进行直接盈利或[编辑后售卖]进行间接盈利)。
2、本站所有内容均由合作方或网友上传,本站不对文档的完整性、权威性及其观点立场正确性做任何保证或承诺!文档内容仅供研究参考,付费前请自行鉴别。
3、如文档内容存在违规,或者侵犯商业秘密、侵犯著作权等,请点击“违规举报”。

碎片内容

分享建筑施工手册系列之地下防水工程_17-6_排水法

您可能关注的文档

确认删除?
VIP
微信客服
  • 扫码咨询
会员Q群
  • 会员专属群点击这里加入QQ群
客服邮箱
回到顶部