电脑桌面
添加小米粒文库到电脑桌面
安装后可以在桌面快捷访问

禾草沟煤矿井下变电所竣工资料改VIP免费

禾草沟煤矿井下变电所竣工资料改_第1页
1/81
禾草沟煤矿井下变电所竣工资料改_第2页
2/81
禾草沟煤矿井下变电所竣工资料改_第3页
3/81
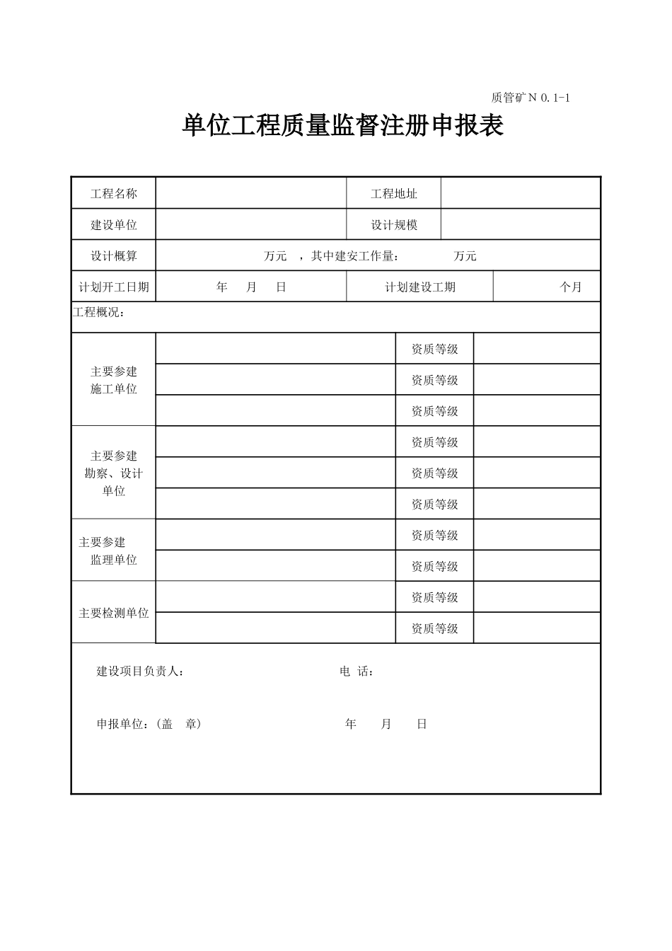
开工准备阶段技术文件资料目录序号资料编号资料名称分数/页数备注1质管安 NO.1-1单位工程监督注册表12质管安 NO.1-2煤炭工业建设工程质量监督书13质管安 NO.1-3建设工程各责任主体单位及有关机构负责人简况表/4质管安 NO.1-4各责任主体单位工程质量保证体系表35质管安 NO.1-5中标通知书及施工合同16质管安 NO.1-6企业资质及人员上岗证17质管安 NO.1-7设计交底、图纸会审记录/8质管安 NO.1-8技术(安全)交底资料59质管安 NO.1-9开工报告1 质管矿N O.1-1 单位工程质量监督注册申报表工程名称工程地址建设单位设计规模设计概算万元 ,其中建安工作量: 万元 计划开工日期 年 月 日计划建设工期 个月工程概况:主要参建施工单位资质等级资质等级资质等级主要参建勘察、设计单位资质等级资质等级资质等级主要参建监理单位资质等级资质等级主要检测单位资质等级资质等级 建设项目负责人: 电 话:申报单位:(盖 章) 年 月 日质监 NO.1-2 煤炭工业建设工程质量监督书 ________________________:你单位申报注册时提供的文件和资料经审查,符合规定,已交纳工程质量监督技术服务费。同意办理工程质量监督注册手续。我站将对该工程实施质量监督管理,并按《建设工程质量管理条例》履行责任和义务。 工程名称: ________________________ 工程地点:__________________________ 监督注册号:_______________________ ____________________工程质量监督站 年 月 日煤 炭 工 业 建 设 工 程 施工单位工程质量保证体系表 工程名称井下主变电所电气设备安装单位名称中煤第一建设有限公司邮 编 056000 地 址中国河北省邯郸市丛台东路 52 号联系电话0310-7159999 专业范围及资质等级机电安装工程施工总承包壹级资质证号法定代表人赵中厚单位技术负责人蒲元宏 职务 (或工种)姓 名专业职称证书编号分 工备 注项目负责人郭林忠高级工程师项目经理技术负责人蒲元宏高级工程师技术经理郭茂森工程师项目副经理马天明工程师生产经理成洪湖工程师机电经理曹高峰工程师安监站站长专职人员张卫堂工程师安全经理李建国助理工程师技术员刘俊沛工程师安全副经理赵凯助理工程师质检员褚文含助理工程师测量员煤 炭 工 业 建 设 工 程 建设单位工程质量保证体系表工程名称井下主变电所电气设备安装单位名称延安市禾草沟煤业有限公司邮 编717300地 址陕西省子长县寺湾乡后滴哨村联系电话0911-2643316法定代表...

1、当您付费下载文档后,您只拥有了使用权限,并不意味着购买了版权,文档只能用于自身使用,不得用于其他商业用途(如 [转卖]进行直接盈利或[编辑后售卖]进行间接盈利)。
2、本站所有内容均由合作方或网友上传,本站不对文档的完整性、权威性及其观点立场正确性做任何保证或承诺!文档内容仅供研究参考,付费前请自行鉴别。
3、如文档内容存在违规,或者侵犯商业秘密、侵犯著作权等,请点击“违规举报”。

碎片内容

禾草沟煤矿井下变电所竣工资料改

确认删除?
VIP
微信客服
  • 扫码咨询
会员Q群
  • 会员专属群点击这里加入QQ群
客服邮箱
回到顶部