电脑桌面
添加小米粒文库到电脑桌面
安装后可以在桌面快捷访问

某高速公路富锋特大桥换梁工程施工组织设计VIP免费

某高速公路富锋特大桥换梁工程施工组织设计_第1页
1/57
某高速公路富锋特大桥换梁工程施工组织设计_第2页
2/57
某高速公路富锋特大桥换梁工程施工组织设计_第3页
3/57
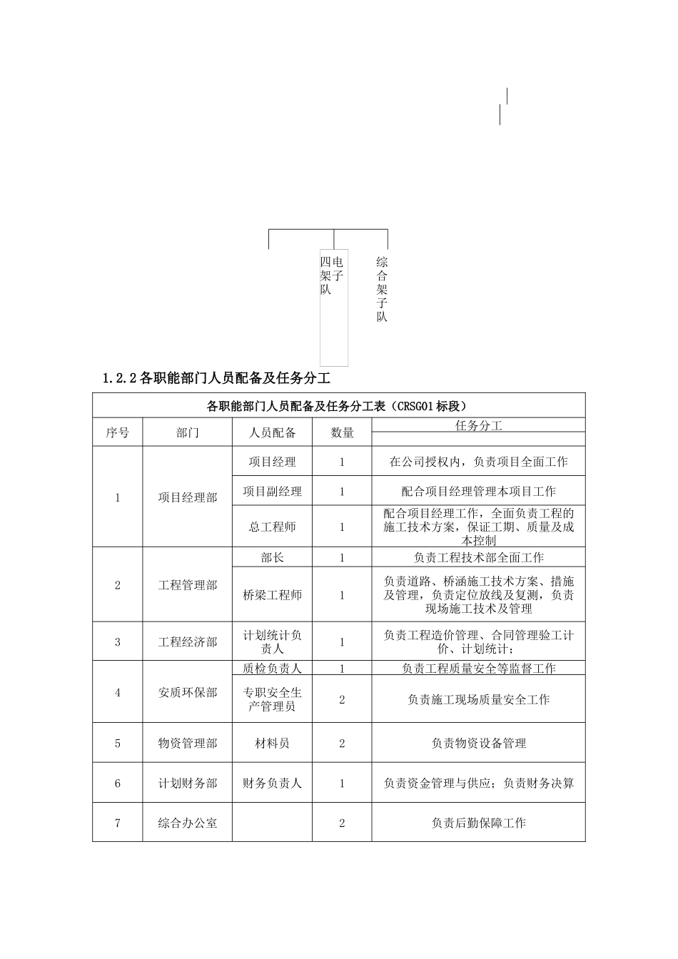
五、施工组织设计1.总体施工组织布置及规划1.1 工程概况1.1.1 工程主体简述1.1.1.1 既有立交桥概况富锋特大桥位于京哈高速公路长春西环段,是长春绕城高速公路(南端)跨越 102 国道和京哈铁路的一座跨线桥,该桥于 1997 年建设,1999 年建成通车。桥梁全长 1016m。本桥于京哈铁路大屯至孟家屯站间铁路上行里程 K986+560 处上跨铁路,公路与铁路交叉角为 74.2°。跨越处铁路上下行均为直线,6.2‰纵坡,线间距4.36m,路基高约 4-5m。既有桥下净空 6.7 米。该处道路为直线,2.72%、-1.28%纵坡,变坡点里程为 K41+150m,竖曲线半径为 17000m。主桥为(35+45+35)m 单箱单室预应力混凝土变截面连续梁,引桥为预应力砼装配式简支箱梁,总体布置为:12*30m+ ( 35+45+35 ) m+11*30m+5*35m+30m , 斜 交 角 15° 。 桥 面 宽 度 为2*[0.5(防撞护栏)+11.0m(行车道)+1.0m(波形护栏)]+1.0m 中央分隔带=26m。下部结构跨铁路部分主桥桥墩采用 Y 型墩,群桩基础,主桥过渡墩为双柱式墩,钻孔灌注桩基础。桥梁设计荷载:汽车-超 20 级,挂车-120。主桥箱梁为纵横向预应力结构,单箱单室,横向斜置 2%横坡。箱梁顶板宽12.5m,底板宽 7.0m,中跨跨中梁高为 1.55m,边跨支架现浇段梁高 1.35m,根部梁高 2.5m。箱梁顶板厚度为 25cm,箱梁悬臂厚 25-70cm,箱梁腹板厚 60cm,箱梁底板厚自中跨跨中(边跨过渡墩侧支点截面)向主墩中支点截面由 25cm 变化至 35cm。主桥共设置 5 道横隔梁(板),端横隔梁厚 1.14m,根部横隔梁厚1.0m,中跨跨中横隔板厚 0.2m。主桥采用分段支架现浇进行施工。纵向预应力束采用 15.2(7 5)jmm 钢绞线,配置 OVM15-7 锚具,均采用单端张拉,张拉控制应力为 1302MPa;顶板横向预应力钢束采用 24-5 高强碳素钢丝,间距 45cm,单端张拉。主梁混凝土为 50 号。桥面铺装采用 5cm50 号水泥混凝土+5cm 沥青混凝土双层铺装,主桥两端采用 GQF-80 型伸缩缝,球型支座。1.1.1.2 设计概况富锋特大桥主桥换梁方案为在加固中墩系梁处设置临时支墩放置千斤顶,过渡墩处设置临时支墩放置千斤顶。千斤顶的控制采用液压同步计算机控制系统,将既有梁分八次共顶起 1.6m。临时制架跨越二条铁路线,分别为京哈上行线、京哈下行线,支架布置完成后,拆除既有桥桥面铺装,伸缩缝、防撞墙及桥上防落物网。采用切割机及液压镐头机将每片梁凿碎,用小型平板车从中间物资机械部安...

1、当您付费下载文档后,您只拥有了使用权限,并不意味着购买了版权,文档只能用于自身使用,不得用于其他商业用途(如 [转卖]进行直接盈利或[编辑后售卖]进行间接盈利)。
2、本站所有内容均由合作方或网友上传,本站不对文档的完整性、权威性及其观点立场正确性做任何保证或承诺!文档内容仅供研究参考,付费前请自行鉴别。
3、如文档内容存在违规,或者侵犯商业秘密、侵犯著作权等,请点击“违规举报”。

碎片内容

某高速公路富锋特大桥换梁工程施工组织设计

确认删除?
VIP
微信客服
  • 扫码咨询
会员Q群
  • 会员专属群点击这里加入QQ群
客服邮箱
回到顶部