电脑桌面
添加小米粒文库到电脑桌面
安装后可以在桌面快捷访问

化妆品生产企业卫生许可现场审查VIP免费

化妆品生产企业卫生许可现场审查_第1页
1/18
化妆品生产企业卫生许可现场审查_第2页
2/18
化妆品生产企业卫生许可现场审查_第3页
3/18
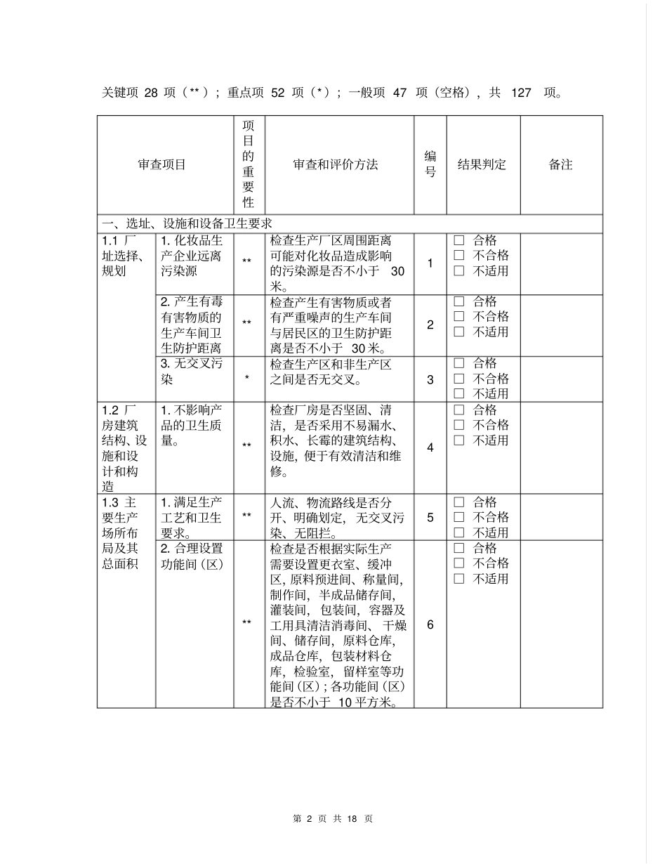
第 1 页 共 18 页化妆品生产企业卫生许可现场审查表【最新资料 ,Word版,可自由编辑!】第 2 页 共 18 页关键项 28 项( ** );重点项 52 项(* );一般项 47 项(空格),共127 项。审查项目项目的重要性审查和评价方法编号结果判定备注一、选址、设施和设备卫生要求1.1 厂址选择、规划1.化妆品生产企业远离污染源** 检查生产厂区周围距离可能对化妆品造成影响的污染源是否不小于30米。1 □ 合格□ 不合格□ 不适用2.产生有毒有害物质的生产车间卫生防护距离** 检查产生有害物质或者有严重噪声的生产车间与居民区的卫生防护距离是否不小于 30 米。2 □ 合格□ 不合格□ 不适用3.无交叉污染* 检查生产区和非生产区之间是否无交叉。3 □ 合格□ 不合格□ 不适用1.2 厂房建筑结构、设施和设计和构造1. 不影响产品的卫生质量。** 检查厂房是否坚固、清洁,是否采用不易漏水、积水、长霉的建筑结构、设施,便于有效清洁和维修。4 □ 合格□ 不合格□ 不适用1.3 主要生产场所布局及其总面积1. 满足生产工艺和卫生要求。** 人流、物流路线是否分开、明确划定,无交叉污染、无阻拦。5 □ 合格□ 不合格□ 不适用2.合理设置功能间(区)** 检查是否根据实际生产需要设置更衣室、缓冲区,原料预进间、称量间,制作间,半成品储存间,灌装间,包装间,容器及工用具清洁消毒间、 干燥间、储存间,原料仓库,成品仓库,包装材料仓库,检验室,留样室等功能间(区);各功能间(区)是否不小于 10 平方米。6 □ 合格□ 不合格□ 不适用第 3 页 共 18 页3.制作、灌装、包装间的总面积符合要求** 检查每条生产车间作业线的制作、 灌装、包装间总面积是否不小于100平方米(单纯分装的灌装、包装间总面积是否不小于 80 平方米)。7 □ 合格□ 不合格□ 不适用4. 特殊生产车间、设备单独设置** 检查粉类或者使用易燃、易爆等危险品的生产车间、设备是否使用单独生产车间和专用生产设备。8 □ 合格□ 不合格□ 不适用1.4 卫生安全措施1. 粉类的生产车间检查粉类的生产车间是否配备除尘和粉尘回收设施。9 □ 合格□ 不合格□ 不适用* 2. 使用易燃、易爆等危险品的生产车间检查制作、灌装车间是否配备防爆设施。10 □ 合格□ 不合格□ 不适用1.5 辅助建筑和设施1.不影响生产车间卫生检查动力、 供暖、空气净化及空调机房、给排水系统和废水、 废气、废渣的处理...

1、当您付费下载文档后,您只拥有了使用权限,并不意味着购买了版权,文档只能用于自身使用,不得用于其他商业用途(如 [转卖]进行直接盈利或[编辑后售卖]进行间接盈利)。
2、本站所有内容均由合作方或网友上传,本站不对文档的完整性、权威性及其观点立场正确性做任何保证或承诺!文档内容仅供研究参考,付费前请自行鉴别。
3、如文档内容存在违规,或者侵犯商业秘密、侵犯著作权等,请点击“违规举报”。

碎片内容

化妆品生产企业卫生许可现场审查

确认删除?
VIP
微信客服
  • 扫码咨询
会员Q群
  • 会员专属群点击这里加入QQ群
客服邮箱
回到顶部