电脑桌面
添加小米粒文库到电脑桌面
安装后可以在桌面快捷访问

铝合金压条技术交底VIP免费

铝合金压条技术交底_第1页
1/6
铝合金压条技术交底_第2页
2/6
铝合金压条技术交底_第3页
3/6
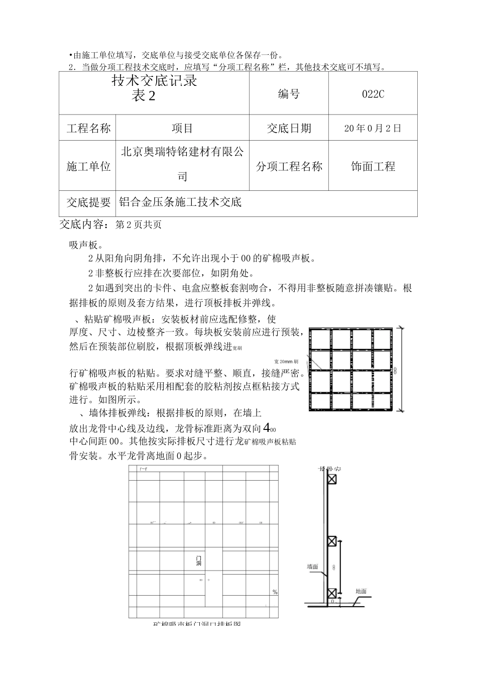
技术交底记录表编号工程名称项目交底日期年月日施工单位北京奥瑞特铭建材有限公司分项工程名称饰面工程交底提要 铝合金压条技术交底交底内容:第页共页一、施工准备、材料:铝合金压条及矿棉吸声板及其配套胶粘剂;木材骨架料必须是烘干、无扭曲的红松、白松树种。龙骨规格木龙骨止面刨光,满涂氟化钠防腐剂;其他:厚玻璃棉毡、玻璃布、建筑胶、咼成品木踢脚、铝合金装饰条、木压条、铁钉(长)、气钉、木塞。、工具:电锤、电钻、木刨、锯、刷子、锤子、气钉枪。、作业条件:墙面防潮层已施工完毕,并经过验收合格;矿棉吸声板及其相关的配套材料已进场并经过验收合格;样板间做完后,经检杳合格后,方可开始大面积施工。、施工范围:地下二层风机房、生活给水泵房、制冷换热机房、消防泵房,地下一层风机房、生活热水交换间,地下一层风机房、锅炉房。三层的膨胀水箱间,四层排风机房,首层、二层空调机房的墙面。二、施工步骤、工艺流程:房间套方f 顶板排板弹线 f 顶板矿棉板安装—f墙体排板弹线—f墙体龙骨安装 f玻璃棉毡粘贴 f 钉玻璃丝布f 钉墙体矿棉板f4铝合金压条安装踢脚安装、油漆、套方:根据各房间的具体情况,对房间进行套方,根据套方结果进行顶板排板。、排板弹线:排板原则:顶板:规则房间的顶板排板应双向对称排列两侧不允许出现小于的矿棉吸声板。不规则的房间应尽量将非整板排至隐蔽处。墙体:从门洞上口边线开始分别向上向下排,拼缝上下对齐。从门洞口边开始分别向两侧排,拼缝水平对齐,两端不允许出现小于的矿棉吸声板。洞口上方板对称排布,破板排在中间,不允许出现小于的矿棉审核人交底人接受交底人r~r00"".00'.00*0000F00门洞000%1-•由施工单位填写,交底单位与接受交底单位各保存一份。2.当做分项工程技术交底时,应填写“分项工程名称”栏,其他技术交底可不填写。技术交底记录编号022C表 2工程名称项目交底日期20 年 0 月 2 日施工单位北京奥瑞特铭建材有限公司分项工程名称饰面工程交底提要 铝合金压条施工技术交底交底内容:第 2 页共页吸声板。2 从阳角向阴角排,不允许出现小于 00 的矿棉吸声板。2 非整板行应排在次要部位,如阴角处。2 如遇到突出的卡件、电盒应整板套割吻合,不得用非整板随意拼凑镶贴。根据排板的原则及套方结果,进行顶板排板并弹线。、粘贴矿棉吸声板:安装板材前应选配修整,使厚度、尺寸、边棱整齐一致。每块板安装前应进行预装,然后在预装部位刷胶,根据顶...

1、当您付费下载文档后,您只拥有了使用权限,并不意味着购买了版权,文档只能用于自身使用,不得用于其他商业用途(如 [转卖]进行直接盈利或[编辑后售卖]进行间接盈利)。
2、本站所有内容均由合作方或网友上传,本站不对文档的完整性、权威性及其观点立场正确性做任何保证或承诺!文档内容仅供研究参考,付费前请自行鉴别。
3、如文档内容存在违规,或者侵犯商业秘密、侵犯著作权等,请点击“违规举报”。

碎片内容

铝合金压条技术交底

您可能关注的文档

确认删除?
VIP
微信客服
  • 扫码咨询
会员Q群
  • 会员专属群点击这里加入QQ群
客服邮箱
回到顶部