电脑桌面
添加小米粒文库到电脑桌面
安装后可以在桌面快捷访问

混合油长管蒸发器(LST-创新机械-专业生产粮油机械油脂VIP免费

混合油长管蒸发器(LST-创新机械-专业生产粮油机械油脂_第1页
1/7
混合油长管蒸发器(LST-创新机械-专业生产粮油机械油脂_第2页
2/7
混合油长管蒸发器(LST-创新机械-专业生产粮油机械油脂_第3页
3/7
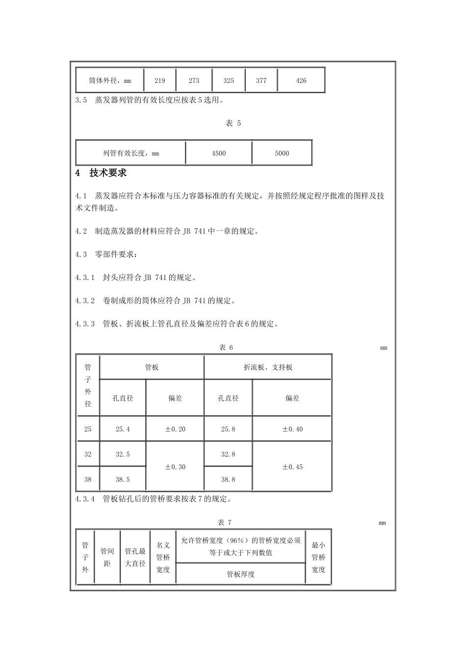
混合油长管蒸发器(LS/T 3540—1992) 1 主题内容与适用范围 本标准规定了混合油长管蒸发器的产品分类、技术要求、试验方法、标志、包装、运输与贮存。 本标准适用于植物油脂浸出工厂使用 6 号抽提油为溶剂的混合油长管蒸发器(以下简称蒸发器)。2 引用标准 GB 3323 钢熔化焊对接接头射线照相和质量分级 GB 8051 计数序贯抽样检查程序及表 JB 741 钢制焊接压力容器技术条件 JB 1152 锅炉和钢制压力容器对接焊缝超声波探伤 JB 2536 压力容器油漆、包装、运输 ZB X91 001 植物油脂浸出成套设备验收技术条件3 产品分类3.1 产品的型号按专业、品种、型式与工程换热面积的顺序编写。 3.2 蒸发器的基本参数应符合表 1 的规定。表 1设备名称 第一长管蒸发器 第二长管蒸发器 容器类别 一类低压 最大设计压力,MPa 0.5 混合油进口温度,℃ 50~55 75~90 混合油出口温度,℃ 75~90 90~120 3.3 蒸发器的换热面积应符合表 2 的规定。表 2浸出油厂规模,t/d 30 50 80 100 200 300 500 第一长管蒸发器,m2 8 13~15 21~23 26~29 52~57 78~86 130~144 第二长管蒸发器,m2 6 9~10 14~16 18~19 35~58 52~58 87~96 3.4 蒸发器筒体的基本尺寸应符合下列要求。3.4.1 筒体用钢板卷制时,其基本尺寸按表 3 选用。表 3筒体内径 mm300 350 400 450 500 550 600 650 700 800 900 1000 1100 1200 1300 1400 1500 1600 3.4.2 采用钢管制作筒体时,其基本尺寸按表 4 选用。表 4筒体外径,mm 219 273 325 377 426 3.5 蒸发器列管的有效长度应按表 5 选用。表 5列管有效长度,mm450050004 技术要求4.1 蒸发器应符合本标准与压力容器标准的有关规定,并按照经规定程序批准的图样及技术文件制造。4.2 制造蒸发器的材料应符合 JB 741 中一章的规定。4.3 零部件要求:4.3.1 封头应符合 JB 741 的规定。4.3.2 卷制成形的筒体应符合 JB 741 的规定。4.3.3 管板、折流板上管孔直径及偏差应符合表 6 的规定。表 6mm管子外径管板折流板、支持板孔直径 偏差 孔直径 偏差 25 25.4 ±0.20 25.8 ±0.40 32 32.5 ±0.3032.8 ±0.4538 38.5 38.8 4.3.4 管板钻孔后的管桥要求按表 7 的规定。表 7mm管子外管间距管孔最大直径名义管桥宽度允许管桥宽度(96%)的管桥宽度必须等于或大于下列数值最小管桥宽度管板厚度径20 4...

1、当您付费下载文档后,您只拥有了使用权限,并不意味着购买了版权,文档只能用于自身使用,不得用于其他商业用途(如 [转卖]进行直接盈利或[编辑后售卖]进行间接盈利)。
2、本站所有内容均由合作方或网友上传,本站不对文档的完整性、权威性及其观点立场正确性做任何保证或承诺!文档内容仅供研究参考,付费前请自行鉴别。
3、如文档内容存在违规,或者侵犯商业秘密、侵犯著作权等,请点击“违规举报”。

碎片内容

混合油长管蒸发器(LST-创新机械-专业生产粮油机械油脂

您可能关注的文档

黄金阁书苑+ 关注
实名认证
内容提供者

热爱教学事业,对互联网知识分享很感兴趣

确认删除?
VIP
微信客服
  • 扫码咨询
会员Q群
  • 会员专属群点击这里加入QQ群
客服邮箱
回到顶部