电脑桌面
添加小米粒文库到电脑桌面
安装后可以在桌面快捷访问

A5给排水分项工程质量验收记录VIP免费

A5给排水分项工程质量验收记录_第1页
1/7
A5给排水分项工程质量验收记录_第2页
2/7
A5给排水分项工程质量验收记录_第3页
3/7
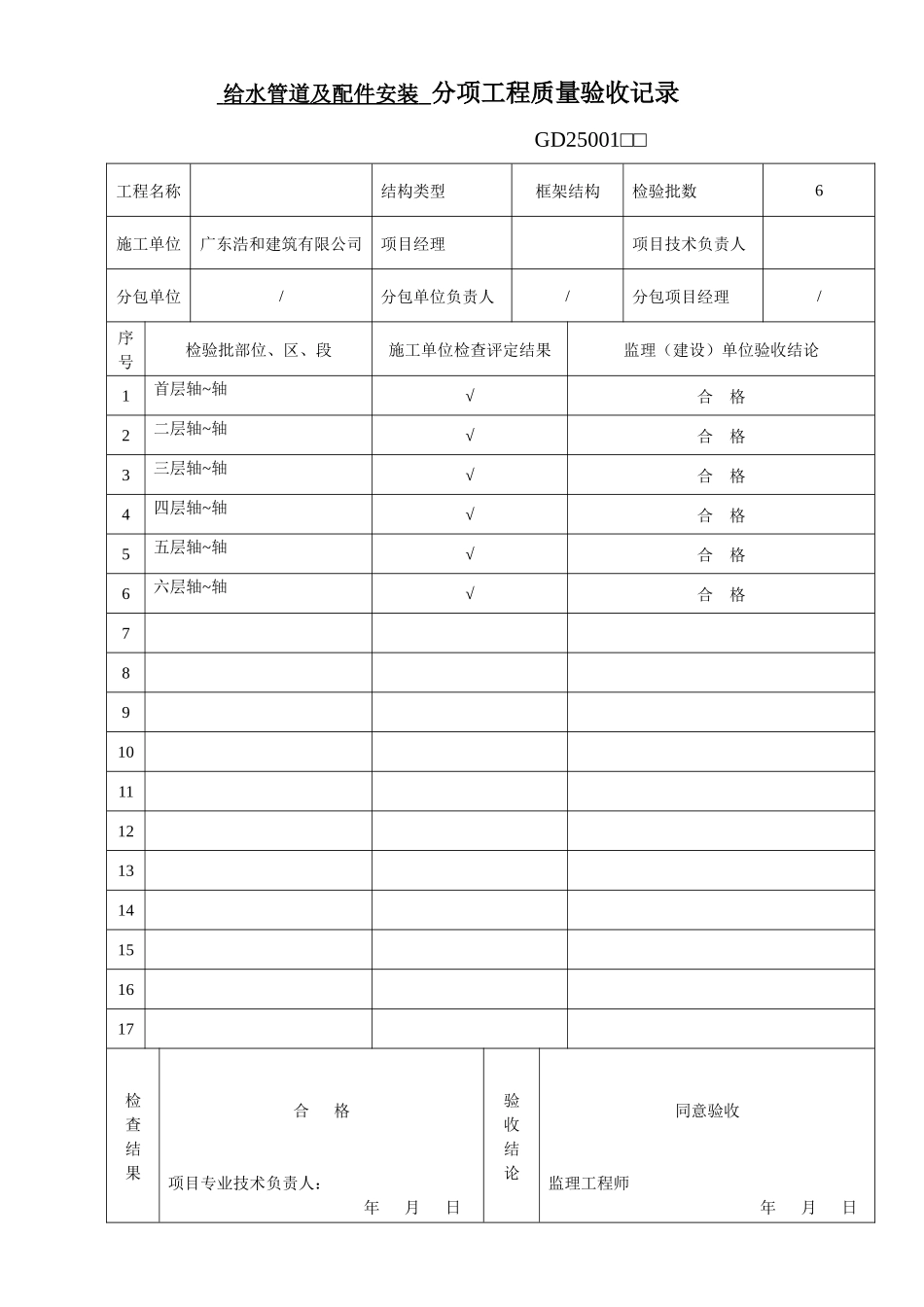
给水管道及配件安装 分项工程质量验收记录 GD25001□□工程名称结构类型框架结构检验批数6施工单位广东浩和建筑有限公司项目经理项目技术负责人分包单位/分包单位负责人/分包项目经理/序号检验批部位、区、段施工单位检查评定结果监理(建设)单位验收结论1首层轴~轴√合 格2二层轴~轴√合 格3三层轴~轴√合 格4四层轴~轴√合 格5五层轴~轴√合 格6六层轴~轴√合 格7891011121314151617检查结果合 格项目专业技术负责人:年 月 日验 收 结 论同意验收监理工程师年 月 日排水管道及配件安装 分项工程质量验收记录 GD25001□□工程名称结构类型框架结构检验批数2施工单位广东浩和建筑有限公司项目经理项目技术负责人分包单位/分包单位负责人/分包项目经理/序号检验批部位、区、段施工单位检查评定结果监理(建设)单位验收结论1首~三层轴~轴√合 格2四~六层轴~轴√合 格34567891011121314151617检查结果合 格项目专业技术负责人:年 月 日验 收 结 论同意验收监理工程师年 月 日雨水管道及配件安装 分项工程质量验收记录 GD25001□□工程名称结构类型框架结构检验批数1 施工单位广东浩和建筑有限公司项目经理项目技术负责人分包单位/分包单位负责人/分包项目经理/序号检验批部位、区、段施工单位检查评定结果监理(建设)单位验收结论1首~六层轴~轴√合 格234567891011121314151617检查结果合 格项目专业技术负责人:年 月 日验 收 结 论同意验收监理工程师年 月 日卫生器具及给水配件安装 分项工程质量验收记录 GD25001□□工程名称结构类型框架结构检验批数2施工单位广东浩和建筑有限公司项目经理项目技术负责人分包单位/分包单位负责人/分包项目经理/序号检验批部位、区、段施工单位检查评定结果监理(建设)单位验收结论1首~三层轴~轴√合 格2四~六层轴~轴√合 格34567891011121314151617检查结果合 格项目专业技术负责人:年 月 日验 收 结 论同意验收监理工程师年 月 日卫生器具排水管道安装 分项工程质量验收记录 GD25001□□工程名称结构类型框架结构检验批数2 施工单位广东浩和建筑有限公司项目经理项目技术负责人分包单位/分包单位负责人/分包项目经理/序号检验批部位、区、段施工单位检查评定结果监理(建设)单位验收结论1首~三层轴~轴√合 格2四~六层轴~轴√合 格34567891011121314151617检查结果合 格项目专业技术负责人:年 月 日验 收 结 论同意验收监理工程师年 ...

1、当您付费下载文档后,您只拥有了使用权限,并不意味着购买了版权,文档只能用于自身使用,不得用于其他商业用途(如 [转卖]进行直接盈利或[编辑后售卖]进行间接盈利)。
2、本站所有内容均由合作方或网友上传,本站不对文档的完整性、权威性及其观点立场正确性做任何保证或承诺!文档内容仅供研究参考,付费前请自行鉴别。
3、如文档内容存在违规,或者侵犯商业秘密、侵犯著作权等,请点击“违规举报”。

碎片内容

A5给排水分项工程质量验收记录

您可能关注的文档

黄金阁书苑+ 关注
实名认证
内容提供者

热爱教学事业,对互联网知识分享很感兴趣

确认删除?
VIP
微信客服
  • 扫码咨询
会员Q群
  • 会员专属群点击这里加入QQ群
客服邮箱
回到顶部