电脑桌面
添加小米粒文库到电脑桌面
安装后可以在桌面快捷访问

精装修材料验收标准VIP免费

精装修材料验收标准_第1页
1/47
精装修材料验收标准_第2页
2/47
精装修材料验收标准_第3页
3/47
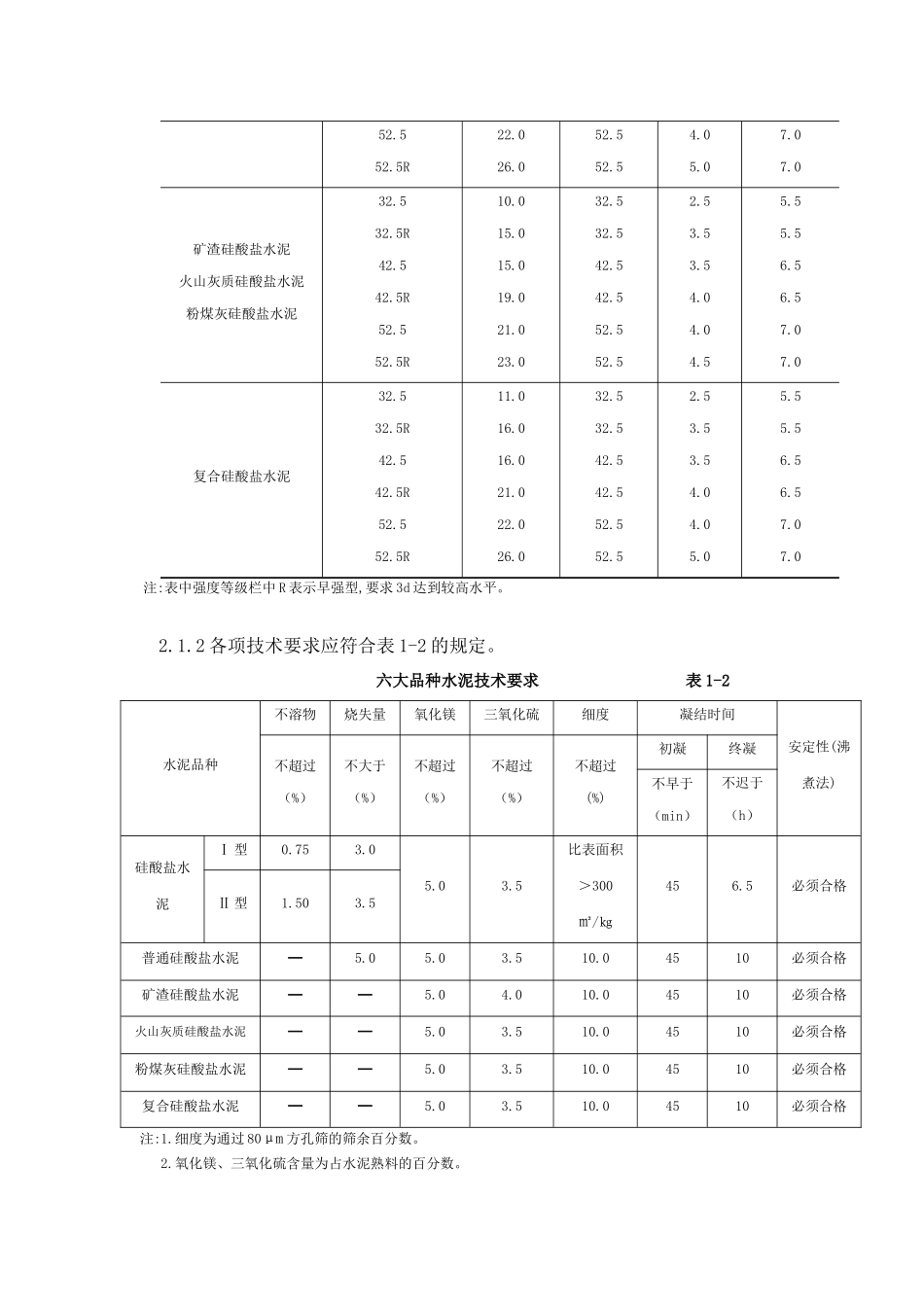
材料验收标准1. 总则材料进场时,要进行材料质量和数量的验收,总体概括如下:1.1、 木工材料检查:1.1.1 大芯板检查标准:表面光滑、平整、板缝不得超过 3mm。1.1.2 木方检查标准:表面是否发霉、变形、腐烂、虫蛀超标。1.1.3 饰面板检查标准:表面光滑、色泽均匀,接缝平整,不开胶,背面平整无虫蛀。1.1.4 五厘板、三厘板、九厘板检查标准:表面光滑、贴层不开胶,无明显变形。1.1.5 宝丽板检查标准:表面光滑,表面无损伤,背面平整无虫蛀。1.1.6 实木收口线条检查标准:表面光滑,无结痕,色泽均匀,无变形(应注意色泽与饰面板颜色接近)。1.2、 水工材料检查:1.2.1 镀锌管检查标准:表面光滑,壁厚一样,壁厚在 3mm 以上,无弯曲生锈。1.2.2 铝塑管检查标准:内外光滑,壁厚一样,铝层应为焊口搭接。1.2.3 铝塑管连接件检查标准:连接件材质应为铸铜,接口胶圈是否光滑。1.2.4 PPR 管检查标准:表面光滑,壁厚均匀。1.3、 瓦工材料检查:1.3.1 水泥检查标准:有无结块、破损,是否符合国标。1.3.2 水泥板检查标准:有无破损,表面平整,厚度均匀。1.3.3 镀锌铁网检查标准:表面孔眼均匀,镀层均匀,有无生锈。1.4、 电工材料检查:1.4.1 电线检查标准:表面光滑,外皮色泽鲜艳,外皮绝缘好,手感有硬度,2.5 平方铜线,铜芯应为 1.5 毫米,4 平方铜线铜芯应为 2.2 毫米以上,符合国标。1.4.2PVC 管检查标准:表面光滑,壁厚均匀,色泽偏白。1.4.3 绝缘胶布检查标准:应为优质产品。1.4.4 暗盒检查标准:表面光滑,壁厚均匀,材质偏白。1.5、 油工材料检查:1.5.1 聚脂漆检查标准:漆膜丰满,硬度高,手感好,光泽柔和,干燥快。1.5.2 硝基漆检查标准:透明度好,流平性佳,干燥快。1.5.3 821 检查标准:粘度好颗粒细,无杂质。1.5.4 快粘粉检查标准:粘接牢固,干燥快。1.5.5 乳胶漆检查标准:遮盖力强,不易脱落,气味清新。2 水泥水泥进场验收:水泥进场时应对其品种、级别、包装或散装仓号、出厂日期等进行检查,检查水泥出厂合格证,并应对其强度、安定性及其他必要的性能指标进行复验,其质量必须符合现行国家标准《硅酸盐水泥、普通硅酸盐水泥》GB175 等的规定。 2.1 常用水泥2.1.1 各龄期强度不得低于表 1-1 的规定数值。 六大品种水泥不同强度等级各龄期强度值 表 1-1 品 种强度等级抗压强度(Mpa)抗折强度(MPa)3d28d3d28d硅酸盐水泥 42.542.5R52.552.5R62.562.5R17.022.0...

1、当您付费下载文档后,您只拥有了使用权限,并不意味着购买了版权,文档只能用于自身使用,不得用于其他商业用途(如 [转卖]进行直接盈利或[编辑后售卖]进行间接盈利)。
2、本站所有内容均由合作方或网友上传,本站不对文档的完整性、权威性及其观点立场正确性做任何保证或承诺!文档内容仅供研究参考,付费前请自行鉴别。
3、如文档内容存在违规,或者侵犯商业秘密、侵犯著作权等,请点击“违规举报”。

碎片内容

精装修材料验收标准

确认删除?
VIP
微信客服
  • 扫码咨询
会员Q群
  • 会员专属群点击这里加入QQ群
客服邮箱
回到顶部