电脑桌面
添加小米粒文库到电脑桌面
安装后可以在桌面快捷访问

某服装生产企业整烫工职位说明书VIP免费

某服装生产企业整烫工职位说明书_第1页
1/3
某服装生产企业整烫工职位说明书_第2页
2/3
某服装生产企业整烫工职位说明书_第3页
3/3
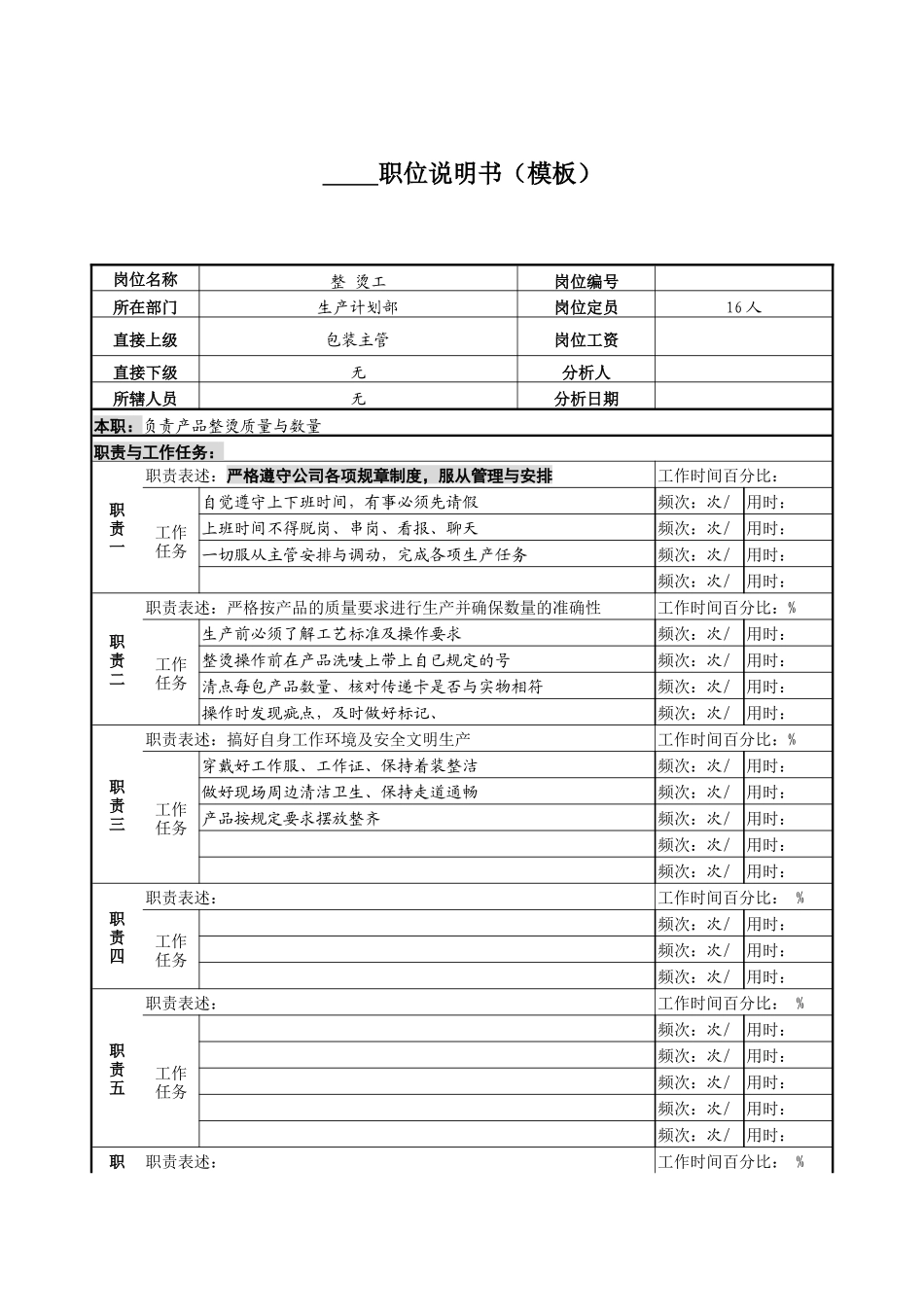
职位说明书(模板)岗位名称整 烫工岗位编号所在部门生产计划部岗位定员16 人直接上级包装主管岗位工资直接下级无分析人所辖人员无分析日期本职:负责产品整烫质量与数量 职责与工作任务: 职责一职责表述:严格遵守公司各项规章制度,服从管理与安排工作时间百分比:工作任务自觉遵守上下班时间,有事必须先请假频次:次/ 用时:上班时间不得脱岗、串岗、看报、聊天频次:次/ 用时:一切服从主管安排与调动,完成各项生产任务频次:次/ 用时:频次:次/ 用时:职责二职责表述:严格按产品的质量要求进行生产并确保数量的准确性工作时间百分比:%工作任务生产前必须了解工艺标准及操作要求频次:次/ 用时:整烫操作前在产品洗唛上带上自已规定的号频次:次/ 用时:清点每包产品数量、核对传递卡是否与实物相符频次:次/ 用时:操作时发现疵点,及时做好标记、频次:次/ 用时:职责三职责表述:搞好自身工作环境及安全文明生产 工作时间百分比:%工作任务穿戴好工作服、工作证、保持着装整洁频次:次/ 用时:做好现场周边清洁卫生、保持走道通畅频次:次/ 用时:产品按规定要求摆放整齐频次:次/ 用时:频次:次/ 用时:频次:次/ 用时:职责四职责表述: 工作时间百分比: %工作任务频次:次/ 用时:频次:次/ 用时:频次:次/ 用时:职责五职责表述: 工作时间百分比: %工作任务频次:次/ 用时:频次:次/ 用时:频次:次/ 用时:频次:次/ 用时:频次:次/ 用时:职职责表述: 工作时间百分比: %责六工作任务频次:次/ 用时:频次:次/ 用时: 频次:次/ 用时:频次:次/ 用时:职责七职责表述: 工作时间百分比: %权力:对不合格品有投诉权、对工艺操作方法有建议权考核指标: 考核标准: 工作协作关系:内部协调关系包装工、装箱工外部协调关系无任职资格:教育水平专业工作经验一年以上工作经验能力要求实际技术操作能力个性特征执行能力强、生理特征无特殊要求所需培训专业知识培训工作特点:工作场所生产车间工作方式站工作时间特征经常加班工作环境车间体力精力消耗体力消耗大劳动保护无特殊要求使用工具/设备一般整烫设备所需记录文档无备注:

1、当您付费下载文档后,您只拥有了使用权限,并不意味着购买了版权,文档只能用于自身使用,不得用于其他商业用途(如 [转卖]进行直接盈利或[编辑后售卖]进行间接盈利)。
2、本站所有内容均由合作方或网友上传,本站不对文档的完整性、权威性及其观点立场正确性做任何保证或承诺!文档内容仅供研究参考,付费前请自行鉴别。
3、如文档内容存在违规,或者侵犯商业秘密、侵犯著作权等,请点击“违规举报”。

碎片内容

某服装生产企业整烫工职位说明书

确认删除?
VIP
微信客服
  • 扫码咨询
会员Q群
  • 会员专属群点击这里加入QQ群
客服邮箱
回到顶部