电脑桌面
添加小米粒文库到电脑桌面
安装后可以在桌面快捷访问

医疗企业十万级净化车间洁净度管理制度VIP免费

医疗企业十万级净化车间洁净度管理制度_第1页
1/9
医疗企业十万级净化车间洁净度管理制度_第2页
2/9
医疗企业十万级净化车间洁净度管理制度_第3页
3/9
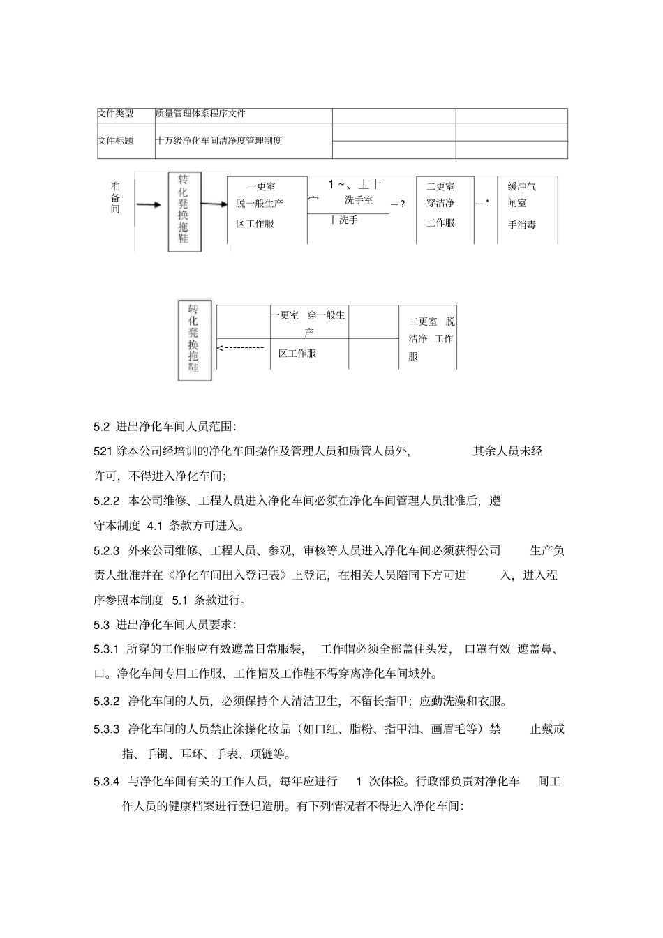
文件类型质量管理体系程序文件文件标题十万级净化车间洁净度管理制度十万级净化车间洁净度管理制度1. 目的建立净化车间管理制度,确保10 万级净化车间能够维持10 万级洁净度, 1 万级净 化车间能够维持 1 万级洁净程度。2. 范围10 万级净化车间3. 组织及职责3.1 生产部负责净化车间的日常管理。3.2 质管部负责净化车间的环境监测及监督。4. 定义无5. 步骤及方法5.1 人员进出净化车间程序:5.1.1 进入程序5.1.1.1在一更室外,脱下所戴饰物、手表等生活用品,脱外衣,换上拖鞋进入一更,洗手烘干。5.1.1.2进入二更室,戴上洁净帽、口罩、穿上工作服、鞋。5.1.1.3手消毒后,通过缓冲间,进入到净化车间。5.1.2 退出程序5.1.2.1进入二更室,脱掉工作服及洁净鞋,并按规定整齐存放在指定地点,换上拖鞋后到一更室。5.1.2.2进入一更室换下拖鞋离开生产区域。5.1.2.3具体流程如下:5.2 进出净化车间人员范围:521 除本公司经培训的净化车间操作及管理人员和质管人员外,其余人员未经许可,不得进入净化车间;5.2.2 本公司维修、工程人员进入净化车间必须在净化车间管理人员批准后,遵守本制度 4.1 条款方可进入。5.2.3 外来公司维修、工程人员、参观,审核等人员进入净化车间必须获得公司生产负责人批准并在《净化车间出入登记表》上登记,在相关人员陪同下方可进入,进入程序参照本制度 5.1 条款进行。5.3 进出净化车间人员要求:5.3.1 所穿的工作服应有效遮盖日常服装, 工作帽必须全部盖住头发, 口罩有效 遮盖鼻、口。净化车间专用工作服、工作帽及工作鞋不得穿离净化车间域外。5.3.2 净化车间的人员,必须保持个人清洁卫生,不留长指甲;应勤洗澡和衣服。5.3.3 净化车间的人员禁止涂搽化妆品(如口红、脂粉、指甲油、画眉毛等)禁止戴戒指、手镯、耳环、手表、项链等。5.3.4 与净化车间有关的工作人员,每年应进行 1 次体检。行政部负责对净化车间工作人员的健康档案进行登记造册。有下列情况者不得进入净化车间:文件类型质量管理体系程序文件文件标题十万级净化车间洁净度管理制度一更室1 ~、丄十宀二更室缓冲气脱一般生产洗手室— ?穿洁净— * 闸室区工作服丨洗手工作服手消毒一更室穿一般生产二更室脱洁净 工作服<---------- 区工作服准备间1 )有传染性疾病:皮肤病、灰指甲、患狐臭等疾病的人员不准到净化车间进行工作;文件类型质量管理体系程序文件文件标题十万级净化车间洁净度管理制度2)感冒...

1、当您付费下载文档后,您只拥有了使用权限,并不意味着购买了版权,文档只能用于自身使用,不得用于其他商业用途(如 [转卖]进行直接盈利或[编辑后售卖]进行间接盈利)。
2、本站所有内容均由合作方或网友上传,本站不对文档的完整性、权威性及其观点立场正确性做任何保证或承诺!文档内容仅供研究参考,付费前请自行鉴别。
3、如文档内容存在违规,或者侵犯商业秘密、侵犯著作权等,请点击“违规举报”。

碎片内容

医疗企业十万级净化车间洁净度管理制度

文库当当响+ 关注
实名认证
内容提供者

该用户很懒,什么也没介绍

确认删除?
VIP
微信客服
  • 扫码咨询
会员Q群
  • 会员专属群点击这里加入QQ群
客服邮箱
回到顶部