电脑桌面
添加小米粒文库到电脑桌面
安装后可以在桌面快捷访问

南方全站仪NTS352说明书VIP免费

南方全站仪NTS352说明书_第1页
1/21
南方全站仪NTS352说明书_第2页
2/21
南方全站仪NTS352说明书_第3页
3/21
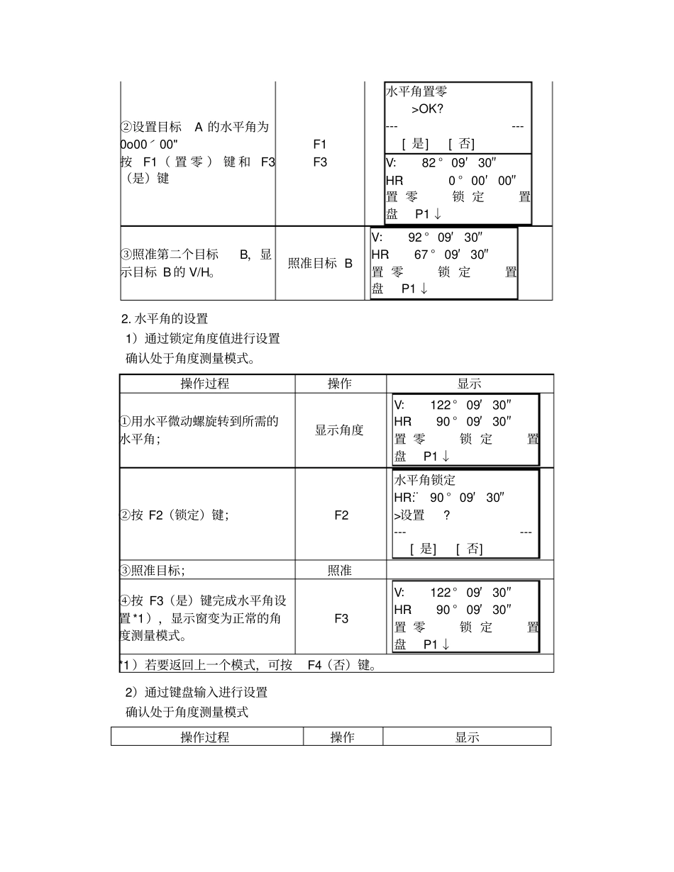
南方 NTS-352型全站仪的使用一、全站仪的常用功能1. 角度测量 2. 距离测量 3. 标准测量 4. 对边测量5. 悬高测量 6. 点放样 7. 距离放样 8. 面积测量二、全站仪的安置操作参考:仪器的整平与对中1、安置三脚架:首先,将三脚架打开,伸到适当高度,拧紧三个固定螺旋。2、将仪器安置到三脚架上:将仪器小心地安置到三脚架上,松开中心连接螺旋,在架头上轻移仪器,直到锤球对准测站点标志中心,然后轻轻拧紧连接螺旋。3、利用圆水准器粗平仪器①旋转两个脚螺旋A、B,使圆水准器气泡移到与上述两个脚螺旋中心连线相垂直的一条直线上。②旋转脚螺旋 C,使圆水准器气泡居中。4、利用长水准器精平仪器①松开水平制动螺旋、转动仪器使管水准器平行于某一对脚螺旋A、B 的连线。再旋转脚螺旋A、B,使管水准器气泡居中。②将仪器绕竖轴旋转90o(100g),再旋转另一个脚螺旋C,使管水准器气泡居中。③再次旋转 90o,重复①②,直至四个位置上气泡居中为止。5、利用光学对中器对中根据观测者的视力调节光学对中器望远镜的目镜。松开中心连接螺旋、轻移仪器,将光学对中器的中心标志对准测站点,然后拧紧连接螺旋。在轻移仪器时不要让仪器在架头上有转动,以尽可能减少气泡的偏移。6、最后精平仪器按第 4 步精确整平仪器,直到仪器旋转到任何位置时,管水准气泡始终居中为止,然后拧紧连接螺旋。三、角度测量1. 水平角右角和垂直角的测量确认处于角度测量模式,按下列操作步骤进行:操作过程操作显示①照准第一个目标A:照准 A V : 82 ° 09′ 30″HR: 90 ° 09′ 30″置 零锁 定置盘 P1↓②设置目标A 的水平角为0o00ˊ00" 按F1( 置 零 ) 键 和F3(是)键F1 F3 水平角置零>OK? --- --- [ 是] [ 否] V: 82 ° 09′ 30″HR: 0 ° 00′ 00″置 零锁 定置盘 P1↓③照准第二个目标B,显示目标 B 的 V/H。照准目标 B V: 92 ° 09′30″HR: 67 ° 09′ 30″置 零锁 定置盘 P1↓2. 水平角的设置1)通过锁定角度值进行设置确认处于角度测量模式。操作过程操作显示①用水平微动螺旋转到所需的水平角;显示角度V: 122 ° 09′ 30″HR: 90 ° 09′ 30″置 零锁 定置盘 P1↓②按 F2(锁定)键;F2 水平角锁定HR:¨ 90 ° 09′30″>设置 ? --- --- [ 是] [ 否] ③照准目标;照准④按 F3(是)键完成水平角设置 *1),显示窗变为正常的角度测量模式。F3 V...

1、当您付费下载文档后,您只拥有了使用权限,并不意味着购买了版权,文档只能用于自身使用,不得用于其他商业用途(如 [转卖]进行直接盈利或[编辑后售卖]进行间接盈利)。
2、本站所有内容均由合作方或网友上传,本站不对文档的完整性、权威性及其观点立场正确性做任何保证或承诺!文档内容仅供研究参考,付费前请自行鉴别。
3、如文档内容存在违规,或者侵犯商业秘密、侵犯著作权等,请点击“违规举报”。

碎片内容

南方全站仪NTS352说明书

您可能关注的文档

确认删除?
VIP
微信客服
  • 扫码咨询
会员Q群
  • 会员专属群点击这里加入QQ群
客服邮箱
回到顶部