电脑桌面
添加小米粒文库到电脑桌面
安装后可以在桌面快捷访问

出入口护头棚搭设方案VIP免费

出入口护头棚搭设方案_第1页
1/6
出入口护头棚搭设方案_第2页
2/6
出入口护头棚搭设方案_第3页
3/6
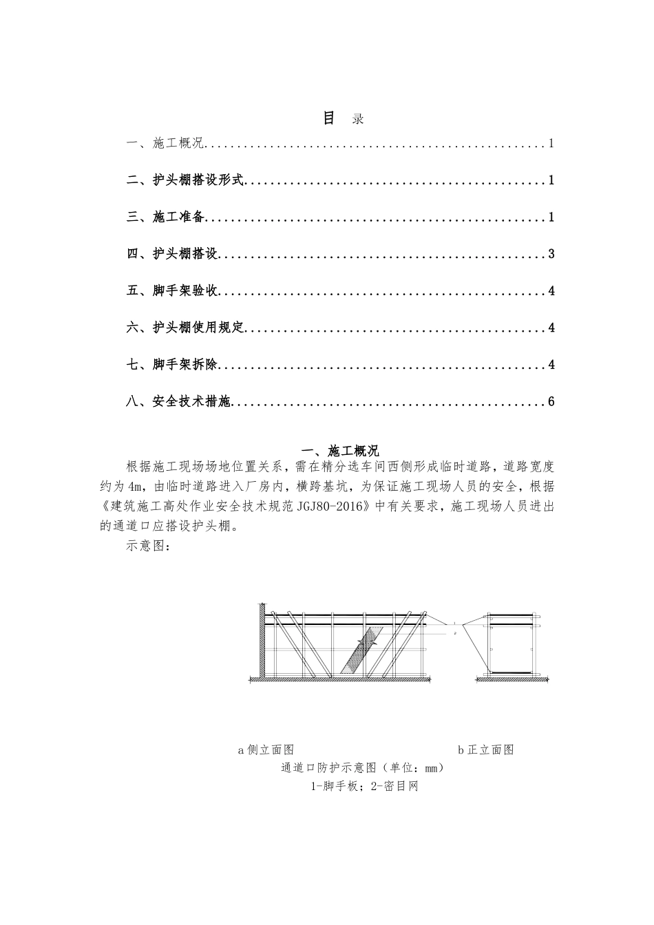
目录一、施工概况....................................................1二、护头棚搭设形式..............................................1三、施工准备....................................................1四、护头棚搭设..................................................3五、脚手架验收..................................................4六、护头棚使用规定..............................................4七、脚手架拆除..................................................4八、安全技术措施................................................6一、施工概况根据施工现场场地位置关系,需在精分选车间西侧形成临时道路,道路宽度约为4m,由临时道路进入厂房内,横跨基坑,为保证施工现场人员的安全,根据《建筑施工高处作业安全技术规范JGJ80-2016》中有关要求,施工现场人员进出的通道口应搭设护头棚。示意图:a侧立面图b正立面图通道口防护示意图(单位:mm)1-脚手板;2-密目网二、护头棚搭设形式护头棚采用钢管脚手架搭设,并用扣件连接,护头棚宽度1200mm,净高2000mm,采用6m、2m长钢管搭设,双层满铺脚手板,两层脚手板间距为400/500mm。立杆下方必须垫设mm木方或脚手板,立杆间距2000mm,步距1200mm。结构形式见附图。三、施工准备(一)材料要求(1)钢管采用外径48mm,壁厚3-3.5mm的焊接钢管,钢管材质使用力学性能适中的Q235-A钢,其材质应符合《碳素结构钢》(GB/T700-2006)的相应规定。用于立杆、大横杆和斜杆的钢管长度为2~6m。钢管件禁止使用有明显变形、裂纹和严重锈蚀的钢管。使用普通焊管时,应内外涂刷防锈层并定期复涂以保持其完好(2)扣件及配件:使用合格玛钢扣件,其材质应符合现行国家标准《钢管脚手架扣件》(GB15831-2006)的规定。扣件与钢管的贴面必须严格整形,应保证与钢管扣紧时接触良好。扣件活动部位应能灵活转动,旋转扣件的两旋转面间隙应小于5mm。严禁使用加工不合格、锈蚀和有裂缝的扣件。(3)应使用与钢管管径相配合的、符合我国现行标准的可锻铸铁扣件。严禁使用加工不合格、锈蚀和有裂纹的扣件。(4)脚手板:采用4000mm×250mm×50mm的木脚手板,不得用开裂、腐朽的木材,两端各设8#镀锌铁丝箍两道。(5)安全网:立网采用2000目安全网,水平网采用菱形网目锦纶安全网,安全网网绳、边绳、系绳的直径、网眼尺寸、承载能力符合国标《安全网》(GB5725-2009)的规定,同时必须具有产品检验合格证。已使用过的安全网必须经过检查和试验合格后方可使用,超过使用期限的安全网严禁使用。(6)搭设材料进场后,单独存放,严格进行进场检查,安全员每天对材料进行抽查,防止不合格产品用在脚手架上,检查合格后,应按品种、规格分类堆放整齐平稳,并对进场脚手架卡子(直接十字转卡)φ48架子管进行抽验(送实验室)。(二)人员准备进场专业操作人员8人,按施工进度计划要求随时搭设。搭设人员必须持上岗证,人员稳定。并配备专职安全人员进行统一指挥。(三)现场准备再搭拆之前,工长按脚手架施工方案中有关脚手架搭拆要求向操作人员进行书面的技术交底和安全交底;并且对施工过程进行监督,确保特殊工种持证上岗1搭设前清除地面杂物,平整夯实达到验收合格的搭设场地,方可施工。搭设过程中的注意事项1、钢管脚手架的杆件连接必须使用合格的扣件,不得使用铅丝和其他材料绑扎。脚手杆件不得钢木混搭。2、在搭设之前,必须对进场的脚手架杆配件进行严格的检查,禁止使用规格和质量不合格的杆配件。3、护头棚的搭设作业,必须在统一指挥下,严格按照以下规定程序进行:1)按施工方案放线、铺垫板、设置底座或标定立杆位置;2)严格按顺序搭设,校正立杆垂直之后再予以固定。脚手架各杆件相交伸出的端头均大于10cm,以防止杆件滑脱。4、脚手板或其它铺板应铺平铺稳,绑扎固定。5、装设其它撑拉杆件时,应注意掌握撑拉的松紧程度,避免引起杆件和整个架体的显著变形。6、工人在架上进行搭设作业时,作业面上宜铺设必要数量的脚手板并予临时固定。工人必须戴安全帽和佩挂安全带。不得单人进行装设较重杆配件和其它易发生失衡...

1、当您付费下载文档后,您只拥有了使用权限,并不意味着购买了版权,文档只能用于自身使用,不得用于其他商业用途(如 [转卖]进行直接盈利或[编辑后售卖]进行间接盈利)。
2、本站所有内容均由合作方或网友上传,本站不对文档的完整性、权威性及其观点立场正确性做任何保证或承诺!文档内容仅供研究参考,付费前请自行鉴别。
3、如文档内容存在违规,或者侵犯商业秘密、侵犯著作权等,请点击“违规举报”。

碎片内容

出入口护头棚搭设方案

文章天下+ 关注
实名认证
内容提供者

各种文档应有尽有

确认删除?
VIP
微信客服
  • 扫码咨询
会员Q群
  • 会员专属群点击这里加入QQ群
客服邮箱
回到顶部