电脑桌面
添加小米粒文库到电脑桌面
安装后可以在桌面快捷访问

出水堰设计规范(同名14944)VIP免费

出水堰设计规范(同名14944)_第1页
1/4
出水堰设计规范(同名14944)_第2页
2/4
出水堰设计规范(同名14944)_第3页
3/4
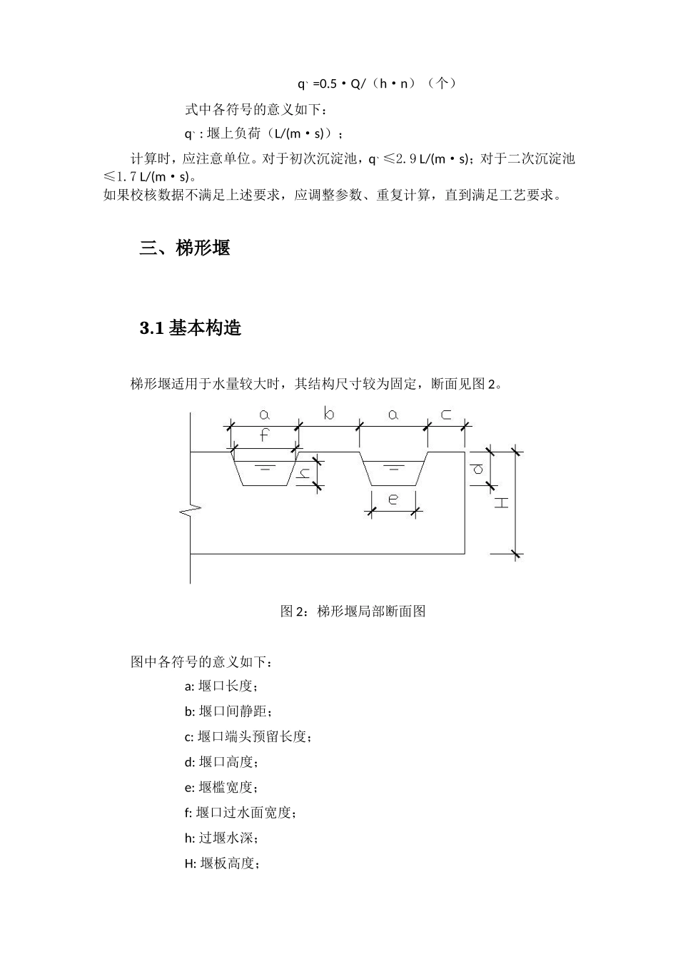
出水堰设计规范一、出水堰类型常见的出水堰类型有三种:三角堰、梯形堰、矩形堰。其中的三角堰直角三角堰和锐角三角堰两种,矩形堰又分为不淹没式矩形堰和淹没式矩形堰。本规范重点介绍污水中常见的三角堰、梯形堰。二、三角堰2.1基本构造三角形出水堰简称三角堰,主要由堰板和堰口两部分组成。常见类型为90°三角形出水堰,即直角三角堰,其断面见图1。图1:直角三角堰局部断面图图中各符号的意义如下:a:堰口长度;b:堰口间静距;c:堰口端头预留长度;d:堰口高度,其值等于0.5a;h:过堰水深;H:堰板高度;2.2计算公式2.2.1单个堰口过堰流量计算公式(1)当h=0.021~0.200m时,单个堰口过堰流量计算公式如下:q=1.4h2.5(m3/s)式中各符号的如下:q:过堰流量(m3/s);h:过堰水深(m);(2)当h=0.301~0.350m时,单个堰口过堰流量计算公式如下:q=1.343h2.47(m3/s)式中各符号的如下:q:过堰流量(m3/s);h:过堰水深(m);当h=0.021~0.300m时,q采用以上两个计算公式的平均值。以上两个计算公式的适用条件:自由流非淹没薄壁堰(目前我公司的出水堰均满足此条件);直角三角堰。2.2.2堰口数量堰口数量n的计算公式:n=Q/q(个)式中各符号的如下:q:过堰流量(m3/s);Q:设计流量(m3/s);n:堰口数量(个);计算出堰口数量后,需要确定堰口长度、堰口间静距、堰板高度,结合水池尺寸及出水堰布置位置确定出水堰个数,得到出水堰基本参数。2.2.3校核出水堰主要校核参数:堰上负荷。堰上负荷计算公式:q、=0.5·Q/(h·n)(个)式中各符号的意义如下:q、:堰上负荷(L/(m·s));计算时,应注意单位。对于初次沉淀池,q、≤2.9L/(m·s);对于二次沉淀池≤1.7L/(m·s)。如果校核数据不满足上述要求,应调整参数、重复计算,直到满足工艺要求。三、梯形堰3.1基本构造梯形堰适用于水量较大时,其结构尺寸较为固定,断面见图2。图2:梯形堰局部断面图图中各符号的意义如下:a:堰口长度;b:堰口间静距;c:堰口端头预留长度;d:堰口高度;e:堰槛宽度;f:堰口过水面宽度;h:过堰水深;H:堰板高度;3.2计算公式3.2.1单个堰口过堰流量计算公式梯形堰单个堰口过堰流量计算公式如下:q=1.86eh3/2(m3/s)式中各符号的如下:q:过堰流量(m3/s);e:堰槛宽度(m);h:过堰水深(m);1.86:流量系数,当来水流速大于0.3m/s时,应采用1.9。3.2.2堰口数量堰口数量n的计算公式:n=Q/q(个)式中各符号的如下:q:过堰流量(m3/s);Q:设计流量(m3/s);n:堰口数量(个);计算出堰口数量后,需要确定堰口长度、堰口间静距、堰板高度,结合水池尺寸及出水堰布置位置确定出水堰个数,得到出水堰完整参数。3.2.3校核出水堰主要校核参数:堰上负荷。堰上负荷计算公式:q、=Q/(f·n)(个)式中各符号的如下:q、:堰上负荷(L/(m·s));计算时,应注意单位。对于梯形堰,其堰上负荷可达180L/(m·s)。

1、当您付费下载文档后,您只拥有了使用权限,并不意味着购买了版权,文档只能用于自身使用,不得用于其他商业用途(如 [转卖]进行直接盈利或[编辑后售卖]进行间接盈利)。
2、本站所有内容均由合作方或网友上传,本站不对文档的完整性、权威性及其观点立场正确性做任何保证或承诺!文档内容仅供研究参考,付费前请自行鉴别。
3、如文档内容存在违规,或者侵犯商业秘密、侵犯著作权等,请点击“违规举报”。

碎片内容

出水堰设计规范(同名14944)

您可能关注的文档

文章天下+ 关注
实名认证
内容提供者

各种文档应有尽有

确认删除?
VIP
微信客服
  • 扫码咨询
会员Q群
  • 会员专属群点击这里加入QQ群
客服邮箱
回到顶部