电脑桌面
添加小米粒文库到电脑桌面
安装后可以在桌面快捷访问

机电安装工程资料表格样本VIP免费

机电安装工程资料表格样本_第1页
1/72
机电安装工程资料表格样本_第2页
2/72
机电安装工程资料表格样本_第3页
3/72
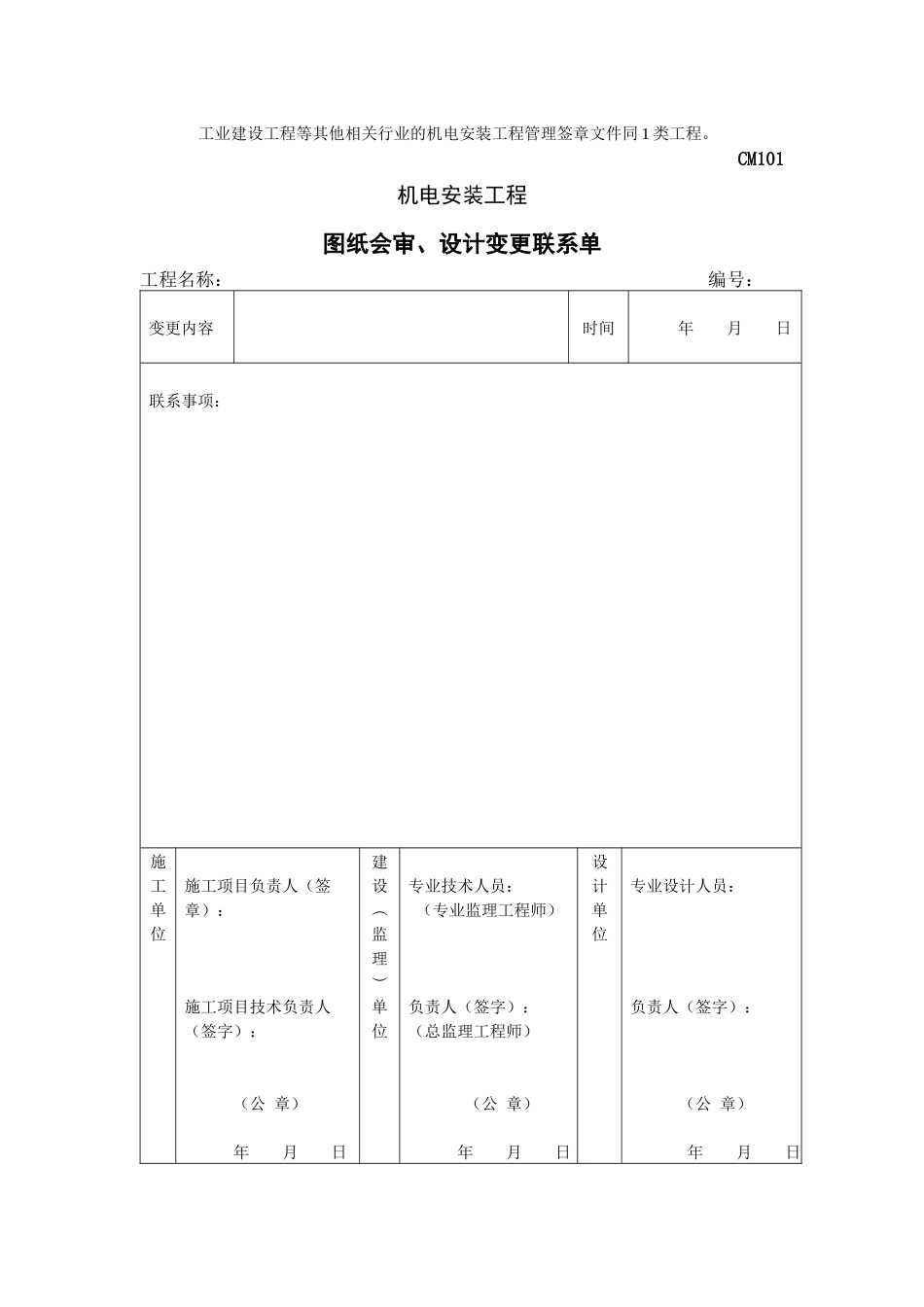
施工管理竣工签章资料(机电安装工程)序号工程类别文件类别文件名称代码1 一般工业、民用、 公用机电安装工程施工组织管理图纸会审、设计变更联系单 CM101施工组织设计报审表 CM102主要施工方案、吊装方案、临电方案的报审表 CM103劳动力计划审查表 CM104特殊或特种作业人员资格审查表 CM105关键或特殊过程人员资格审查表 CM106工程开工报告 CM107工程延期报告 CM108工程停工报告CM109工程复工报告 CM110工程竣工报告 CM111工程交工验收报告 CM112建设、监理、政府监管单位、外部协调单位联系单 CM113工程一切保险委托书 CM114合同管理分包单位资格报审表 CM201工程分包合同 CM202劳务分包合同 CM203工程材料采购总计划表 CM204工程设备采购总计划表 CM205工程设备、关键材料招标书 CM206-1工程设备、关键材料中标通知书CM206-2合同变更(索赔)申请报告 CM207施工进度管理总进度计划报审表 CM301分部工程进度计划报审表 CM302单位工程进度计划的报审表 CM303分包工程进度计划批准表 CM304质量管理单位工程竣工验收纪录表 CM401单位(子单位)工程安全和功能检验资料核查及主要功能抽查记录表CM402单位(子单位)工程观感质量检查记录表 CM403单位工程质量预验(复验)收记录表 CM404单位(子单位)工程质量验收记录表 CM405中间交工验收报告 CM406质量事故调查处理报告 CM407工程资料移交清单 CM408工程质量保修书 CM409工程试运行验收报告 CM410一般工业、民用公用机电安装工程安全管理 工程项目安全生产责任书 CM501分包工程安全管理协议书 CM502施工安全技术措施报审表 CM503施工现场消防重点部位报审表 CM504-1施工现场消防重点部位登记表 CM504-2施工现场临时用电申请书CM505大型施工机具使用检查表 CM506安全事故应急预案审批表 CM507安全隐患通知书 CM508施工现场安全事故上报、调查、处理报告 CM509现场环保文明施工管理施工环境保护措施及管理方案报审表 CM601施工现场文明施工措施报批表CM602成本费用管理工程款支付申请表 CM701工程变更费用报审表 CM702工程费用索赔申请表 CM703工程费用变更申请表 CM704工程月进度款报审表 CM705工程竣工结算报审表 CM706工程保险 (人身、设备、运输等)申报表 CM707工程结算审计表 CM7082净化工程施工组织管理特种气体设备安装改造维修告知书CM1153动力站安装工程质量管理锅炉水压试验申报表 CM411锅炉安全附件安装整定记录表 CM412锅...

1、当您付费下载文档后,您只拥有了使用权限,并不意味着购买了版权,文档只能用于自身使用,不得用于其他商业用途(如 [转卖]进行直接盈利或[编辑后售卖]进行间接盈利)。
2、本站所有内容均由合作方或网友上传,本站不对文档的完整性、权威性及其观点立场正确性做任何保证或承诺!文档内容仅供研究参考,付费前请自行鉴别。
3、如文档内容存在违规,或者侵犯商业秘密、侵犯著作权等,请点击“违规举报”。

碎片内容

机电安装工程资料表格样本

确认删除?
VIP
微信客服
  • 扫码咨询
会员Q群
  • 会员专属群点击这里加入QQ群
客服邮箱
回到顶部