电脑桌面
添加小米粒文库到电脑桌面
安装后可以在桌面快捷访问

镇盛自来水厂给水管网水力计算说明书VIP免费

镇盛自来水厂给水管网水力计算说明书_第1页
1/6
镇盛自来水厂给水管网水力计算说明书_第2页
2/6
镇盛自来水厂给水管网水力计算说明书_第3页
3/6
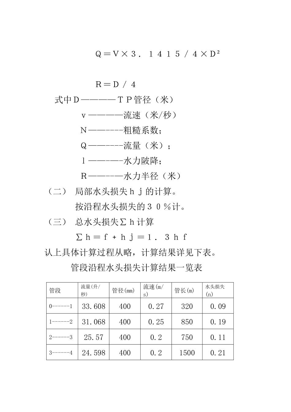
镇盛自来水厂给水管网水力计算说明书一.作出管网水力计算简图(见附图)二.确定各节点,各管段计算流量。 按室内有给水龙头但无卫生间设备最高日用水量,选定用水量标准为 80 升/人/日。计算公式为 用水人数×80 升/人/日用水量=一一一一一一一一一 (升/秒) 24×3600三,计算水厂水池至斜岭,梅江,白沙最高最远点(控制点)的水头损失。 (一)沿头水头损失 nf 的计算。 !,沿程水头损失 nf 的计算公式; nf=i I式中 nf 一——管段沿程水头损(米); i———水力披降; I———管段计算长度(米) 2,塑料给水管水力计算 查《给水排水设计手册》第 1 册第 586 页,得计算公式; Q1.774 i=0﹒000915-—————— Qj4.774式中 i————水力坡降; Q————计算流量(米/秒); Dj————管的计算内径(米)3,钢筋混凝土园管(满流,n=0.013)水力计算。查《给水排水设计手册》第 1 册第 327 页,得计算公式; 1 V=————————R²/³i ½ n Q=V×3.1415/4×D² R=D/4式中D————TP管径(米)v————流速(米/秒)N——----粗糙系数;Q——----流量(米);l——-—-水力陂降;R——--—水力半径(米)(二) 局部水头损失hj的计算。 按沿程水头损失的30%计。(三) 总水头损失∑h计算 ∑h=f﹢hj=1.3hf认上具体计算过程从略,计算结果详见下表。 管段沿程水头损失计算结果一览表管段流量(升/秒)管径(mm)流速(m/s)管长(m)水头损失(n)0------1 33.6084000.273200.091------231.0684000.258500.192------325.574000.27500.113------424.5984000.215000.214------513.4334000.12000.0095------610.2944000.083210.086------710.2943000.155000.067------89.3133000.138500.088------97.1653000.116120.099------107.1652000.234000.210-----112.8322000.094000.0311-----121.2491500.074500.0312-----131.0181500.063600.0213-----140.5551000.071700.0214-----150.3241000.042000.00711-----161.5831500.097200.0816-----171.4351500.083500.0317-----181.4351000.182500.2318-----190.3241000.042500.00719-----200.324750.075000.1374------219.8693000.148040.0921-----225.6382000.27260.2722-----234.9812000.169700.2323-----244.2121500.243300.2624-----252.1751500.125100.125-----261.7121500.1900.0126-----271....

1、当您付费下载文档后,您只拥有了使用权限,并不意味着购买了版权,文档只能用于自身使用,不得用于其他商业用途(如 [转卖]进行直接盈利或[编辑后售卖]进行间接盈利)。
2、本站所有内容均由合作方或网友上传,本站不对文档的完整性、权威性及其观点立场正确性做任何保证或承诺!文档内容仅供研究参考,付费前请自行鉴别。
3、如文档内容存在违规,或者侵犯商业秘密、侵犯著作权等,请点击“违规举报”。

碎片内容

镇盛自来水厂给水管网水力计算说明书

您可能关注的文档

知识面包店+ 关注
实名认证
内容提供者

热爱教学事业,对互联网知识分享很感兴趣

相关文档

确认删除?
VIP
微信客服
  • 扫码咨询
会员Q群
  • 会员专属群点击这里加入QQ群
客服邮箱
回到顶部