电脑桌面
添加小米粒文库到电脑桌面
安装后可以在桌面快捷访问

电气控制与PLC课程设计(基于FX2N-48MR四层电梯控制系统设计)VIP免费

电气控制与PLC课程设计(基于FX2N-48MR四层电梯控制系统设计)_第1页
1/13
电气控制与PLC课程设计(基于FX2N-48MR四层电梯控制系统设计)_第2页
2/13
电气控制与PLC课程设计(基于FX2N-48MR四层电梯控制系统设计)_第3页
3/13
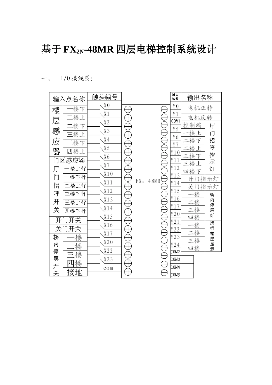
基于 FX2N-48MR 四层电梯控制系统设计一、I/O 接线图:二、I/O 地址分配:1、 输入点分配输入点名称楼层感应器门区感应器厅门招呼开关开门开关关门开关轿内停层开关一楼下二楼上二楼下三楼上三楼下四楼上一楼上行二楼下行二楼上行三楼下行三楼上行四楼下行一楼二楼三楼四楼触头编号X0X1X2X3X4X5X6X7X10X11X12X13X14X15X16X17X20X22X232、输出点分配输出点名称电机正转电机反转厅门招呼指示灯开门指示灯关门指示灯轿内停层灯运行楼层显示指示灯电源控制端一楼上二楼下二楼上三楼下三楼上四楼下一楼二楼三楼四楼一楼二楼三楼四楼触头编号Y0Y1Y5Y6Y7Y10Y11Y12Y13Y14Y15Y16Y17Y20Y21Y22Y23Y24三、中间辅助继电器:楼层数一楼二楼三楼四楼指层登记继电器M0M1M2M3指层消号继电器M4M5M6M7轿内指令登记继电器M10M11M12M13厅门招呼继电器上M30M31M32下M33M34M35轿内指令消号继电器M20M21M22M23继电器名称上行定向下行定向启动继电器运行继电器厅门开门继电器厅门招呼上行定向厅门招呼下行定向门区继电器停站继电器正转运行继电器反转运行继电器开门继电器关门继电器编号M30.0M30.1M30.2M30.3M30.4M30.5M30.6M30.7M31.0M31.1M31.2M31.3M31.4M31.5M31.6四.程序指令: 五.小结:设计也接近了尾声。在不断的努力下我的设计终于完成了。在没有做设计以前觉得设计只是对这几年来所学知识的大概总结,但是真的面对设计时发现自己的想法基本是错误的。设计不仅是对前面所学知识的一种检验,而且也是对自己能力的一种提高。通过这次设计使我明白了自己原来知识太理论化了,面对单独的课题的是感觉很茫然。自己要学习的东西还太多,以前老是觉得自己什么东西都会,什么东西都懂,有点眼高手低。通过这次设计,我才明白学习是一个长期积累的过程,在以后的工作、生活中都应该不断的学习,努力提高自己知识和综合素质。 总之,不管学会的还是学不会的的确觉得困难比较多,真是万事开头难,不知道如何入手。最后终于做完了有种如释重负的感觉。此外,还得出一个结论:知识必须通过应用才能实现其价值!有些东西以为学会了,但真正到用的时候才发现是两回事,所以我认为只有到真正会用的时候才是真的学会了。

1、当您付费下载文档后,您只拥有了使用权限,并不意味着购买了版权,文档只能用于自身使用,不得用于其他商业用途(如 [转卖]进行直接盈利或[编辑后售卖]进行间接盈利)。
2、本站所有内容均由合作方或网友上传,本站不对文档的完整性、权威性及其观点立场正确性做任何保证或承诺!文档内容仅供研究参考,付费前请自行鉴别。
3、如文档内容存在违规,或者侵犯商业秘密、侵犯著作权等,请点击“违规举报”。

碎片内容

电气控制与PLC课程设计(基于FX2N-48MR四层电梯控制系统设计)

您可能关注的文档

知识面包店+ 关注
实名认证
内容提供者

热爱教学事业,对互联网知识分享很感兴趣

确认删除?
VIP
微信客服
  • 扫码咨询
会员Q群
  • 会员专属群点击这里加入QQ群
客服邮箱
回到顶部