电脑桌面
添加小米粒文库到电脑桌面
安装后可以在桌面快捷访问

浙江飞虹通信集团企业标准VIP免费

浙江飞虹通信集团企业标准_第1页
1/11
浙江飞虹通信集团企业标准_第2页
2/11
浙江飞虹通信集团企业标准_第3页
3/11
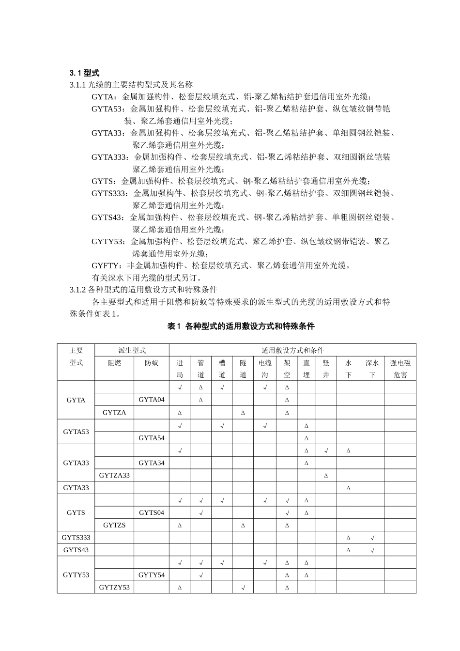
浙江飞虹通信集团企业标准核心网用光缆——层绞式通信用室外光缆 1.范围本标准规定了层绞式通信用室外光缆(以下简称光缆)的产品分类与命名、要求、试验方法、检验规则、标志、使用说明书和包装、运输、贮存的要求。本标准适用于核心网用室外光缆,也适用于城域网和接入网用室外光缆。2.引用标准下列标准所包含的条文,通过在本标准中引用而构成为本标准的条文。本标准出版时,所示版本均为有效。所有标准都会被修订,使用本标准的各方应探讨使用下列标准最新版本的可能性。GB/T 2951.1-1997 电缆绝缘和护套材料通用试验方法 第 1 部分:通用试验方法 第 1节:厚度和外形尺寸测量—机械性能试验GB/T 2951.38-1986 电线电缆 白蚁试验方法GB/T 2952-1989 电缆外护层GB 6995.2-1986 电线电缆识别标志 第 2 部分:标准颜色GB/T 7424.1-1998 光缆 第 1 部分:总规范(eqv IEC 794-1:1996)GB/T 7991-200X 通信用单模光纤系列GB/T 15972.2-1998 光纤总规范 第 2 部分:尺寸参数试验方法(eqv IEC 793-1-2:1995)GB/T 15972.3-1998 光纤总规范 第 3 部分:机械性能试验方法(eqv IEC 793-1-3:1995)GB/T 15972.4-1998 光纤总规范 第 4 部分:传输特性和光学特性试验方法(eqv IEC 793-1-4:1995)GB/T 12666.2-1990 电线电缆燃烧试验方法 第 2 部分:单根电线电缆垂直燃烧GB/T 15065-1994 电线电缆用黑色聚乙烯塑料 GB/T 17651-1998 电缆或光缆在特定条件下燃烧的烟密度测定(idt IEC 61034:1997)JB/T 8137-1995 电线电缆交货盘YD/T 629-1993 光纤传输衰减变化的监测方法YD/T 723-1994 通信电缆光缆用金属塑料复合带YD/T 837-1996 铜芯聚烯烃绝缘铝塑综合护套市内通信电缆试验方法YD/T 839-2000 通信电缆光缆用填充和涂覆复合物YD/T 908-2000 光缆型号命名方法YD/T 1115-2001 光缆用阻水材料YD/T 1113-2001 光缆护套用低烟无卤阻燃材料特性YD/T1118.1-2001 光纤用二次被覆材料第一部分:聚对苯二甲酸丁二醇酯ITU-T G.650(2000) 有关单模光纤光缆的定义和试验方法IEC 60794-1-2(1999) 光缆 第 1-2 部分:总规范-光缆基本试验方法3.产品分类本光缆按 GB/T 7424.1-1998 中 1.4 规定分类,按 YD/T 908-2000 的规定划分型式、规格和编制型号。3.1 型式3.1.1 光缆的主要结构型式及其名称GYTA:金属加强构件、松套层绞填充式、铝-聚乙烯粘结护套通信用室外光...

1、当您付费下载文档后,您只拥有了使用权限,并不意味着购买了版权,文档只能用于自身使用,不得用于其他商业用途(如 [转卖]进行直接盈利或[编辑后售卖]进行间接盈利)。
2、本站所有内容均由合作方或网友上传,本站不对文档的完整性、权威性及其观点立场正确性做任何保证或承诺!文档内容仅供研究参考,付费前请自行鉴别。
3、如文档内容存在违规,或者侵犯商业秘密、侵犯著作权等,请点击“违规举报”。

碎片内容

浙江飞虹通信集团企业标准

确认删除?
VIP
微信客服
  • 扫码咨询
会员Q群
  • 会员专属群点击这里加入QQ群
客服邮箱
回到顶部