电脑桌面
添加小米粒文库到电脑桌面
安装后可以在桌面快捷访问

土地规划用途分类及含义VIP免费

土地规划用途分类及含义_第1页
1/3
土地规划用途分类及含义_第2页
2/3
土地规划用途分类及含义_第3页
3/3
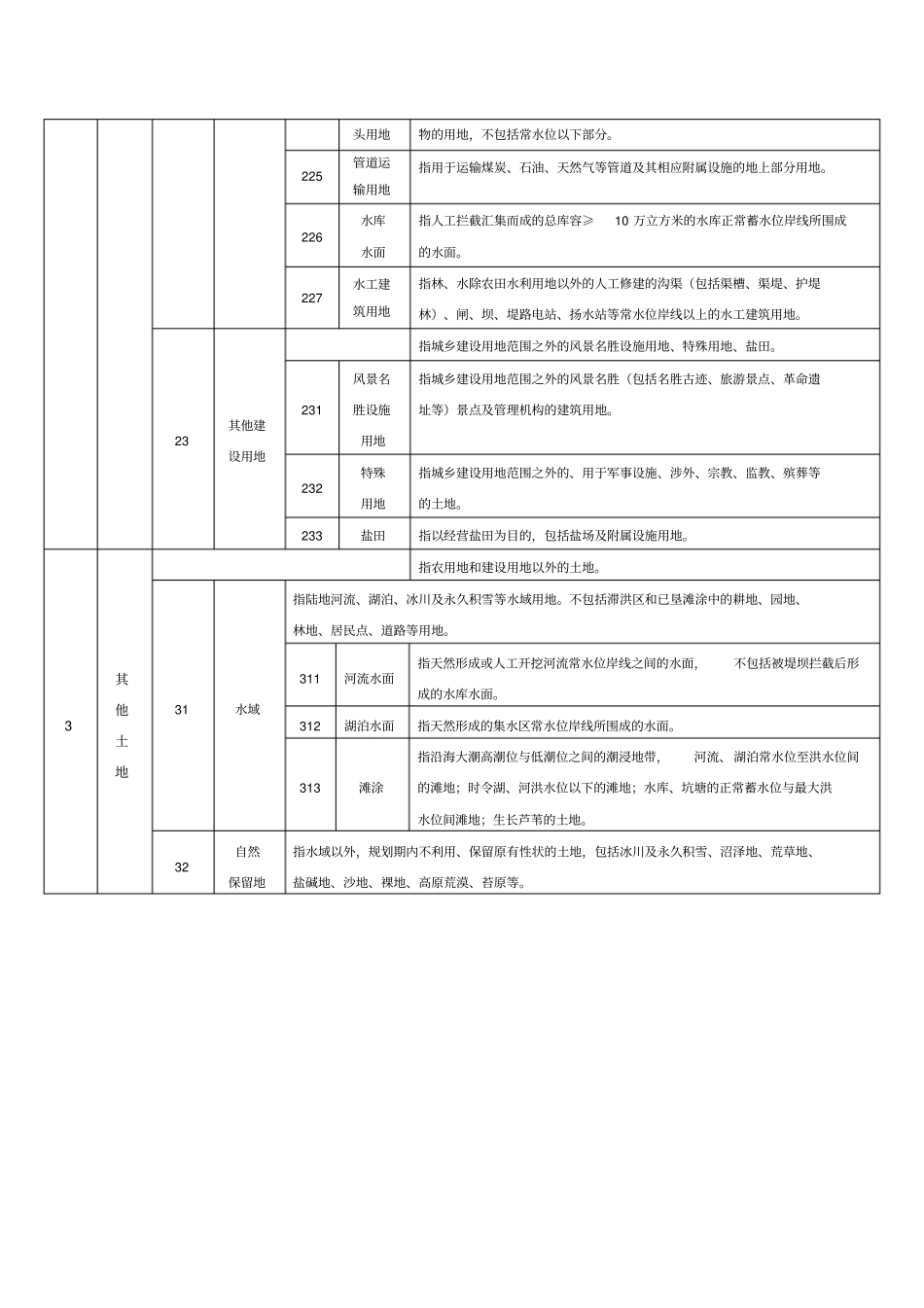
附录 B 土地规划用途分类及含义一级类二级类三级类含义编码名称编码名称编码名称1 农用地指直接用于农业生产的土地,包括耕地、园地、林地、牧草地及其他农用地。11 耕地指种植农作物的土地,包括熟地、新开发复垦整理地、休闲地、轮歇地、草田轮作地;以种植农作物为主,间有零星果树、桑树或其他树木的土地;平均每年能保证收获一季的已垦滩地和海涂。耕地中还包括南方宽<1.0m,北方宽< 2.0m 的沟、渠、路和田埂。111 水田指用于种植水稻、莲藕等水生农作物的耕地。包括实行水生、旱生农作物轮种的耕地。112 水浇地指有水源保证和灌溉设施,在一般年景能正常灌溉,种植旱生农作物的耕地。包括种植蔬菜等的非工厂化的大棚用地。113 旱地指无灌溉设施,主要靠天然降水种植旱生农作物的耕地,包括没有灌溉设施,仅靠引洪淤灌的耕地。12 园地指种植以采集果、 叶、根茎等为主的集约经营的多年生木本和草本作物(含其苗圃),覆盖度大于50%或每亩有收益的株数达到合理株数70%的土地。13 林地指生长乔木、竹类、灌木、沿海红树林的土地。不包括居民点内绿化用地,以及铁路、公路、河流、沟渠的护路、护岸林。131 有林地指树木郁闭度≥0.2 的乔木林地,包括红树林地和竹林地。132 灌木林指灌木覆盖度≥40%的林地。133 其他林地包括疏林地、未成林地、迹地、苗圃等林地。14 牧草地指生长草本植物为主,用于畜牧业的土地。141 天然草地指以天然草本植物为主,未经改良,用于放牧或割草的草地,包括以牧为主的疏林、灌木草地。142 改良草地指采用灌溉、排水、施肥、松耙、补植等措施进行改良的草地。143 人工草地指人工种植牧草的草地,包括人工培植用于牧业的灌木地。15 其他指上述耕地、园地、林地、牧草地以外的农用地。151 设施农指直接用于经营性养殖的畜禽舍、工厂化作物栽培或水产养殖的生产设施农用地用地用地及其相应附属用地,农村宅基地以外的晾晒场等农业设施用地。152 农村道路指公路用地以外的南方宽度≥1.0 米、北方宽度≥ 2.0 米的村间、田间道路(含机耕道)。153 坑塘水面指人工开挖或天然形成的蓄水量<10 万立方米的坑塘常水位岸线所围成的水面。154 农田水利用地指农民、农民集体或其他农业企业等自建或联建的农田排灌沟渠及其相应附属设施用地。155 田坎主要指耕地中南方宽度≥1.0 米、北方宽度≥ 2.0 米的地坎。2 建设用地指建造建筑物、构筑物的土地。包括居民点用地、独立工矿用地、特殊用地...

1、当您付费下载文档后,您只拥有了使用权限,并不意味着购买了版权,文档只能用于自身使用,不得用于其他商业用途(如 [转卖]进行直接盈利或[编辑后售卖]进行间接盈利)。
2、本站所有内容均由合作方或网友上传,本站不对文档的完整性、权威性及其观点立场正确性做任何保证或承诺!文档内容仅供研究参考,付费前请自行鉴别。
3、如文档内容存在违规,或者侵犯商业秘密、侵犯著作权等,请点击“违规举报”。

碎片内容

土地规划用途分类及含义

确认删除?
VIP
微信客服
  • 扫码咨询
会员Q群
  • 会员专属群点击这里加入QQ群
客服邮箱
回到顶部