电脑桌面
添加小米粒文库到电脑桌面
安装后可以在桌面快捷访问

基础工程课程设计07231VIP免费

基础工程课程设计07231_第1页
1/20
基础工程课程设计07231_第2页
2/20
基础工程课程设计07231_第3页
3/20
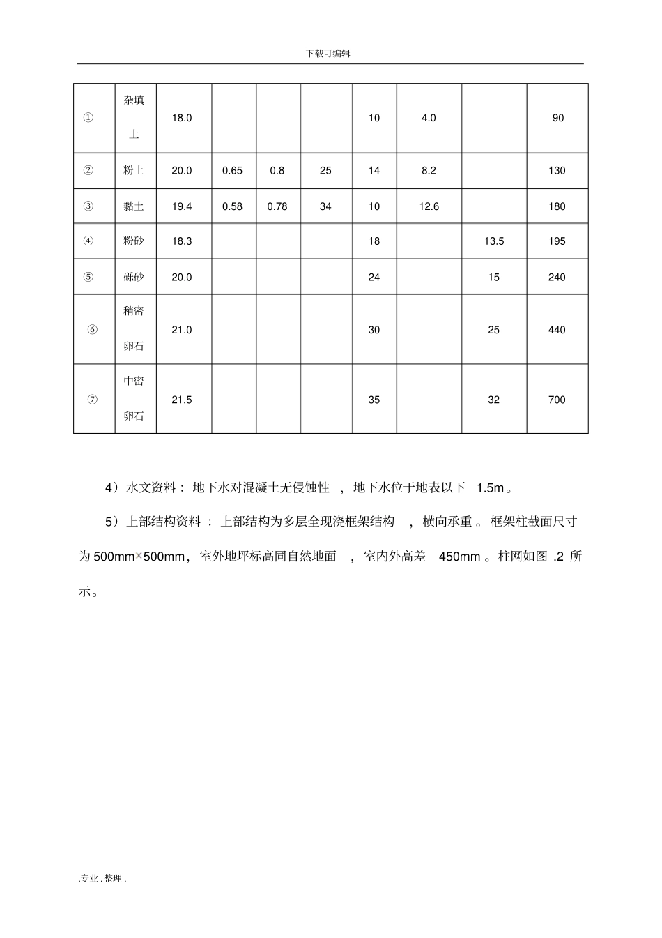
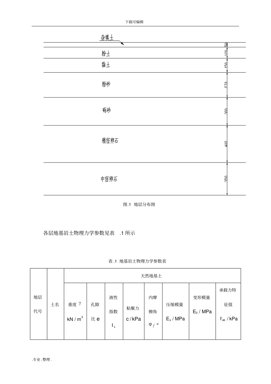
下载可编辑.专业 .整理 . 《基础工程 》课程设计任务书1 设计资料1)基础类型 :柱下独立基础 。2)地形、拟建场地平整 ,无不良地质现象 。3)工程地质资料 。自上而下依次为 :① 杂填土 :厚约 0.5m ,含部分建筑垃圾 ,承载力特征值70akfkPa 。② 粉土:厚 1.2m ,软塑,潮湿 ,承载力特征值130akfkPa 。③ 黏土:厚约 1.5m ,可塑,稍湿,承载力特征值180akfkPa 。④ 粉砂:厚约 2.7m ,承载力特征值195akfkPa 。⑤ 砾砂:厚约 3.0m ,承载力特征值240akfkPa 。⑥ 稍密卵石 :厚约 4.0m ,承载力特征值440akfkPa 。⑦ 中密卵石 :厚约 3.5m ,承载力特征值700akfkPa 。如图.1 地层分布图所示 :(单位:cm) 下载可编辑.专业 .整理 . 图.1 地层分布图各层地基岩土物理力学参数见表.1 所示表 .1 地基岩土物理力学参数表地层代号土名天然地基土重度3/kNm孔隙比 e液性指数LI粘聚力/c kPa内摩擦角/压缩模量/sEMPa变形模量0 /EMPa承载力特征值/akfkPa下载可编辑.专业 .整理 . ①杂填土18.0 10 4.0 90 ②粉土20.0 0.65 0.8 25 14 8.2 130 ③黏土19.4 0.58 0.78 34 10 12.6 180 ④粉砂18.3 18 13.5 195 ⑤砾砂20.0 24 15 240 ⑥稍密卵石21.0 30 25 440 ⑦中密卵石21.5 35 32 700 4)水文资料 :地下水对混凝土无侵蚀性,地下水位于地表以下1.5m 。5)上部结构资料 :上部结构为多层全现浇框架结构,横向承重 。 框架柱截面尺寸为 500500mmmm,室外地坪标高同自然地面,室内外高差450mm 。柱网如图 .2 所示。下载可编辑.专业 .整理 . 图.2 柱网平面布置图6)上部结构作用在柱底的荷载效应标准组合值见表.2 所示 ,上部结构作用在柱底的荷载效应基本组合值见表.3 所示 。表 .2 柱底荷载效应标准组合值题号/kFkN/kMkN m/kVkN混凝土标号钢筋等级A 轴B 轴C 轴A 轴B 轴C 轴A 轴B 轴C 轴--- --- 1 975 1548 1187 140 100 198 46 48 44 C25 HRB400 2 1032 1615 1252 164 125 221 55 60 52 C30 HRB335 下载可编辑.专业 .整理 . 3 1090 1730 1312 190 150 242 62 66 57 C25 HRB400 4 1150 1815 1370 210 175 371 71 73 67 C30 HRB335 5 1218 1873 1433 235 193 397 80 83 74 C25 HRB400 6 1282 1883 1496 257 218 325 86 90 83 C30 HRB335 7 1339...

1、当您付费下载文档后,您只拥有了使用权限,并不意味着购买了版权,文档只能用于自身使用,不得用于其他商业用途(如 [转卖]进行直接盈利或[编辑后售卖]进行间接盈利)。
2、本站所有内容均由合作方或网友上传,本站不对文档的完整性、权威性及其观点立场正确性做任何保证或承诺!文档内容仅供研究参考,付费前请自行鉴别。
3、如文档内容存在违规,或者侵犯商业秘密、侵犯著作权等,请点击“违规举报”。

碎片内容

基础工程课程设计07231

您可能关注的文档

确认删除?
VIP
微信客服
  • 扫码咨询
会员Q群
  • 会员专属群点击这里加入QQ群
客服邮箱
回到顶部