电脑桌面
添加小米粒文库到电脑桌面
安装后可以在桌面快捷访问

塔吊稳定性验算计算书VIP免费

塔吊稳定性验算计算书_第1页
1/2
塔吊稳定性验算计算书_第2页
2/2
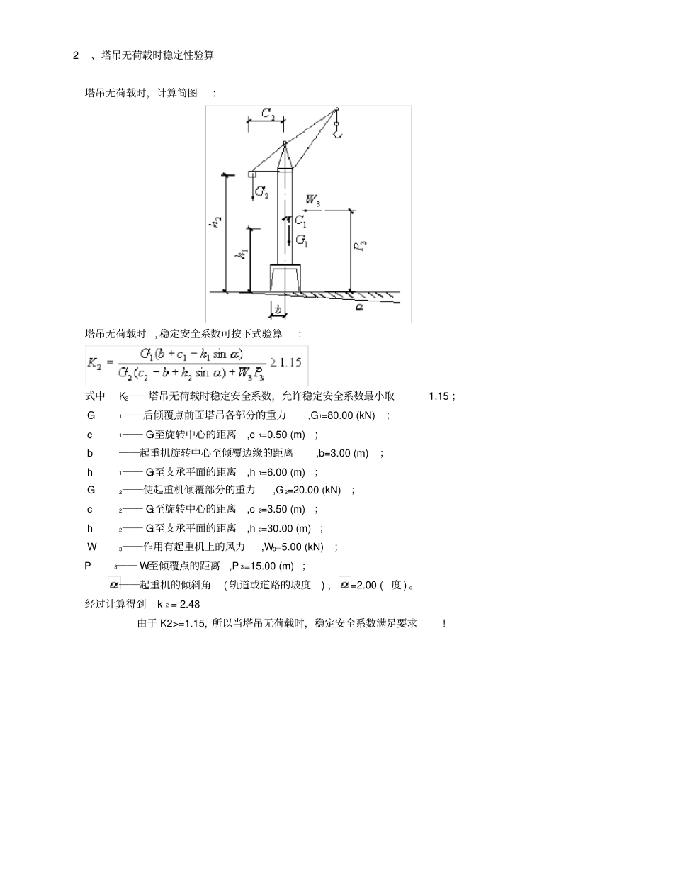
塔吊稳定性验算塔吊稳定性验算可分为有荷载时和无荷载时两种状态。 1、塔吊有荷载时稳定性验算塔吊有荷载时,计算简图: 塔吊有荷载时 , 稳定安全系数可按下式验算: 式中K1──塔吊有荷载时稳定安全系数,允许稳定安全系数最小取1.15 ; G──起重机自重力( 包括配重,压重),G=1100.00 (kN); c──起重机重心至旋转中心的距离,c=0.50 (m); h0──起重机重心至支承平面距离, h0=6.00 (m) ; b──起重机旋转中心至倾覆边缘的距离,b=2.50 (m); Q──最大工作荷载,Q=125.00 (kN); g──重力加速度(m/s 2), 取9.81 ; v──起升速度 ,v=0.50 (m/s); t──制动时间 ,t=20.00 (s); a──起重机旋转中心至悬挂物重心的水平距离,a=15.00 (m); W1──作用在起重机上的风力,W1=5.00 (kN); W2──作用在荷载上的风力,W2=1.00 (kN); P1──自 W1作用线至倾覆点的垂直距离,P 1=8.00 (m) ; P2──自 W2作用线至倾覆点的垂直距离,P 2=2.50 (m) ; h──吊杆端部至支承平面的垂直距离,h=28.00 (m); n──起重机的旋转速度,n=1.00 (r/min); H──吊杆端部到重物最低位置时的重心距离,H= 30.00 (m) ;──起重机的倾斜角( 轨道或道路的坡度) ,=2.00 (度) 。经过计算得到K1=1.90 由于 K1>=1.15, 所以当塔吊有荷载时,稳定安全系数满足要求! 2、塔吊无荷载时稳定性验算塔吊无荷载时,计算简图: 塔吊无荷载时 , 稳定安全系数可按下式验算: 式中K2──塔吊无荷载时稳定安全系数,允许稳定安全系数最小取1.15 ; G1──后倾覆点前面塔吊各部分的重力,G1=80.00 (kN); c1── G1至旋转中心的距离,c 1=0.50 (m); b──起重机旋转中心至倾覆边缘的距离,b=3.00 (m); h1── G1至支承平面的距离,h 1=6.00 (m); G2──使起重机倾覆部分的重力,G2=20.00 (kN); c2── G2至旋转中心的距离,c 2=3.50 (m); h2── G2至支承平面的距离,h 2=30.00 (m); W3──作用有起重机上的风力,W3=5.00 (kN); P3── W3至倾覆点的距离,P 3=15.00 (m) ;──起重机的倾斜角( 轨道或道路的坡度) ,=2.00 ( 度 ) 。经过计算得到 k 2 = 2.48 由于 K2>=1.15, 所以当塔吊无荷载时,稳定安全系数满足要求!

1、当您付费下载文档后,您只拥有了使用权限,并不意味着购买了版权,文档只能用于自身使用,不得用于其他商业用途(如 [转卖]进行直接盈利或[编辑后售卖]进行间接盈利)。
2、本站所有内容均由合作方或网友上传,本站不对文档的完整性、权威性及其观点立场正确性做任何保证或承诺!文档内容仅供研究参考,付费前请自行鉴别。
3、如文档内容存在违规,或者侵犯商业秘密、侵犯著作权等,请点击“违规举报”。

碎片内容

塔吊稳定性验算计算书

您可能关注的文档

文库响当当+ 关注
实名认证
内容提供者

该用户很懒,什么也没介绍

相关文档

确认删除?
VIP
微信客服
  • 扫码咨询
会员Q群
  • 会员专属群点击这里加入QQ群
客服邮箱
回到顶部