电脑桌面
添加小米粒文库到电脑桌面
安装后可以在桌面快捷访问

锅炉课程设计计算阜新烟煤VIP免费

锅炉课程设计计算阜新烟煤_第1页
1/49
锅炉课程设计计算阜新烟煤_第2页
2/49
锅炉课程设计计算阜新烟煤_第3页
3/49
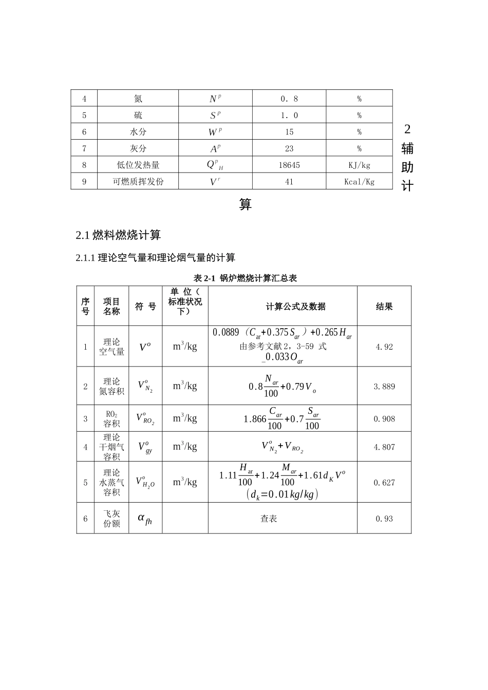
汽包顶棚管低温对流过热器屏式过热器高温对流过热器冷段高温对流过热器热段汽轮机一次喷水减温水二次喷水减温1 绪论1.3 锅炉计算的基本资料1.3.1 锅炉规范(1) 锅炉额定蒸发量:De=220t/h=220×103kg/h;(2) 给水温度: =215;(3) 过热蒸汽温度:=540;(4) 过热蒸汽压力(表压):pgr=9.8 (5) 制粉系统:中间储仓式(热空气作干燥剂、钢球筒式磨煤机),漏风系数为 0.1;(6) 燃烧方式:四角切圆燃烧;(7) 排渣方式:固态;(8) 环境温度:20;(9) 蒸汽流程: 如图 1-2; 图 1-2 锅炉蒸汽流程图 (10) 烟气流程:炉膛→屏式过热器→高温对流过热器→低温对流过热器→高温省煤器→高温空气预热器→低温省煤器→低温空气预热器;(11) 烟气受热面的布置见文献 1。1.3.2 过量空气系数和漏风系数表 1-1 锅炉各受热面的空气过量系数及漏风系数烟道名称过量空气系数漏风系数入口出口炉膛1.20.05屏、凝渣管1.21.2 0高温过热器1.21.2270.025低温过热器1.2271.2540.025高温省煤器1.2541.2770.02高温空气预热器1.2771.3330.05低温省煤器1.3331.3560.02低温空气预热器1.356`1.4110.05注:在 D<70%De 时,漏风系数的选取是根据经验先确定额定负荷下的漏风系数,然后由非额定负荷与额定负荷的比值进行漏风系数的修正,本文中取 D=De,故不用进行修正。1.3.3 各种负荷下汽水侧各点压力值 表 1-2 各种负荷下汽水侧各点压力值位置低温省煤器入口高温省煤器入口高温省煤器出口汽包低温过热器出口屏式过热器出口高过冷段出口高过热段出口压力11.0210.8210.6810.6110.2910.1010.039.91.3.4 燃料特性 表 1-3 煤质资料表格序号项目名称符号数值单位1碳48.3%2氢3.3%3氧8.6%2 辅助计算2.1 燃料燃烧计算2.1.1 理论空气量和理论烟气量的计算 表 2-1 锅炉燃烧计算汇总表序号项目名称符 号单 位(标准状况下)计算公式及数据结果1理论空气量V o0.0889(Car+0.375 Sar)+0.265 Har由参考文献 2,3-59 式-0.033Οar4.922理论氮容积V N2o0.8N ar100 +0.79V o3.8893RO2容积V RO2o1.866Car100 +0.7Sar1000.9084理论干烟气容积V gyoV N2o +V RO 24.8075理论水蒸气容积V H 2Oo1.11H ar100 +1.24M ar100 +1.61d K V o(dk=0.01kg/kg)0.6276飞灰份额α fh查表0.934氮0.8%5硫1.0%6水分15%7灰分23%8低位发热量18645KJ/kg9可燃质挥发份41Kcal/Kg表 2-2 烟气特性表序号项目名称符号单...

1、当您付费下载文档后,您只拥有了使用权限,并不意味着购买了版权,文档只能用于自身使用,不得用于其他商业用途(如 [转卖]进行直接盈利或[编辑后售卖]进行间接盈利)。
2、本站所有内容均由合作方或网友上传,本站不对文档的完整性、权威性及其观点立场正确性做任何保证或承诺!文档内容仅供研究参考,付费前请自行鉴别。
3、如文档内容存在违规,或者侵犯商业秘密、侵犯著作权等,请点击“违规举报”。

碎片内容

锅炉课程设计计算阜新烟煤

您可能关注的文档

确认删除?
VIP
微信客服
  • 扫码咨询
会员Q群
  • 会员专属群点击这里加入QQ群
客服邮箱
回到顶部