电脑桌面
添加小米粒文库到电脑桌面
安装后可以在桌面快捷访问

汕头市南区污水处理厂工程施工组织设计(DOC143页)VIP免费

汕头市南区污水处理厂工程施工组织设计(DOC143页)_第1页
1/120
汕头市南区污水处理厂工程施工组织设计(DOC143页)_第2页
2/120
汕头市南区污水处理厂工程施工组织设计(DOC143页)_第3页
3/120
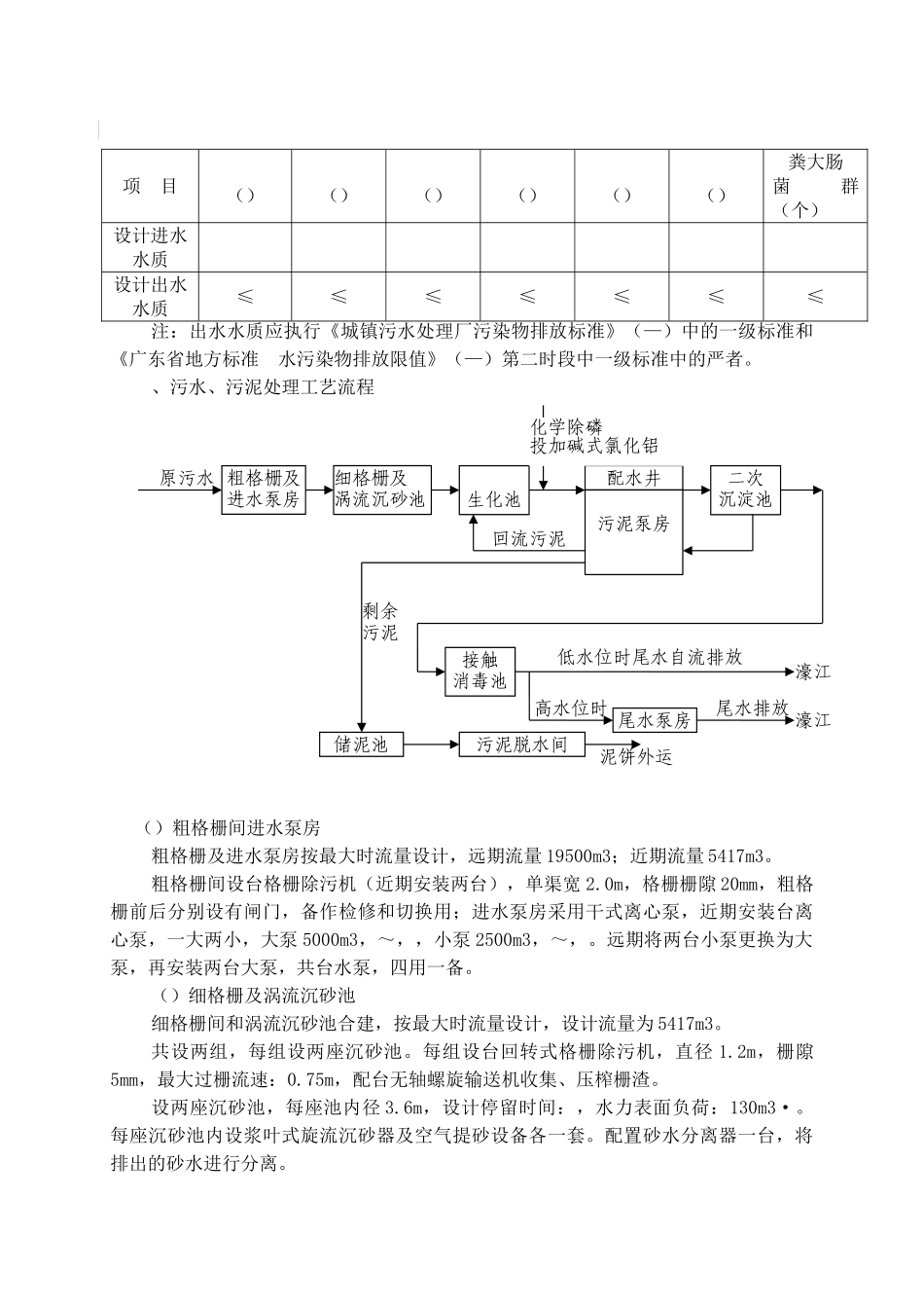
施工组织设计目录汕头市南区污水处理濠江分厂工程施工组织设计第一章 编制依据及采用标准、编制依据1.1.1、汕头市南区污水处理濠江分厂工程施工图纸1.1.2、汕头市南区污水处理濠江分厂工程地质勘察资料1.1.3、我单位对现场实地考察所得资料信息现场三通一平情况现场地质、水文情况现场现况设施情况现场施工环境、采用相关的国家及行业标准、规范和规程中华人民共和国建筑法建设工程质量管理条例建设工程施工现场供用电安全规范()施工现场临时用电安全技术规范()建筑与市政降水工程技术规范()《 钢筋混凝土用钢 热轧光圆钢筋》《 钢筋混凝土用钢 带肋钢筋》钢筋焊接及验收规程()混凝土结构工程施工及验收规范()给水排水构筑物施工及验收规范()钢筋混凝土工程施工及验收规范()混凝土强度检验评定标准()给水排水管道工程施工及验收规范()给水排水标准图集(版)埋地硬聚氯乙烯排水道工程技术规范(:)混凝土和筋混凝土排水管 (-)城市道路路基工程施工及验收规范 (—)市政道路工程质量检查评定标准 (—)工程测量规范()混凝土外加剂应用技术规范( )锤击式预应力混凝土管桩基础技术规程();建筑桩基技术规范())砌体工程施工质量验收规范()建筑地面工程施工及验收规范()建筑排水硬聚氯乙烯管道工程技术规程()建筑电气安装工程质量验收规范()、我公司企业文件我公司质量、环境、职业健康安全《管理手册》、《程序文件》。第二章 工程概述、工艺概况南区污水处理厂濠江分厂位于广澳港西北侧、南临规划中的疏港路,西临濠江,远期总征地面积亩,围墙内点地面积亩,一期征地面积公项(亩),围墙内占地面积公顷(亩)。本工程服务范围涵盖了汕头市濠江区的大部(南滨——葛洲片区污水由葛洲污水处理厂处理,不包含在本项目内),服务面积为 66.75km,服务范围内排水体制为分流制。工程设计年限定为近期年,远期确定为年,设计规模近期为万,远期为万。本工程污水处理采用鼓风曝气脱氮除磷工艺,辅于化学除磷;污泥处理采用重力浓缩带式脱水工艺;尾水采用二氧化氯消毒。尾水排放水体为濠江。、设计内容本工程主要生产构筑(建)物包括:粗格栅及进水泵房、细格栅及涡流沉砂池、生化池、二次沉淀池、配水井及污泥泵房、加氯间及接触消毒池、污泥浓缩脱水车间、鼓风机房及变配电间、加矾间、排江泵房;辅助建筑物有:综合楼、机修仓库车库、传达室等。、设计进水及出水水质根据《初步设计》本工程设计进出水水质指...

1、当您付费下载文档后,您只拥有了使用权限,并不意味着购买了版权,文档只能用于自身使用,不得用于其他商业用途(如 [转卖]进行直接盈利或[编辑后售卖]进行间接盈利)。
2、本站所有内容均由合作方或网友上传,本站不对文档的完整性、权威性及其观点立场正确性做任何保证或承诺!文档内容仅供研究参考,付费前请自行鉴别。
3、如文档内容存在违规,或者侵犯商业秘密、侵犯著作权等,请点击“违规举报”。

碎片内容

汕头市南区污水处理厂工程施工组织设计(DOC143页)

您可能关注的文档

确认删除?
VIP
微信客服
  • 扫码咨询
会员Q群
  • 会员专属群点击这里加入QQ群
客服邮箱
回到顶部