电脑桌面
添加小米粒文库到电脑桌面
安装后可以在桌面快捷访问

电力集团某大型配件配套企业保卫干事岗位说明书VIP免费

电力集团某大型配件配套企业保卫干事岗位说明书_第1页
1/2
电力集团某大型配件配套企业保卫干事岗位说明书_第2页
2/2
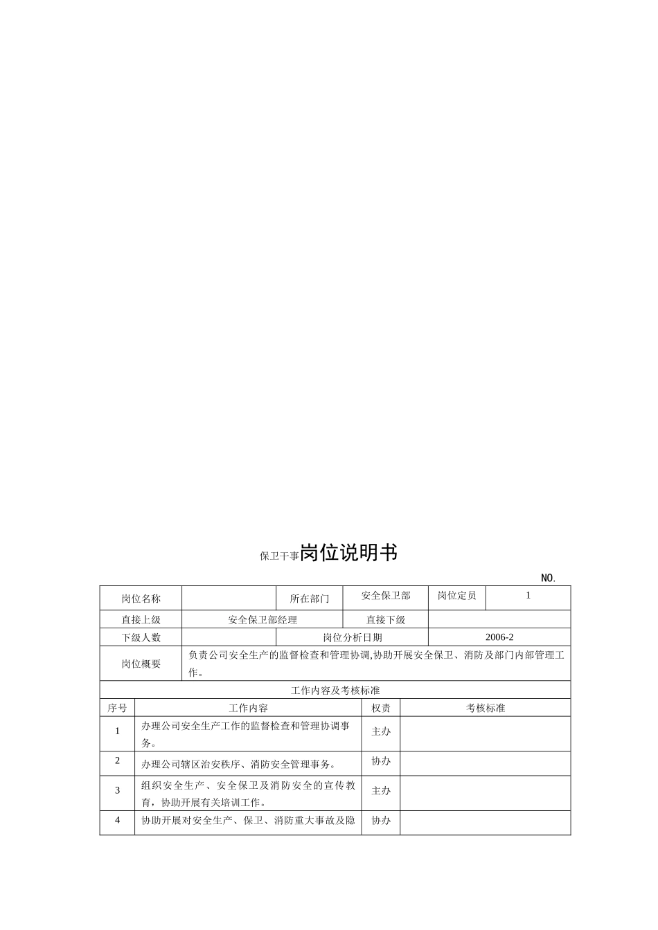
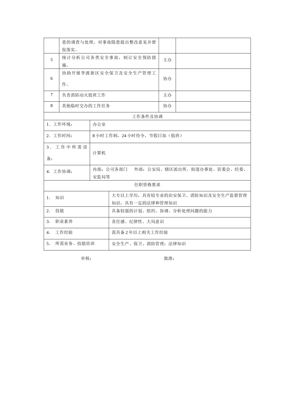
保卫干事岗位说明书NO. 岗位名称所在部门安全保卫部岗位定员1直接上级安全保卫部经理直接下级下级人数岗位分析日期2006-2岗位概要负责公司安全生产的监督检查和管理协调,协助开展安全保卫、消防及部门内部管理工作。工作内容及考核标准序号工作内容权责考核标准1办理公司安全生产工作的监督检查和管理协调事务。主办2办理公司辖区治安秩序、消防安全管理事务。协办3组织安全生产、安全保卫及消防安全的宣传教育,协助开展有关培训工作。主办4协助开展对安全生产、保卫、消防重大事故及隐协办患的调查与处理,对事故隐患提出整改意见并督促落实。5统计分析公司各类安全事故,制订安全预防措施。主办6协助开展李渡新区安全保卫及安全生产管理工作。协办7负责消防动火值班工作主办8其他临时交办的工作任务协办工作条件及协调1.工作环境:办公室2.工作时间:8 小时工作制,24 小时待令,节假日加(值班)3 . 工 作 中 所 需 设备:计算机4.工作协调:内部:公司各部门 外部:公安局、辖区派出所、街道办事处、居委会、经委、安监局等任职资格要求1. 知识大专以上学历,具有较专业的治安保卫、消防知识及安全生产监督管理知识,具有一定的法律和管理知识2. 技能具备较强的计划、组织、协调、分析处理问题的能力3. 职业素养责任感、纪律性、大局意识4. 工作经验需具备 2 年以上相关工作经验5. 所需业务、技能培训安全生产、保卫、消防管理;法律知识审核: 批准:

1、当您付费下载文档后,您只拥有了使用权限,并不意味着购买了版权,文档只能用于自身使用,不得用于其他商业用途(如 [转卖]进行直接盈利或[编辑后售卖]进行间接盈利)。
2、本站所有内容均由合作方或网友上传,本站不对文档的完整性、权威性及其观点立场正确性做任何保证或承诺!文档内容仅供研究参考,付费前请自行鉴别。
3、如文档内容存在违规,或者侵犯商业秘密、侵犯著作权等,请点击“违规举报”。

碎片内容

电力集团某大型配件配套企业保卫干事岗位说明书

您可能关注的文档

海纳百川+ 关注
实名认证
内容提供者

热爱教学事业,对互联网知识分享很感兴趣

确认删除?
VIP
微信客服
  • 扫码咨询
会员Q群
  • 会员专属群点击这里加入QQ群
客服邮箱
回到顶部