电脑桌面
添加小米粒文库到电脑桌面
安装后可以在桌面快捷访问

爱立信小区内切换(IHO)详解VIP免费

爱立信小区内切换(IHO)详解_第1页
1/7
爱立信小区内切换(IHO)详解_第2页
2/7
爱立信小区内切换(IHO)详解_第3页
3/7
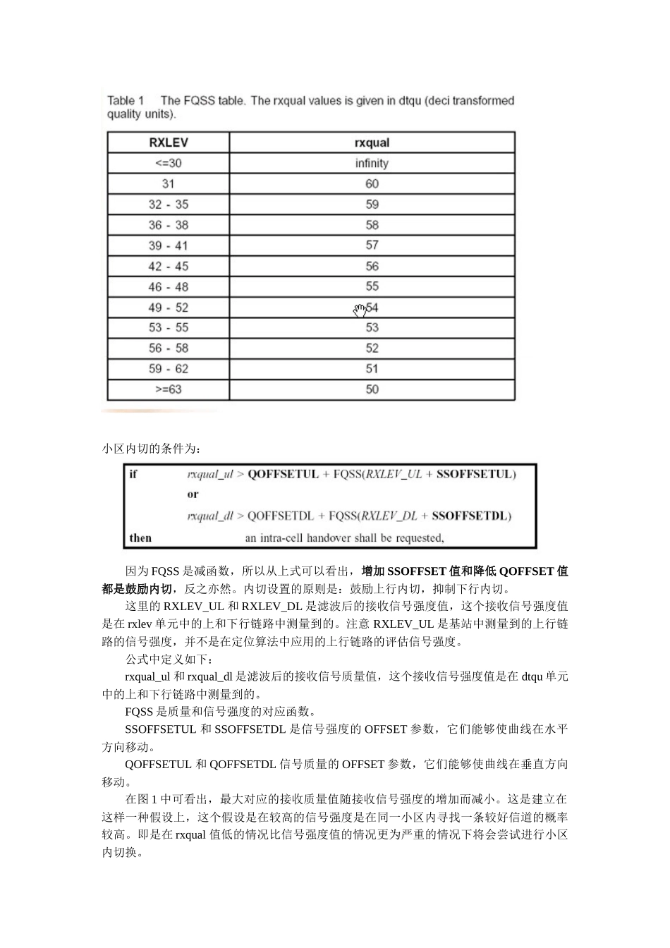
爱立信小区内切换(IHO)详解一、概述小区内切换(IHO)是为了在暂时有干扰的情况下还能够获得较好的连接质量。这个功能在 BSC 中执行。信号强度较高时,无论是上行链路还是下行链路当在同一时间测量到的质量较差时,可以确定它的干扰较严重,并且干扰仅在当前占用的 TCH 或 SDCCH 上存在。在这种情况下在本小区内寻找一条较好的信道的概率是较高的。干扰可以是暂时的也可以是持久的。暂时的同频或邻频信道干扰可能是其它基站的下行链路或移动台的上行链路信号等原因。同时本功能也能够解决互调干扰的问题。而对于永久性的干扰应通过小区的重新规划来解决。小区内切换功能逻辑是定位运算中的一个完整的部分。二、功能的实现方式小区内切换功能保证了在一个通话期间的话音质量。当上行或下行链路的信号强度还足够大是信道的话音质量变差时,通过改变信道的方法来改善话音质量。在这个功能中有一个限制是不可能从时间差上分开暂时干扰。对于时差问题在同一小区中改变改变信道是没有用的,它只能通过改变小区的方法才能解决。因此内切设置的原则是:鼓励上行内切抑制下行内切。例如当存在时差时,在同一小区内的信道之间将会发生许多不必要的切换,这了预防出现这种现象,对小区内切换允许的次数进行限制,两次切换之间必须有一个确定的时间间隙来限制。三、技术介绍1、总则接收的高质量值是对应一个高比特误码率的。在 A 表中,FQSS 表(quality vs. signal strength function)定义了对每个信号强度值可接受的接收质量,如果对于一个特定的接收信号强度,质量值超过了定义的质量值将会需要一个小区内切换。如果有太多的连续的小区内切换发生,在一个预定义的时间内超过一定数目的小区内切换将会被禁止。2、运算法则(1)质量和信号强度对应条件图一表示出上面提及的 FQSS 表。曲线描述了信号强度和它对应的最大接收质量值的关系。准确的值在附录 A 中给出。这条曲线能够由改变参数使其在水平和垂直方向移动。小区内切的条件为:因为 FQSS 是减函数,所以从上式可以看出,增加 SSOFFSET 值和降低 QOFFSET 值都是鼓励内切,反之亦然。内切设置的原则是:鼓励上行内切,抑制下行内切。这里的 RXLEV_UL 和 RXLEV_DL 是滤波后的接收信号强度值,这个接收信号强度值是在 rxlev 单元中的上和下行链路中测量到的。注意 RXLEV_UL 是基站中测量到的上行链路的信号强度,并不是在定位算法中应用的上行链路的评估信号强度。公式中...

1、当您付费下载文档后,您只拥有了使用权限,并不意味着购买了版权,文档只能用于自身使用,不得用于其他商业用途(如 [转卖]进行直接盈利或[编辑后售卖]进行间接盈利)。
2、本站所有内容均由合作方或网友上传,本站不对文档的完整性、权威性及其观点立场正确性做任何保证或承诺!文档内容仅供研究参考,付费前请自行鉴别。
3、如文档内容存在违规,或者侵犯商业秘密、侵犯著作权等,请点击“违规举报”。

碎片内容

爱立信小区内切换(IHO)详解

确认删除?
VIP
微信客服
  • 扫码咨询
会员Q群
  • 会员专属群点击这里加入QQ群
客服邮箱
回到顶部