电脑桌面
添加小米粒文库到电脑桌面
安装后可以在桌面快捷访问

冲压设备模具使用中常见问题与保养VIP免费

冲压设备模具使用中常见问题与保养_第1页
1/14
冲压设备模具使用中常见问题与保养_第2页
2/14
冲压设备模具使用中常见问题与保养_第3页
3/14
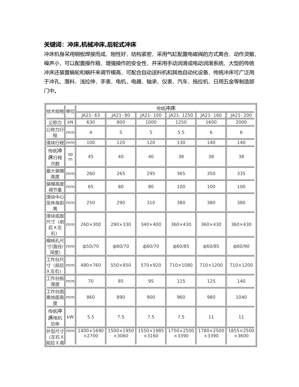
冲压设备冲压设备就是所谓的压力机。学名:冲压机、油压机、液压机。是压制容器的大型特种设备。常见的用于封头制造。用于压制钢板、成型的就是封头。冲压设备必须具备以下安全设施1、冲压设备上应有铭牌、各种操作指示、安全与警告性指示。2、电源接线应规范,设备的电缆不应有损伤,防止老化。3、冲压设备上的配电箱门锁应带钥匙,开门自动切断电源。4、单次、连续、脚踏冲压等操作的转换应采用带钥匙锁定的转换开关。5、冲压设备单次行程操作时,不得出现连续冲压行程。6、对选用连续行程操作时,应在操作过程中设有预控动作环节。7、冲压设备上必须有紧急停止按钮,并应能自锁。8、脚踏操作与手操作间应具有连锁控制。9、对露于机身外和机身顶部的传动齿轮、皮带轮、飞轮、杠杆等传动零部件,均应装设防护罩。10、脚踏操作装置采用脚踏板式,以脚踏进行电气开关控制,并能自动复位。11、脚踏板的上部及两侧应有防护罩,踏板应防滑。12、冲压设备必须具有防止手进入模具闭合区的安全防护措施,使用单位应根据冲压设备种类、生产产品工件形状等不同情况,采取自动进出料、加装安全防护装置、安全模具及使用取送料专用工具等冲压作业安全措施。13、定期对电气系统的三项试验(保护接地、绝缘、耐压试验),进行测试,并有测试报告。14、每台冲压设备都应取得《冲压设备安全准用证》,并在有效期内。冲压机的种类目前,国内外的冲压机械,如冲床工作时,需令其冲头作往复直线运动。现有的机械(冲床)的动力来自于旋转电动机,它需要一整套复杂的转换机构将旋转运动转变为所需的直线往复运动,为获得足够的冲压力,还需配备一只储能大飞轮。因而,这种部件多,结构复杂,体积笨重,噪声大,生产周期长,使用不灵活,且易于发生人身伤害事故。这种机,它所存在弊端始终没能得到根本的改变。新型电磁冲压机(直线电机冲床)是利用直线电机技术,将电能直接转换成机械力,它不需通过任何中间转换机构,而实现冲头的往复运动。在国内外虽有类似研究,但目前尚未见有这方面的成果和产品鉴定,获多项授权专利,并已投入小批量生产,效果显著。这种新型电磁机和传统式机械冲压机相比,具有结构简单;体积小、重量轻;无周期性的机械噪声;脉冲式工作,有节能效果;冲压吨位、频率、速度可调;可有各种安装方式;易于控制,能实现多种保护功能。冲床冲床的设计原理是将圆周运动转换为直线运动,由主电动机出力,带动飞轮,经离合器带动齿轮、曲轴(或偏心齿轮)、...

1、当您付费下载文档后,您只拥有了使用权限,并不意味着购买了版权,文档只能用于自身使用,不得用于其他商业用途(如 [转卖]进行直接盈利或[编辑后售卖]进行间接盈利)。
2、本站所有内容均由合作方或网友上传,本站不对文档的完整性、权威性及其观点立场正确性做任何保证或承诺!文档内容仅供研究参考,付费前请自行鉴别。
3、如文档内容存在违规,或者侵犯商业秘密、侵犯著作权等,请点击“违规举报”。

碎片内容

冲压设备模具使用中常见问题与保养

您可能关注的文档

确认删除?
VIP
微信客服
  • 扫码咨询
会员Q群
  • 会员专属群点击这里加入QQ群
客服邮箱
回到顶部